ZHCSJN3B March   2019  – May 2022 DLP2000

PRODUCTION DATA  

  1. 特性
  2. 应用
  3. 说明
  4. Revision History
  5. Pin Configuration and Functions
  6. Specifications
    1. 6.1  Absolute Maximum Ratings
    2. 6.2  Storage Conditions
    3. 6.3  ESD Ratings
    4. 6.4  Recommended Operating Conditions
    5. 6.5  Thermal Information
    6. 6.6  Electrical Characteristics
    7. 6.7  Timing Requirements
    8. 6.8  System Mounting Interface Loads
    9. 6.9  Physical Characteristics of the Micromirror Array
    10. 6.10 Micromirror Array Optical Characteristics
    11. 6.11 Window Characteristics
    12. 6.12 Chipset Component Usage Specification
  7. Detailed Description
    1. 7.1 Overview
    2. 7.2 Functional Block Diagram
    3. 7.3 Feature Description
      1. 7.3.1 Power Interface
      2. 7.3.2 Control Serial Interface
      3. 7.3.3 High Speed Interface
      4. 7.3.4 Timing
    4. 7.4 Device Functional Modes
    5. 7.5 Window Characteristics and Optics
      1. 7.5.1 Optical Interface and System Image Quality
        1. 7.5.1.1 Numerical Aperture and Stray Light Control
        2. 7.5.1.2 Pupil Match
        3. 7.5.1.3 Illumination Overfill
    6. 7.6 Micromirror Array Temperature Calculation
    7. 7.7 Micromirror Landed-On/Landed-Off Duty Cycle
      1. 7.7.1 Definition of Micromirror Landed-On/Landed-Off Duty Cycle
      2. 7.7.2 Landed Duty Cycle and Useful Life of the DMD
      3. 7.7.3 Landed Duty Cycle and Operational DMD Temperature
      4. 7.7.4 Estimating the Long-Term Average Landed Duty Cycle of a Product or Application
  8. Application and Implementation
    1. 8.1 Application Information
    2. 8.2 Typical Application
      1. 8.2.1 Design Requirements
      2. 8.2.2 Detailed Design Procedure
      3. 8.2.3 Application Curve
  9. Power Supply Recommendations
    1. 9.1 Power Supply Power-Up Procedure
    2. 9.2 Power Supply Power-Down Procedure
  10. 10Layout
    1. 10.1 Layout Guidelines
    2. 10.2 Layout Example
  11. 11Device and Documentation Support
    1. 11.1 第三方产品免责声明
    2. 11.2 Device Support
      1. 11.2.1 Device Nomenclature
      2. 11.2.2 Device Markings
    3. 11.3 Related Links
    4. 11.4 接收文档更新通知
    5. 11.5 支持资源
    6. 11.6 Trademarks
    7. 11.7 Electrostatic Discharge Caution
    8. 11.8 术语表
  12. 12Mechanical, Packaging, and Orderable Information

封装选项

机械数据 (封装 | 引脚)
散热焊盘机械数据 (封装 | 引脚)
订购信息

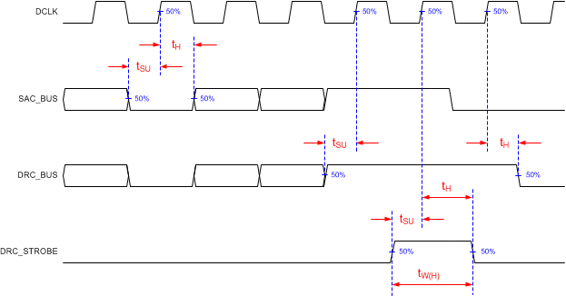
Timing Requirements

MIN NOM MAX UNIT
tr Rise time(1) 20% to 80% DCLK 2.5 ns
tf Fall time(1) 80% to 20% DCLK 2.5 ns
tr Rise time(2) 20% to 80% DATA(11:0), SCTRL, LOADB 2.5 ns
tf Fall time(2) 80% to 20% DATA(11:0), SCTRL, LOADB 2.5 ns
tc Cycle time(1) 50% to 50% DCLK 12.5 16.67 ns
tw Pulse duration(1) 50% to 50% DCLK 5 ns
tw Pulse duration low(1) 50% to 50% LOADB 7 ns
tw Pulse duration high(1) 50% to 50% DRC_STROBE 7 ns
tsu Setup time(1) DATA(11:0) before rising or falling edge of DCLK 1 ns
tsu Setup time(1) SCTRL before rising or falling edge of DCLK 1 ns
tsu Setup time(1) LOADB low before rising edge of DCLK 1 ns
tsu Setup time(2) SAC_BUS low before rising edge of DCLK 2 ns
tsu Setup time(2) DRC_BUS high before rising edge of DCLK 2 ns
tsu Setup time(1) DRC_STROBE high before rising edge of DCLK 2 ns
th Hold time(1) DATA(11:0) after rising or falling edge of DCLK 1 ns
th Hold time(1) SCTRL after rising or falling edge of DCLK 1 ns
th Hold time(1) LOADB low after falling edge of DCLK 1 ns
th Hold time(2) SAC_BUS low after rising edge of DCLK 2 ns
th Hold time(2) DRC_BUS after rising edge of DCLK 2 ns
th Hold time(1) DRC_STROBE after rising edge of DCLK 2 ns
Refer to Figure 6-2 and Figure 6-3.
Refer to Figure 6-4 and Figure 6-5.
GUID-79B83EE3-8FE8-4997-AF6C-B2A83E1C3D29-low.gif Figure 6-2 Switching Parameters 1
GUID-F58F4E61-1C54-42FE-A8B4-5E5902094FC1-low.gif Figure 6-3 Switching Parameters 2
GUID-0E697B5C-D4A4-4CBA-8E36-120130B27982-low.gif Figure 6-4 Rise and Fall Timing Parameters 1
GUID-3E8C28FE-49CF-43D1-AC14-F240EB79DA8D-low.gif Figure 6-5 Rise and Fall Timing Parameters 2
GUID-CFF5E665-7327-43B2-900E-9224B28E7BD0-low.gif Figure 6-6 Test Load Circuit

See Section 7.3.4 for more information.