ZHCSAY0D March   2013  – April 2015 CSD87588N

PRODUCTION DATA.  

  1. 1特性
  2. 2应用范围
  3. 3说明
  4. 4修订历史记录
  5. 5Specifications
    1. 5.1 Absolute Maximum Ratings
    2. 5.2 Recommended Operating Conditions
    3. 5.3 Thermal Information
    4. 5.4 Power Block Performance
    5. 5.5 Electrical Characteristics
    6. 5.6 Typical Power Block Device Characteristics
    7. 5.7 Typical Power Block MOSFET Characteristics
  6. 6Application and Implementation
    1. 6.1 Application Information
      1. 6.1.1 Power Loss Curves
      2. 6.1.2 Safe Operating Curves (SOA)
      3. 6.1.3 Normalized Curves
      4. 6.1.4 Calculating Power Loss and SOA
        1. 6.1.4.1 Design Example
        2. 6.1.4.2 Calculating Power Loss
        3. 6.1.4.3 Calculating SOA Adjustments
  7. 7Layout
    1. 7.1 Layout Guidelines
      1. 7.1.1 Electrical Performance
      2. 7.1.2 Thermal Performance
    2. 7.2 Layout Example
  8. 8器件和文档支持
    1. 8.1 商标
    2. 8.2 静电放电警告
    3. 8.3 术语表
  9. 9机械、封装和可订购信息
    1. 9.1 CSD87588N 封装尺寸
    2. 9.2 焊盘布局建议
    3. 9.3 模板建议 (100µm)
    4. 9.4 模板建议 (125µm)
    5. 9.5 引脚图
    6. 9.6 CSD87588N 压纹载带尺寸

封装选项

机械数据 (封装 | 引脚)
  • MPA|5
散热焊盘机械数据 (封装 | 引脚)
订购信息

9 机械、封装和可订购信息

以下页中包括机械、封装和可订购信息。 这些信息是针对指定器件可提供的最新数据。 这些数据会在无通知且不对本文档进行修订的情况下发生改变。 欲获得该数据表的浏览器版本,请查阅左侧的导航栏。

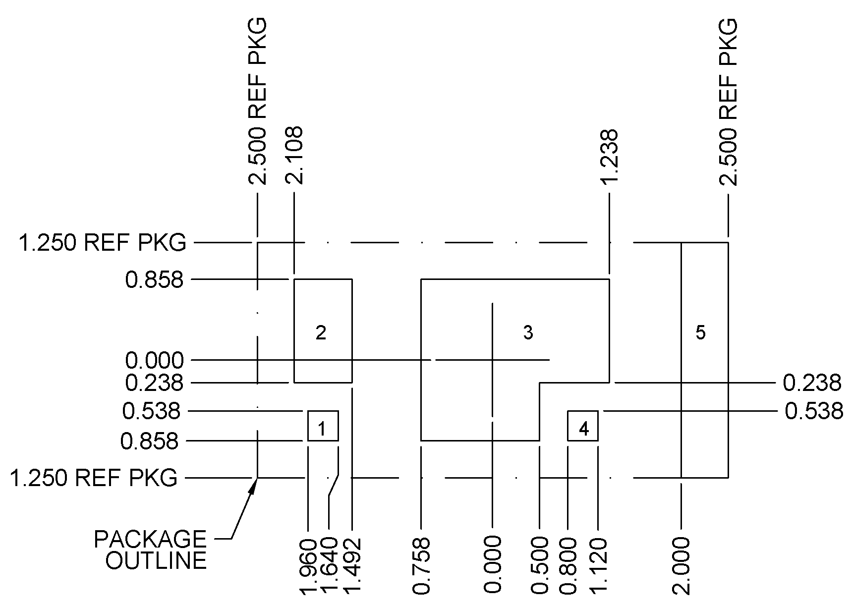
9.1 CSD87588N 封装尺寸

CSD87588N mechanical_drawing2_updated.png

引脚配置

位置 名称
引脚 1 TG
引脚 2 VIN
引脚 3 PGND
引脚 4 BG
引脚 5 VSW

9.2 焊盘布局建议

CSD87588N Recommended_PCB_Pattern.png

9.3 模板建议 (100µm)

CSD87588N Recommended_100um_Stencil2_Updated.png

文本,调节间距

9.4 模板建议 (125µm)

CSD87588N Recommended_125um_Stencil2.png

增加文本,调节间距
要获得与印刷电路板 (PCB) 设计相关的建议电路布局布线,请参见《应用说明》SLPA005 - 通过 PCB 布局布线技巧来减少振铃

9.5 引脚图

CSD87588N Pin_Drawing.png

增加文本,调节间距

9.6 CSD87588N 压纹载带尺寸

CSD87588N Tape_and_Reel.png
1. 引脚 1 位于载带封装左上象限内(最靠近载带齿孔的位置)

空白