ZHCSBM6A September   2013  – January 2018 CSD13202Q2

PRODUCTION DATA.  

  1. 1特性
  2. 2应用
  3. 3说明
    1.     Device Images
  4. 4修订历史记录
  5. 5Specifications
    1. 5.1 Electrical Characteristics
    2. 5.2 Thermal Characteristics
    3. 5.3 Typical MOSFET Characteristics
  6. 6器件和文档支持
    1. 6.1 Receiving Notification of Documentation Updates
    2. 6.2 Community Resources
    3. 6.3 商标
    4. 6.4 静电放电警告
    5. 6.5 Glossary
  7. 7机械、封装和可订购信息
    1. 7.1 Q2 封装尺寸
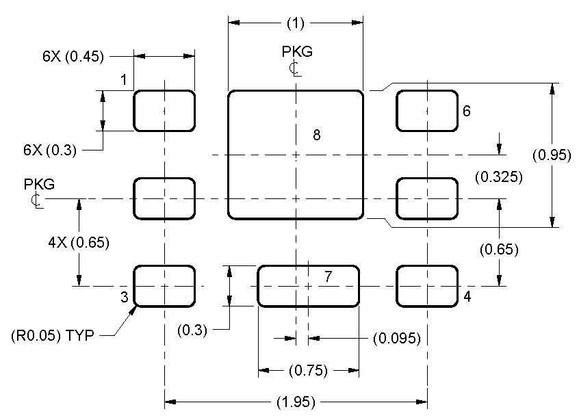
      1. 7.1.1 建议 PCB 布局
      2. 7.1.2 推荐的模版布局
    2. 7.2 Q2 卷带信息

封装选项

请参考 PDF 数据表获取器件具体的封装图。

机械数据 (封装 | 引脚)
  • DQK|6
散热焊盘机械数据 (封装 | 引脚)
订购信息

建议 PCB 布局

CSD13202Q2 PCB1.png
CSD13202Q2 PCB2.png
  1. 此封装设计用于焊接到电路板的散热焊盘上。有关更多信息,请参阅《QFN/SON PCB 连接》(SLUA271)。