ZHCSWP1C April   2004  – July 2024 CD74HCT4066-Q1

PRODUCTION DATA  

  1.   1
  2. 特性
  3. 应用
  4. 说明
  5. Pin Configuration and Functions
  6. Specifications
    1. 5.1 Absolute Maximum Ratings
    2. 5.2 Thermal Information
    3. 5.3 Recommended Operating Conditions
    4. 5.4 Electrical Characteristics
    5. 5.5 HCT Input Loading
    6. 5.6 Switching Characteristics
    7. 5.7 Operating Characteristics
    8. 5.8 Analog Channel Characteristics
    9. 5.9 Typical Characteristics
  7. Parameter Measurement Information
  8. Detailed Description
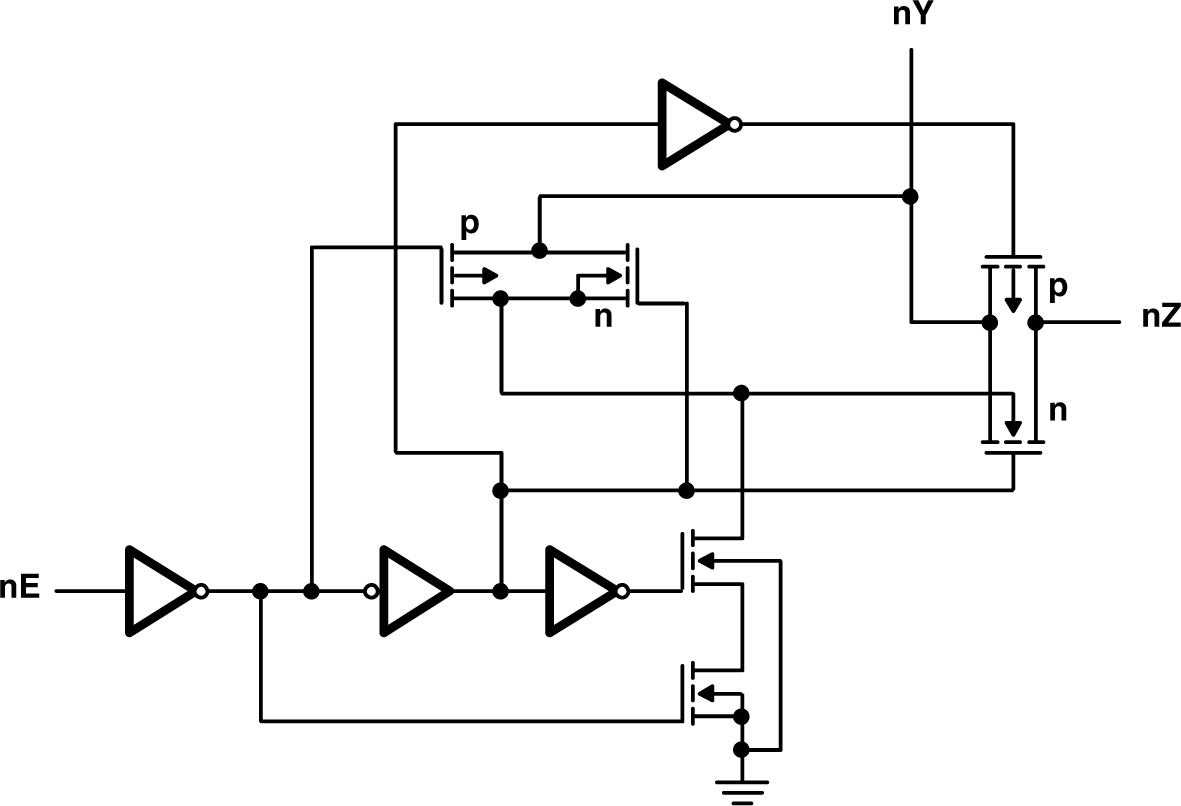
    1. 7.1 Functional Block Diagram
    2. 7.2 Device Functional Modes
  9. Device and Documentation Support
    1. 8.1 接收文档更新通知
    2. 8.2 支持资源
    3. 8.3 Trademarks
    4. 8.4 静电放电警告
    5. 8.5 术语表
  10. Revision History
  11. 10Mechanical, Packaging, and Orderable Information

封装选项

请参考 PDF 数据表获取器件具体的封装图。

机械数据 (封装 | 引脚)
  • D|14
  • PW|14
散热焊盘机械数据 (封装 | 引脚)
订购信息

说明

CD74HCT4066-Q1 包含四个独立的数控模拟开关,这些开关使用硅栅 CMOS 技术并借助标准 CMOS 集成电路的低功耗特性来实现与 LSTTL 接近的运行速度。

这些开关具有金属栅 CD4066B 的特有线性导通电阻。每个开关由其控制输入端的高电平电压进行开通。

封装信息
器件型号封装(1)封装尺寸(2)
CD74HCT4066-Q1PW(TSSOP,14)5mm × 6.4mm
有关更多信息,请参阅节 10
封装尺寸(长 × 宽)为标称值,并包括引脚(如适用)。
CD74HCT4066-Q1 逻辑图(正逻辑)逻辑图(正逻辑)