ZHCSQ87E November   1998  – May 2024 CD54HC164 , CD54HCT164 , CD74HC164 , CD74HCT164

PRODUCTION DATA  

  1.   1
  2. 特性
  3. 说明
  4. Pin Configuration and Functions
  5. Specifications
    1. 4.1 Absolute Maximum Ratings
    2. 4.2 Recommended Operating Conditions
    3. 4.3 Thermal Information
    4. 4.4 Electrical Characteristics
    5. 4.5 Prerequisite for Switching Characteristics
    6. 4.6 Switching Characteristics
  6. Parameter Measurement Information
  7. Detailed Description
    1. 6.1 Overview
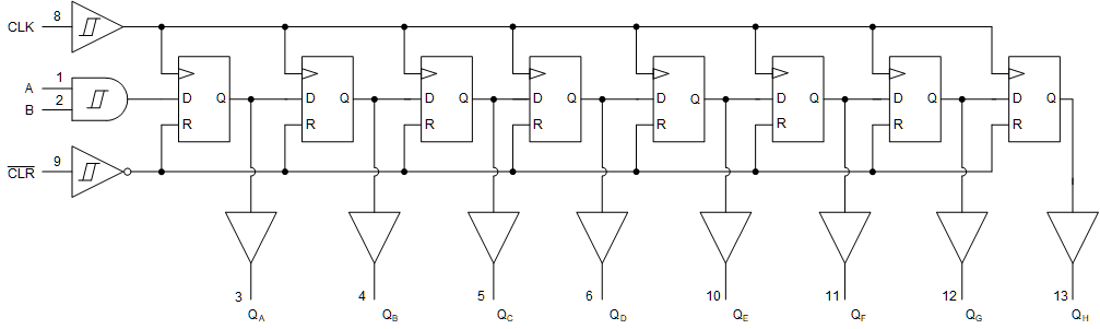
    2. 6.2 Functional Block Diagram
    3. 6.3 Device Functional Modes
  8. Power Supply Recommendations
  9. Layout
    1. 8.1 Layout Guidelines
  10. Device and Documentation Support
    1. 9.1 Documentation Support
    2. 9.2 接收文档更新通知
    3. 9.3 支持资源
    4. 9.4 Trademarks
    5. 9.5 静电放电警告
    6. 9.6 术语表
  11. 10Revision History
  12. 11Mechanical, Packaging, and Orderable Information

封装选项

请参考 PDF 数据表获取器件具体的封装图。

机械数据 (封装 | 引脚)
  • D|14
  • N|14
散热焊盘机械数据 (封装 | 引脚)
订购信息

说明

’HC164 和 ’HCT164 是具有异步复位功能的 8 位串行输入/并行输出移位寄存器。数据在时钟 (CLK) 正边沿发生移位。复位 (CLR) 引脚上的低电平将移位寄存器复位,无论输入情况如何,所有输出均进入低电平状态。提供的两个串行数据输入(A 和 B)中的任一个都可用作数据使能控制。

器件信息
器件型号封装(1)本体尺寸(标称值)
CD74HC164MSOIC (14)8.65mm × 3.90mm
CD74HCT164MSOIC (14)8.65mm × 3.90mm
CD74HC164EPDIP (14)19.31mm × 6.35mm
CD74HCT164EPDIP (14)19.31mm × 6.35mm
CD54HC164FCDIP (14)19.55mm × 6.71mm
有关所有可选封装,请参阅节 11
CD54HC164 CD74HC164 CD54HCT164 CD74HCT164 功能方框图功能方框图