ZHCSQ87E November   1998  – May 2024 CD54HC164 , CD54HCT164 , CD74HC164 , CD74HCT164

PRODUCTION DATA  

  1.   1
  2. 特性
  3. 说明
  4. Pin Configuration and Functions
  5. Specifications
    1. 4.1 Absolute Maximum Ratings
    2. 4.2 Recommended Operating Conditions
    3. 4.3 Thermal Information
    4. 4.4 Electrical Characteristics
    5. 4.5 Prerequisite for Switching Characteristics
    6. 4.6 Switching Characteristics
  6. Parameter Measurement Information
  7. Detailed Description
    1. 6.1 Overview
    2. 6.2 Functional Block Diagram
    3. 6.3 Device Functional Modes
  8. Power Supply Recommendations
  9. Layout
    1. 8.1 Layout Guidelines
  10. Device and Documentation Support
    1. 9.1 Documentation Support
    2. 9.2 接收文档更新通知
    3. 9.3 支持资源
    4. 9.4 Trademarks
    5. 9.5 静电放电警告
    6. 9.6 术语表
  11. 10Revision History
  12. 11Mechanical, Packaging, and Orderable Information

封装选项

请参考 PDF 数据表获取器件具体的封装图。

机械数据 (封装 | 引脚)
  • D|14
  • N|14
散热焊盘机械数据 (封装 | 引脚)
订购信息

Parameter Measurement Information

Phase relationships between waveforms were chosen arbitrarily. All input pulses are supplied by generators having the following characteristics: PRR ≤ 1MHz, ZO = 50Ω, tt < 6ns.

For clock inputs, fmax is measured when the input duty cycle is 50%.

The outputs are measured one at a time with one input transition per measurement.

CD54HC164 CD74HC164 CD54HCT164 CD74HCT164 Voltage Waveforms,
                        Standard CMOS Inputs Pulse DurationFigure 5-1 Voltage Waveforms, Standard CMOS Inputs Pulse Duration
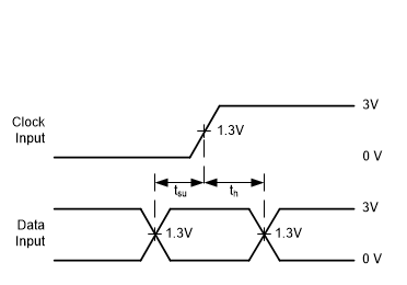
CD54HC164 CD74HC164 CD54HCT164 CD74HCT164 Voltage Waveforms,
                        Standard CMOS Inputs Setup and Hold TimesFigure 5-2 Voltage Waveforms, Standard CMOS Inputs Setup and Hold Times
CD54HC164 CD74HC164 CD54HCT164 CD74HCT164 Voltage Waveforms,
                        TTL-Compatible CMOS Inputs Pulse DurationFigure 5-3 Voltage Waveforms, TTL-Compatible CMOS Inputs Pulse Duration
CD54HC164 CD74HC164 CD54HCT164 CD74HCT164 Voltage Waveforms,
                        TTL-Compatible CMOS Inputs Setup and Hold TimesFigure 5-4 Voltage Waveforms, TTL-Compatible CMOS Inputs Setup and Hold Times