ZHCSCF9 May 2014 BUF16821-Q1
PRODUCTION DATA.
| MIN | MAX | UNIT | |||
|---|---|---|---|---|---|
| VS | Supply voltage | 22 | V | ||
| DVDD | Digital power supply (VSD pin) | 6 | V | ||
| Digital input pins | SCL, SDA, AO, BKSEL: voltage | –0.5 | 6 | V | |
| SCL, SDA, AO, BKSEL: current | ±10 | mA | |||
| Output pins, OUT1 through OUT16, VCOM1 and VCOM2(2) | (V–) – 0.5 | (V+) + 0.5 | V | ||
| Output short-circuit(3) | Continuous | ||||
| Ambient operating temperature | –40 | 95 | °C | ||
| TJ | Junction temperature | 125 | °C | ||
| MIN | MAX | UNIT | ||||
|---|---|---|---|---|---|---|
| Tstg | Storage temperature range | –65 | 150 | °C | ||
| V(ESD) | Electrostatic discharge | Human body model (HBM), per AEC Q100-002(1) | –2000 | 2000 | V | |
| Charged device model (CDM), per AEC Q100-011 | Corner pins (1, 14, 15, and 28) | –750 | 750 | |||
| Other pins | –500 | 500 | ||||
| MIN | NOM | MAX | UNIT | ||
|---|---|---|---|---|---|
| VS | Supply voltage | 9.0 | 18.0 | 20.0 | V |
| DVDD | Digital power supply (VSD pin) | 2.0 | 3.3 | 5.5 | V |
| THERMAL METRIC(1) | BUF16821-Q1 | UNIT | |
|---|---|---|---|
| PWP (HTSSOP) | |||
| 28 PINS | |||
| RθJA | Junction-to-ambient thermal resistance | 34.3 | °C/W |
| RθJC(top) | Junction-to-case (top) thermal resistance | 19.9 | |
| RθJB | Junction-to-board thermal resistance | 17.4 | |
| ψJT | Junction-to-top characterization parameter | 0.7 | |
| ψJB | Junction-to-board characterization parameter | 17.2 | |
| RθJC(bot) | Junction-to-case (bottom) thermal resistance | 3.0 | |
| PARAMETER | CONDITIONS | MIN | TYP | MAX | UNIT | ||
|---|---|---|---|---|---|---|---|
| ANALOG GAMMA BUFFER CHANNELS | |||||||
| Reset value | Code 512 | 9 | V | ||||
| OUT 1–16 output swing: high | Code = 1023, sourcing 10 mA, TA = –40°C to 85°C | 17.7 | 17.85 | V | |||
| OUT 1–16 output swing: low | Code = 0, sinking 10 mA, TA = –40°C to 85°C | 0.07 | 0.3 | V | |||
| VCOM1, 2 output swing: high | Code = 1023, sourcing 100 mA, TA = –40°C to 85°C | 13 | 16.2 | V | |||
| VCOM1, 2 output swing: low | Code = 0, sinking 100 mA, TA = –40°C to 85°C | 0.6 | 2 | V | |||
| Continuous output current(1) | 30 | mA | |||||
| Output accuracy | ±20 | ±50 | mV | ||||
| Output accuracy over temperature | Code 512, TA = –40°C to 85°C | ±25 | μV/°C | ||||
| INL | Integral nonlinearity | 0.3 | LSB | ||||
| DNL | Differential nonlinearity | 0.3 | LSB | ||||
| ΔVO(ΔIO) | Load regulation, 10 mA | Code 512 or VCC / 2, IOUT = 5-mA to –5-mA step | 0.5 | 1.5 | mV/mA | ||
| OTP MEMORY | |||||||
| Number of OTP write cycles | 16 | Cycles | |||||
| Memory retention | 100 | Years | |||||
| ANALOG POWER SUPPLY | |||||||
| Operating range | 9 | 20 | V | ||||
| ICC(tot) | Total analog supply current | Outputs at reset values, no load | 12 | 14 | mA | ||
| ICC(tot) over temperature | TA = –40°C to 85°C | 18 | mA | ||||
| DIGITAL | |||||||
| VIH | Logic 1 high input voltage | 0.7 × VSD | V | ||||
| VIL | Logic 0 low input voltage | 0.3 × VSD | V | ||||
| VOL | Logic 0 low output voltage | ISINK = 3 mA | 0.15 | 0.4 | V | ||
| Input leakage | ±0.01 | ±10 | μA | ||||
| fCLK | Clock frequency | Standard, fast mode, TA = –40°C to 85°C | 400 | kHz | |||
| High-speed mode, TA = –40°C to 85°C | 2.7 | MHz | |||||
| DIGITAL POWER SUPPLY | |||||||
| DVDD | Digital power supply (VSD pin) | 2.0 | 5.5 | V | |||
| ISD | Digital supply current(1) | Outputs at reset values, no load, two-wire bus inactive | 115 | 150 | μA | ||
| ISD over temperature | TA = –40°C to 85°C | 115 | μA | ||||
| TEMPERATURE RANGE | |||||||
| Specified range | –40 | 85 | °C | ||||
| Operating range | Junction temperature < 125°C | –40 | 95 | °C | |||
| Storage range | –65 | 150 | °C | ||||
| RθJA | Thermal resistance, HTSSOP-28(1)(2) |
40 | °C/W | ||||
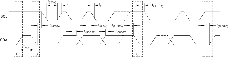
| PARAMETER | FAST MODE | HIGH-SPEED MODE | UNIT | |||
|---|---|---|---|---|---|---|
| MIN | MAX | MIN | MAX | |||
| f(SCL) | SCL operating frequency | 0.001 | 0.4 | 0.001 | 2.7 | MHz |
| t(BUF) | Bus free time between stop and start conditions | 1300 | 230 | ns | ||
| t(HDSTA) | Hold time after repeated start condition. After this period, the first clock is generated. | 600 | 230 | ns | ||
| t(SUSTA) | Repeated start condition setup time | 600 | 230 | ns | ||
| t(SUSTO) | Stop condition setup time | 600 | 230 | ns | ||
| t(HDDAT) | Data hold time | 20 | 900 | 20 | 130 | ns |
| t(SUDAT) | Data setup time | 100 | 20 | ns | ||
| t(LOW) | SCL clock low period | 1300 | 230 | ns | ||
| t(HIGH) | SCL clock high period | 600 | 60 | ns | ||
| tR(SDA), tF(SDA) | Data rise and fall time | 300 | 80 | ns | ||
| tR(SCL), tF(SCL) | Clock rise and fall time | 300 | 40 | ns | ||
| tR | Clock and data rise time for SCLK ≤ 100 kHz | 1000 | ns | |||
Figure 1. Timing Requirements Diagram


| 10 Typical Units Shown | ||




