ZHCSIH4C June   2018  – June 2025 BQ40Z80

PRODUCTION DATA  

  1.   1
  2. 特性
  3. 应用
  4. 说明
  5. 引脚配置和功能
  6. 规格
    1. 5.1 绝对最大额定值
    2. 5.2 ESD 等级
    3. 5.3 建议运行条件
    4. 5.4 热性能信息
    5. 5.5 电气特性
    6. 5.6 典型特性
  7. 详细说明
    1. 6.1 概述
    2. 6.2 功能方框图
    3. 6.3 特性说明
      1. 6.3.1  初级(一级)安全特性
      2. 6.3.2  次级(二级)安全特性
      3. 6.3.3  充电控制特性
      4. 6.3.4  Gas Gauging
      5. 6.3.5  多功能引脚
      6. 6.3.6  配置
        1. 6.3.6.1 振荡器功能
        2. 6.3.6.2 系统存在运行
        3. 6.3.6.3 紧急关闭
        4. 6.3.6.4 2 节、3 节、4 节、5 节或 6 节串联电芯配置
        5. 6.3.6.5 电芯均衡
      7. 6.3.7  电池参数测量
        1. 6.3.7.1 充电和放电计数
      8. 6.3.8  寿命数据记录特性
      9. 6.3.9  身份验证
      10. 6.3.10 防篡改
      11. 6.3.11 LED 显示
      12. 6.3.12 IATA 支持
      13. 6.3.13 电压
      14. 6.3.14 电流
      15. 6.3.15 温度
      16. 6.3.16 通信
        1. 6.3.16.1 SMBus 开启和关闭状态
        2. 6.3.16.2 SBS 命令
    4. 6.4 器件功能模式
  8. 应用和实施
    1. 7.1 应用信息免责声明
    2. 7.2 应用信息
    3. 7.3 典型应用
      1. 7.3.1 设计要求
      2. 7.3.2 详细设计过程
        1. 7.3.2.1 使用带 BQSTUDIO 的 BQ40Z80EVM
        2. 7.3.2.2 高电流路径
          1. 7.3.2.2.1 保护 FET
          2. 7.3.2.2.2 化学保险丝
          3. 7.3.2.2.3 锂离子电芯连接
          4. 7.3.2.2.4 检测电阻
          5. 7.3.2.2.5 降低 ESD
        3. 7.3.2.3 电量监测计电路
          1. 7.3.2.3.1 库伦计数接口
          2. 7.3.2.3.2 电源去耦和 PBI
          3. 7.3.2.3.3 系统存在
          4. 7.3.2.3.4 SMBus 通信
          5. 7.3.2.3.5 FUSE 电路
        4. 7.3.2.4 次级电流保护
          1. 7.3.2.4.1 电芯和电池输入
          2. 7.3.2.4.2 外部电芯均衡
          3. 7.3.2.4.3 PACK 和 FET 控制
          4. 7.3.2.4.4 预放电控制
          5. 7.3.2.4.5 温度输出
          6. 7.3.2.4.6 LED
      3. 7.3.3 应用曲线
    4. 7.4 电源相关建议
    5. 7.5 布局
      1. 7.5.1 布局指南
        1. 7.5.1.1 保护器 FET 旁路电容器和电池包端子旁路电容器
        2. 7.5.1.2 ESD 火花隙
      2. 7.5.2 布局示例
  9. 器件和文档支持
    1. 8.1 器件支持
      1. 8.1.1 第三方产品免责声明
    2. 8.2 文档支持
      1. 8.2.1 相关文档
    3. 8.3 接收文档更新通知
    4. 8.4 支持资源
    5. 8.5 商标
    6. 8.6 静电放电警告
    7. 8.7 术语表
  10. 修订历史记录
  11. 10机械、封装和可订购信息

封装选项

机械数据 (封装 | 引脚)
散热焊盘机械数据 (封装 | 引脚)
订购信息

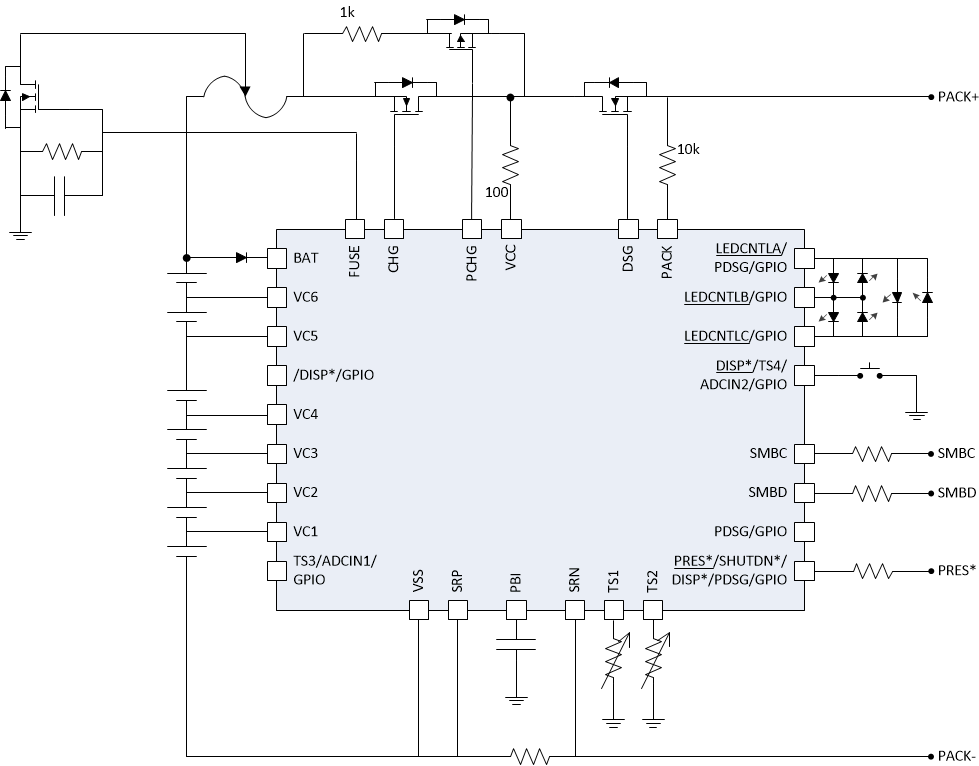
多功能引脚

BQ40Z80 包含多个多功能引脚,固件使用这些引脚实现不同的功能。图 6-1 是一个示例系统实现的简化原理图,该示例系统实现使用具有 PRECHARGE 模式的 6 节串联电池包、六个 LED、两个热敏电阻和系统存在功能。

BQ40Z80 BQ40Z80 配置的简化原理图图 6-1 BQ40Z80 配置的简化原理图

表 6-1 汇总了其他常见配置。

表 6-1 BQ40Z80 多功能引脚组合
电芯数(具有均衡功能) 热敏电阻数量 LED LED 按钮 预放电 SYSPRES
2S–6S 4 是(使用 DISP 是(使用 PDSG)