ZHCSQP3B September   2023  – September 2023 AMC131M03

PRODUCTION DATA  

  1.   1
  2. 特性
  3. 应用
  4. 说明
  5. 修订历史记录
  6. 引脚配置和功能
  7. 规格
    1. 6.1  绝对最大额定值
    2. 6.2  ESD 等级
    3. 6.3  建议运行条件
    4. 6.4  热性能信息
    5. 6.5  绝缘规格
    6. 6.6  安全相关认证
    7. 6.7  安全限值
    8. 6.8  电气特性
    9. 6.9  时序要求
    10. 6.10 开关特性
    11. 6.11 时序图
    12. 6.12 典型特性
  8. 参数测量信息
    1. 7.1 噪声测量
  9. 详细说明
    1. 8.1 概述
    2. 8.2 功能方框图
    3. 8.3 特性说明
      1. 8.3.1  隔离式直流/直流转换器
        1. 8.3.1.1 直流/直流转换器故障检测
      2. 8.3.2  高侧电流驱动能力
      3. 8.3.3  隔离通道信号传输
      4. 8.3.4  输入 ESD 保护电路
      5. 8.3.5  输入多路复用器
      6. 8.3.6  可编程增益放大器 (PGA)
      7. 8.3.7  电压基准
      8. 8.3.8  内部测试信号
      9. 8.3.9  时钟和功耗模式
      10. 8.3.10 ΔΣ 调制器
      11. 8.3.11 数字滤波器
        1. 8.3.11.1 数字滤波器实现
          1. 8.3.11.1.1 快速稳定滤波器
          2. 8.3.11.1.2 SINC3 和 SINC3 + SINC1 滤波器
        2. 8.3.11.2 数字滤波器特性
      12. 8.3.12 通道相位校准
      13. 8.3.13 校准寄存器
      14. 8.3.14 寄存器映射 CRC
      15. 8.3.15 温度传感器
        1. 8.3.15.1 内部温度传感器
        2. 8.3.15.2 外部温度传感器
        3. 8.3.15.3 针对温度传感器运行的时钟选择
      16. 8.3.16 通用数字输出 (GPO)
    4. 8.4 器件功能模式
      1. 8.4.1 上电和复位
        1. 8.4.1.1 上电复位
        2. 8.4.1.2 SYNC/RESET 引脚
        3. 8.4.1.3 RESET 命令
      2. 8.4.2 上电后的启动行为
      3. 8.4.3 引脚复位或 RESET 命令后的启动行为
      4. 8.4.4 在 CLKIN 中暂停后的启动行为
      5. 8.4.5 同步
      6. 8.4.6 转换模式
        1. 8.4.6.1 连续转换模式
        2. 8.4.6.2 全局斩波模式
      7. 8.4.7 电源模式
      8. 8.4.8 待机模式
    5. 8.5 编程
      1. 8.5.1 串行接口
        1. 8.5.1.1  片选 (CS)
        2. 8.5.1.2  串行数据时钟 (SCLK)
        3. 8.5.1.3  串行数据输入 (DIN)
        4. 8.5.1.4  串行数据输出 (DOUT)
        5. 8.5.1.5  数据就绪 (DRDY)
        6. 8.5.1.6  转换同步或系统复位 (SYNC/RESET)
        7. 8.5.1.7  SPI 通信帧
        8. 8.5.1.8  SPI 通信字
        9. 8.5.1.9  短 SPI 帧
        10. 8.5.1.10 通信循环冗余校验 (CRC)
        11. 8.5.1.11 SPI 超时
      2. 8.5.2 ADC 转换数据
      3. 8.5.3 命令
        1. 8.5.3.1 NULL (0000 0000 0000 0000)
        2. 8.5.3.2 RESET (0000 0000 0001 0001)
        3. 8.5.3.3 STANDBY (0000 0000 0010 0010)
        4. 8.5.3.4 WAKEUP (0000 0000 0011 0011)
        5. 8.5.3.5 LOCK (0000 0101 0101 0101)
        6. 8.5.3.6 UNLOCK (0000 0110 0101 0101)
        7. 8.5.3.7 RREG (101a aaaa annn nnnn)
          1. 8.5.3.7.1 读取单个寄存器
          2. 8.5.3.7.2 读取多个寄存器
        8. 8.5.3.8 WREG (011a aaaa annn nnnn)
      4. 8.5.4 ADC 输出缓冲器和 FIFO 缓冲器
      5. 8.5.5 第一次或数据收集暂停后收集数据
    6. 8.6 AMC131M03 寄存器
  10. 应用和实现
    1. 9.1 应用信息
      1. 9.1.1 未使用的输入和输出
      2. 9.1.2 抗混叠
      3. 9.1.3 最小接口连接
      4. 9.1.4 多器件配置
      5. 9.1.5 Calibration
      6. 9.1.6 疑难解答
    2. 9.2 典型应用
      1. 9.2.1 设计要求
      2. 9.2.2 详细设计过程
        1. 9.2.2.1 电压测量
        2. 9.2.2.2 分流测量
        3. 9.2.2.3 温度测量
      3. 9.2.3 应用曲线
    3. 9.3 电源相关建议
    4. 9.4 布局
      1. 9.4.1 布局指南
      2. 9.4.2 布局示例
  11. 10器件和文档支持
    1. 10.1 文档支持
      1. 10.1.1 相关文档
    2. 10.2 接收文档更新通知
    3. 10.3 支持资源
    4. 10.4 商标
    5. 10.5 静电放电警告
    6. 10.6 术语表
  12. 11机械、封装和可订购信息

封装选项

机械数据 (封装 | 引脚)
散热焊盘机械数据 (封装 | 引脚)
订购信息

第一次或数据收集暂停后收集数据

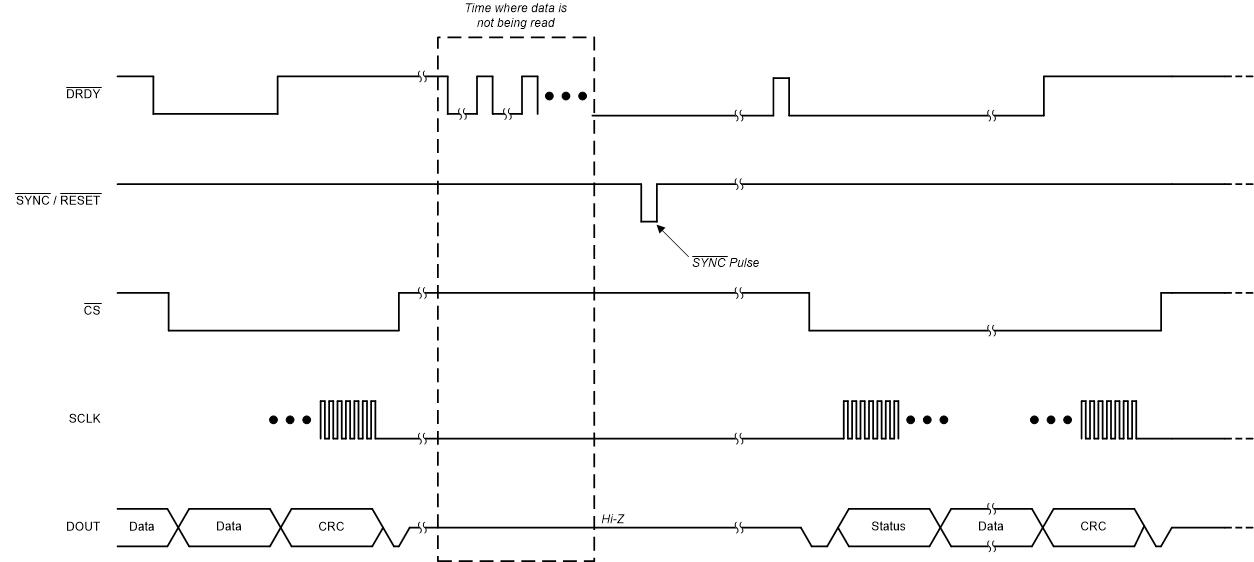
第一次收集数据或暂停后再次开始收集数据时要特别小心。如 第一次或数据收集暂停后收集数据第一次或数据收集暂停后收集数据ADC 输出缓冲器和 FIFO 缓冲器第一次或数据收集暂停后收集数据ADC 输出缓冲器和 FIFO 缓冲器 一节所述,除了 ADC 输出缓冲器外,该器件还包含一个先进先出 (FIFO) 缓冲器。当主机从器件中读取每个连续样本时,每次生成新数据时都会更新两个缓冲器,因此每次读取都会清除 STATUS 寄存器中的 DRDY 标志。但是,如果一段时间内未读取数据,则之前的样本可能会丢失,如 第一次或数据收集暂停后收集数据第一次或数据收集暂停后收集数据ADC 输出缓冲器和 FIFO 缓冲器第一次或数据收集暂停后收集数据ADC 输出缓冲器和 FIFO 缓冲器 一节所述。选通 SYNC/RESET 引脚以重新同步转换并清除缓冲区,或者在第一次读取数据时或在读取数据间隙后快速读取两个数据包。该过程可确保 DRDY 引脚行为是可预测的。有关同步功能的信息,请参阅同步同步同步同步同步 一节。如果从 ADC 启用时开始的每个输出数据周期读取每个通道数据,则不需要采用这些方法。

图 8-31 展示了一个示例,说明如何在 ADC 运行一段时间后收集数据,但没有数据被检索到。在这种情况下,SYNC/RESET 引脚会清除内部缓冲区并将 AMC131M03 输出数据与主机重新对齐。

GUID-4B6184E5-304B-4D49-ACE9-79360BB0848C-low.gif图 8-31 使用 SYNC/RESET 引脚在暂停后收集数据

在暂停收集数据后清除 FIFO 的另一种功能等效方法是从快速连续读取两个样本开始。图 8-32 展示了该方法。该示例显示当 MODE 寄存器中的 DRDY_FMT 位设置为 0b 时 DRDY 为电平输出。在第一组数据移出器件后,DRDY 上立即出现一个非常窄的脉冲。该脉冲可能太窄,某些微控制器无法检测到。因此,不要依赖这个脉冲,而是在第一个数据集之后立即读出第二个数据集。从器件读取第二个字后,主机与器件同步运行。

GUID-CFE763AB-8179-43AA-8082-414FFA65E710-low.gif图 8-32 通过两次读取数据在暂停后收集数据