ZHCSGB9D June   2017  – October 2024 AMC1303E0510 , AMC1303E0520 , AMC1303E2510 , AMC1303E2520 , AMC1303M0510 , AMC1303M0520 , AMC1303M2510 , AMC1303M2520

PRODUCTION DATA  

  1.   1
  2. 特性
  3. 应用
  4. 说明
  5. 器件比较表
  6. 引脚配置和功能
  7. 规格
    1. 6.1  绝对最大额定值
    2. 6.2  ESD 等级
    3. 6.3  建议运行条件
    4. 6.4  热性能信息
    5. 6.5  功率等级
    6. 6.6  绝缘规格
    7. 6.7  安全相关认证
    8. 6.8  安全限值
    9. 6.9  电气特性:AMC1303x05x
    10. 6.10 电气特性:AMC1303x25x
    11. 6.11 开关特性
    12. 6.12 时序图
    13. 6.13 绝缘特性曲线
    14. 6.14 典型特性
  8. 详细说明
    1. 7.1 概述
    2. 7.2 功能方框图
    3. 7.3 特性说明
      1. 7.3.1 模拟输入
      2. 7.3.2 调制器
      3. 7.3.3 隔离通道信号传输
      4. 7.3.4 数字输出
      5. 7.3.5 曼彻斯特编码功能
    4. 7.4 器件功能模式
      1. 7.4.1 失效防护输出
      2. 7.4.2 满标量程输入情况下的输出行为
  9. 应用和实施
    1. 8.1 应用信息
      1. 8.1.1 数字滤波器用途
    2. 8.2 典型应用
      1. 8.2.1 变频器应用
        1. 8.2.1.1 设计要求
        2. 8.2.1.2 详细设计过程
        3. 8.2.1.3 应用曲线
      2. 8.2.2 隔离电压检测
        1. 8.2.2.1 设计要求
        2. 8.2.2.2 详细设计过程
        3. 8.2.2.3 应用曲线
      3. 8.2.3 最佳设计实践
    3. 8.3 电源相关建议
    4. 8.4 布局
      1. 8.4.1 布局指南
      2. 8.4.2 布局示例
  10. 器件和文档支持
    1. 9.1 器件支持
      1. 9.1.1 器件命名规则
        1. 9.1.1.1 隔离相关术语
    2. 9.2 文档支持
      1. 9.2.1 相关文档
    3. 9.3 接收文档更新通知
    4. 9.4 支持资源
    5. 9.5 商标
    6. 9.6 静电放电警告
    7. 9.7 术语表
  11. 10修订历史记录
  12. 11机械、封装和可订购信息

封装选项

机械数据 (封装 | 引脚)
散热焊盘机械数据 (封装 | 引脚)
订购信息

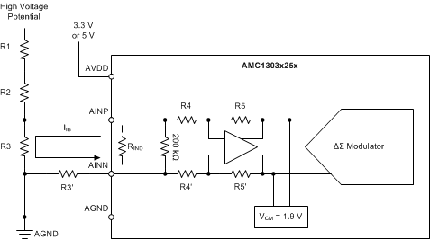
隔离电压检测

AMC1303 经过优化,可用于使用低电阻分流器的电流检测应用。然而,只要考虑输入偏置电流的影响,该器件也适用于隔离式电压检测应用。为获得最佳性能,在此类用例中使用 ±250mV 的器件版本 (AMC1303x25xx)。

图 8-6 显示了高压检测应用中通常使用的简化电路。高值电阻器(R1 和 R2)用作分压器,并决定了电流值定义。选择感应电阻器 R3 的电阻时,需满足 AMC1303 的输入电压范围。该电阻器和 AMC1303x25x 的差分输入电阻 (22kΩ) 也会形成分压器,从而产生额外的增益误差。假设 R1、R2 和 RIND 具有比 R3 高得多的值,可使用方程式 4(其中 EG 是 AMC1303 的增益误差)来估计所得到的总增益误差。

 

方程式 4. AMC1303E0510 AMC1303M0510 AMC1303E0520 AMC1303M0520   AMC1303E2510 AMC1303M2510 AMC1303E2520 AMC1303M2520

 

在初始系统级增益校准过程中,可将此增益误差降至最低。

AMC1303E0510 AMC1303M0510 AMC1303E0520 AMC1303M0520   AMC1303E2510 AMC1303M2510 AMC1303E2520 AMC1303M2520 使用 AMC1303x25x 进行隔离式电压感应图 8-6 使用 AMC1303x25x 进行隔离式电压感应