ZHCSVF3P December   1990  – March 2024 AM26C31

PRODUCTION DATA  

  1.   1
  2. 特性
  3. 应用
  4. 说明
  5. Pin Configuration and Functions
  6. Specifications
    1. 5.1 Absolute Maximum Ratings
    2. 5.2 ESD Ratings
    3. 5.3 Recommended Operating Conditions
    4. 5.4 Thermal Information
    5. 5.5 Electrical Characteristics: AM26C31C and AM26C31I
    6. 5.6 Electrical Characteristics: AM26C31Q and AM26C31M
    7. 5.7 Switching Characteristics: AM26C31C and AM26C31I
    8. 5.8 Switching Characteristics: AM26C31Q and AM26C31M
    9. 5.9 Typical Characteristics
  7. Parameter Measurement Information
  8. Detailed Description
    1. 7.1 Overview
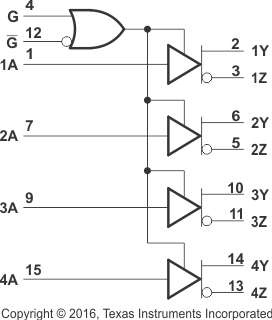
    2. 7.2 Functional Block Diagrams
    3. 7.3 Feature Description
      1. 7.3.1 Active-High and Active-Low
      2. 7.3.2 Operates From a Single 5V Supply
    4. 7.4 Device Functional Modes
  9. Application Information Disclaimer
    1. 8.1 Application Information
    2. 8.2 Typical Application
      1. 8.2.1 Design Requirements
      2. 8.2.2 Detailed Design Procedure
      3. 8.2.3 Application Curve
    3. 8.3 Power Supply Recommendations
    4. 8.4 Layout
      1. 8.4.1 Layout Guidelines
      2. 8.4.2 Layout Example
  10. Device and Documentation Support
    1. 9.1 接收文档更新通知
    2. 9.2 支持资源
    3. 9.3 Trademarks
    4. 9.4 静电放电警告
    5. 9.5 术语表
  11. 10Revision History
  12. 11Mechanical, Packaging, and Orderable Information

封装选项

机械数据 (封装 | 引脚)
散热焊盘机械数据 (封装 | 引脚)
订购信息

Functional Block Diagrams

GUID-B6F87044-5611-48D4-AF31-46C71E30741D-low.gif
Pin numbers shown are for the D, DB, J, N, NS, PW, and W packages.
Figure 7-1 Logic Diagram (Positive Logic)
GUID-FAF016CF-2BE1-4E5C-96E9-77C8A6A7788A-low.gif Figure 7-2 Schematics of Inputs and Outputs