ZHCS339E August   2010  – June 2019 AFE031

PRODUCTION DATA.  

  1. 特性
  2. 应用
  3. 说明
    1.     Device Images
  4. 修订历史记录
  5. 说明(续)
  6. Device Comparison Table
  7. Pin Configuration and Functions
    1.     Pin Functions
  8. Specifications
    1. 8.1  Absolute Maximum Ratings
    2. 8.2  ESD Ratings
    3. 8.3  Thermal Information
    4. 8.4  Electrical Characteristics: Transmitter (Tx)
    5. 8.5  Electrical Characteristics: Power Amplifier (PA)
    6. 8.6  Electrical Characteristics: Receiver (Rx)
    7. 8.7  Electrical Characteristics: Digital
    8. 8.8  Electrical Characteristics: Two-Wire Interface
    9. 8.9  Electrical Characteristics: Internal Bias Generator
    10. 8.10 Electrical Characteristics: Power Supply
    11. 8.11 Timing Requirements
    12. 8.12 Timing Diagrams
    13. 8.13 Typical Characteristics
  9. Detailed Description
    1. 9.1 Functional Block Diagram
    2. 9.2 Feature Description
      1. 9.2.1 PA Block
      2. 9.2.2 Tx Block
      3. 9.2.3 Rx Block
      4. 9.2.4 DAC Block
      5. 9.2.5 REF1 and REF2 Blocks
      6. 9.2.6 Zero Crossing Detector Block
      7. 9.2.7 ETx and ERx Blocks
    3. 9.3 Power Supplies
    4. 9.4 Pin Descriptions
      1. 9.4.1 Current Overload
      2. 9.4.2 Thermal Overload
    5. 9.5 Calibration Modes
      1. 9.5.1 Tx Calibration Mode
      2. 9.5.2 Rx Calibration Mode
    6. 9.6 Serial Interface
  10. 10Application and Implementation
    1. 10.1 Application Information
    2. 10.2 Typical Application
      1. 10.2.1 Detailed Design Procedure
        1. 10.2.1.1 Line-Coupling Circuit
        2. 10.2.1.2 Circuit Protection
        3. 10.2.1.3 Thermal Considerations
  11. 11器件和文档支持
    1. 11.1 器件支持
      1. 11.1.1 第三方产品免责声明
      2. 11.1.2 开发支持
        1. 11.1.2.1 电力线通信开发者套件
        2. 11.1.2.2 TINA-TI™(免费软件下载)
        3. 11.1.2.3 TI 高精度设计
        4. 11.1.2.4 WEBENCH滤波器设计器
    2. 11.2 文档支持
      1. 11.2.1 相关文档
    3. 11.3 接收文档更新通知
    4. 11.4 社区资源
    5. 11.5 商标
    6. 11.6 静电放电警告
    7. 11.7 Glossary
  12. 12机械、封装和可订购信息

封装选项

机械数据 (封装 | 引脚)
散热焊盘机械数据 (封装 | 引脚)
订购信息

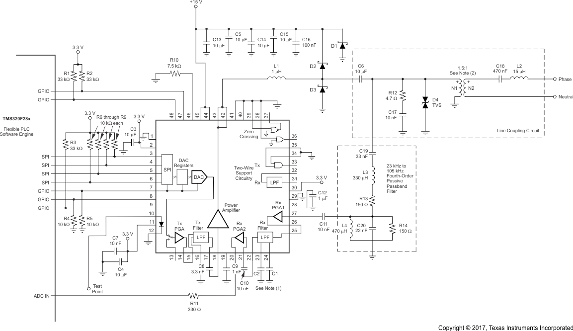
Typical Application

Figure 48 shows the AFE031 configured in a typical PLC analog front-end application. The schematic shows the connections to the microprocessor and ac line. The values of the passive components in Figure 48 are suitable for a single-phase powerline communications application in the CENELEC A band, connected to a 120-VAC or 240-VAC, 50-Hz or 60-Hz ac line.

AFE031 ai_basic_schm_bos531.gif
Recommended values for C1 and C2:
  1. C1:
    • CENELEC A: 680 pF
    • CENELEC B, C, D: 270 pF
  2. C2:
    • CENELEC A: 680 pF
    • CENELEC B, C, D: 560 pF
Figure 48. Typical Powerline Communications Modem Application