ZHCSE51 September   2015 TPS657095

PRODUCTION DATA.  

  1. 特性
  2. 应用
  3. 说明
  4. 修订历史记录
  5. Pin Configuration and Functions
  6. Specifications
    1. 6.1 Absolute Maximum Ratings
    2. 6.2 ESD Ratings
    3. 6.3 Recommended Operating Conditions
    4. 6.4 Thermal Information
    5. 6.5 Electrical Characteristics
    6. 6.6 Timing Requirements
    7. 6.7 Typical Characteristics
  7. Detailed Description
    1. 7.1 Overview
    2. 7.2 Functional Block Diagram
    3. 7.3 Feature Description
      1. 7.3.1  State Diagram
      2. 7.3.2  Power-up Timing
      3. 7.3.3  GPO
      4. 7.3.4  GPIO
      5. 7.3.5  LED_EN
      6. 7.3.6  Minimum-On-Time Feature
      7. 7.3.7  PWM Dimming
      8. 7.3.8  Crystal Oscillator and CLKOUT
      9. 7.3.9  LDOs
      10. 7.3.10 Undervoltage Lockout
      11. 7.3.11 Power Up/Power Down Default States
      12. 7.3.12 Output Voltage Discharge for LDO1 and LDO2
      13. 7.3.13 Power-Good Status Bits for LDO1 and LDO2
      14. 7.3.14 Short-Circuit Protection
      15. 7.3.15 Thermal Shutdown
      16. 7.3.16 LED Driver
      17. 7.3.17 4kByte OTP Memory
        1. 7.3.17.1 Programming the 4KByte OTP Memory
    4. 7.4 Device Functional Modes
      1. 7.4.1 Shutdown Mode
      2. 7.4.2 Operational Mode
    5. 7.5 Programming
      1. 7.5.1 Serial Interface
    6. 7.6 Register Map
      1. 7.6.1  DEV_AND_REV_ID Register Address: 00h
      2. 7.6.2  OTP_REV Register Address: 01h
      3. 7.6.3  GPIO_CTRL Register Address: 02h
      4. 7.6.4  PWM_OSC_CNTRL Register Address: 03h
      5. 7.6.5  ISINK_CURRENT Register Address: 04h
      6. 7.6.6  LDO_CTRL Register Address: 05h
      7. 7.6.7  LDO1_VCTRL Register Address: 06h
      8. 7.6.8  LDO2_VCTRL Register Address: 07h
      9. 7.6.9  PWM_DUTY_THR_L Register Address: 08h
      10. 7.6.10 PWM_DUTY_THR_H Register Address: 09h
      11. 7.6.11 MIN_ON_TIME_THR Register Address: 0Ah
      12. 7.6.12 PWM_DUTY_L Register Address: 0Bh
      13. 7.6.13 PWM_DUTY_H Register Address: 0Ch
      14. 7.6.14 MIN_ON_TIME Register Address: 0Dh
      15. 7.6.15 SPARE Register Address: 0Eh
      16. 7.6.16 4K_OTP_PASSWORD Register Address: 0Fh
  8. Application and Implementation
    1. 8.1 Application Information
    2. 8.2 Typical Application
      1. 8.2.1 Design Requirements
      2. 8.2.2 Detailed Design Procedure
        1. 8.2.2.1 Output Capacitor Selection
        2. 8.2.2.2 Input Capacitor Selection
      3. 8.2.3 Application Curves
  9. Power Supply Recommendations
  10. 10Layout
    1. 10.1 Layout Guidelines
    2. 10.2 Layout Example
  11. 11器件和文档支持
    1. 11.1 器件支持
      1. 11.1.1 Third-Party Products Disclaimer
    2. 11.2 社区资源
    3. 11.3 商标
    4. 11.4 静电放电警告
    5. 11.5 Glossary
  12. 12机械、封装和可订购信息
    1. 12.1 封装概要
    2. 12.2 芯片尺寸封装尺寸

封装选项

机械数据 (封装 | 引脚)
散热焊盘机械数据 (封装 | 引脚)
订购信息

1 特性

  • 2 个 100mA 低压降稳压器 (LDO)
  • 输出电压精度为 ±1.5%
  • VIN 范围为 3.7V 至 6V
  • 具有 PWM 调光功能的 LED 驱动器
  • 1 GPO
  • 1 个 GPIO
  • I2C™ 接口
  • 4KB 用户一次性可编程 (OTP) 存储器
  • 采用 16 焊球 0.4mm 间距芯片尺寸球栅阵列封装 (DSBGA)

2 应用

  • 笔记本电脑
  • 可拆卸平板电脑
  • 平板电脑
  • 监视器
  • 智能手机

3 说明

TPS657095 是面向嵌入式摄像头模块或其他便携式低功耗消费类终端设备的电源管理单元。 其包含两个由 I2C™ 接口使能的 LDO、一个用于驱动单个发光二极管 (LED) 的脉宽调制 (PWM) 可调光电流阱、一个通用输出 (GPO)、一个可编程时钟发生器和 4KB 的用户 OTP 存储器。 如果输入电压电源低于内部欠压锁定值,则该器件将被禁止运行。

此器件采用 16 焊球芯片尺寸球栅阵列封装 (DSBGA),焊球间距为 0.4mm。

器件信息(1)

器件型号 封装 封装尺寸(标称值)
TPS657095 DSBGA (16) 1.70mm x 1.70mm
  1. 要了解所有可用封装,请见数据表末尾的可订购产品附录。

空白

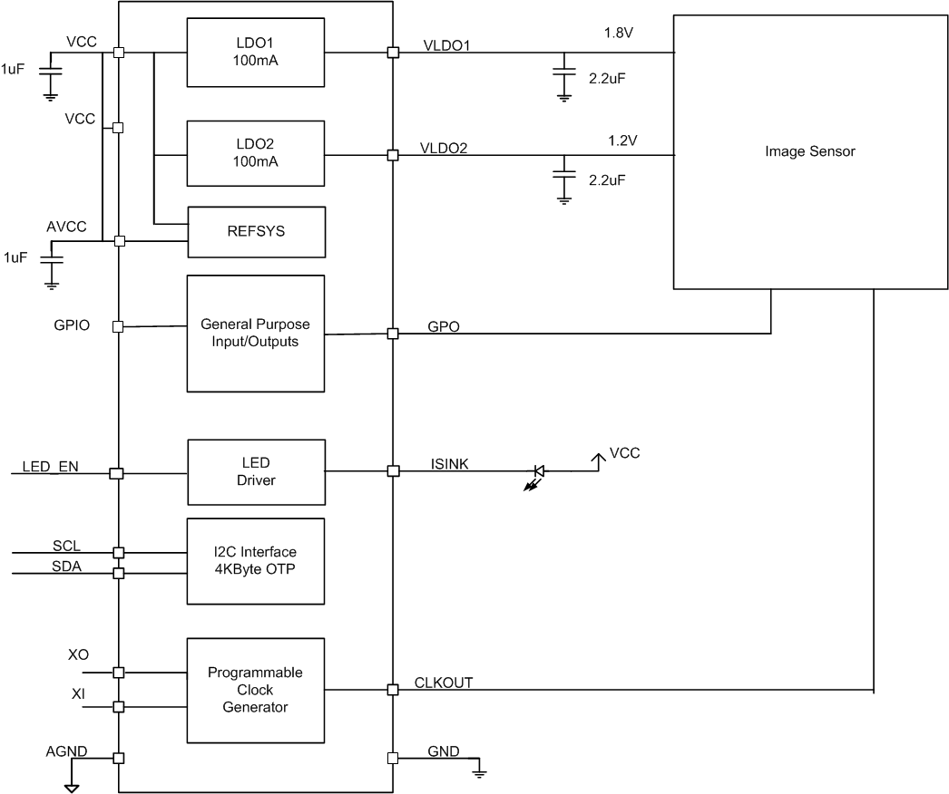
应用电路

TPS657095 App_Circuit_TPS.gif