ZHCUAU6A March   2023  – April 2024 LP5891-Q1

 

  1.   1
  2.   说明
  3.   特性
  4.   应用
  5.   5
  6. 1评估模块概述
    1. 1.1 简介
    2. 1.2 套件内容
    3. 1.3 规格
    4. 1.4 器件信息
  7. 2硬件
    1. 2.1 功能描述
    2. 2.2 测试设置
      1. 2.2.1 系统/工具要求
      2. 2.2.2 单个器件的硬件设置
      3. 2.2.3 双级联器件的硬件设置
  8. 3软件
    1. 3.1 软件设置
  9. 4硬件设计文件
    1. 4.1 原理图
    2. 4.2 PCB 布局
    3. 4.3 物料清单
  10. 5其他信息
    1. 5.1 其他资源
    2. 5.2 商标
  11. 6修订历史记录

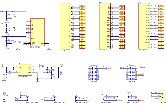
原理图

EVM 的原理图如下所示。

LP5891Q1EVM LP5891Q1EVM 原理图(第 1 个,共 4 个)图 4-1 LP5891Q1EVM 原理图(第 1 个,共 4 个)
LP5891Q1EVM LP5891Q1EVM 原理图(第 2 个,共 4 个)图 4-2 LP5891Q1EVM 原理图(第 2 个,共 4 个)
LP5891Q1EVM LP5891Q1EVM 原理图(第 3 个,共 4 个)图 4-3 LP5891Q1EVM 原理图(第 3 个,共 4 个)
LP5891Q1EVM LP5891Q1EVM 原理图(第 4 个,共 4 个)图 4-4 LP5891Q1EVM 原理图(第 4 个,共 4 个)