ZHCUAR1B february   2023  – may 2023 TPS7H5001-SP

 

  1.   1
  2.   摘要
  3.   商标
  4. 1引言
  5. 2系统设计原理
    1. 2.1  开关频率
    2. 2.2  前沿消隐
    3. 2.3  死区时间
    4. 2.4  使能和 UVLO
    5. 2.5  输出电压编程
    6. 2.6  软启动
    7. 2.7  检测电路
    8. 2.8  故障模式
    9. 2.9  断续模式
    10. 2.10 斜率补偿
    11. 2.11 输出电容
    12. 2.12 补偿
  6. 3测试结果
  7. 4物料清单
  8. 5原理图
  9. 6PCB 布局
  10. 7参考文献
  11. 8修订历史记录

原理图

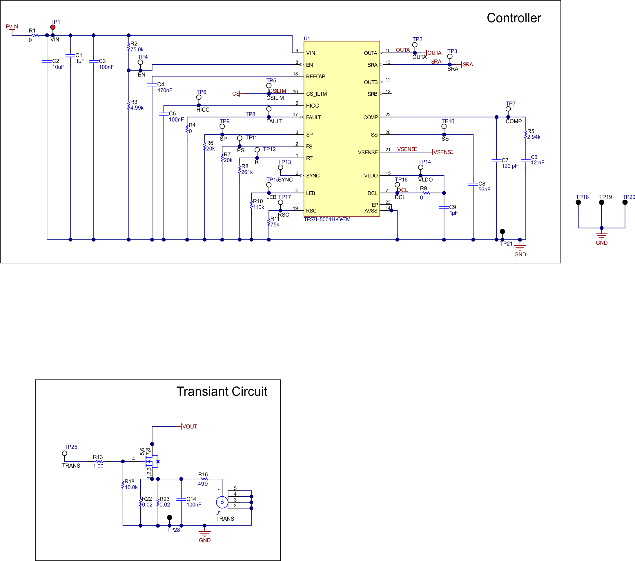
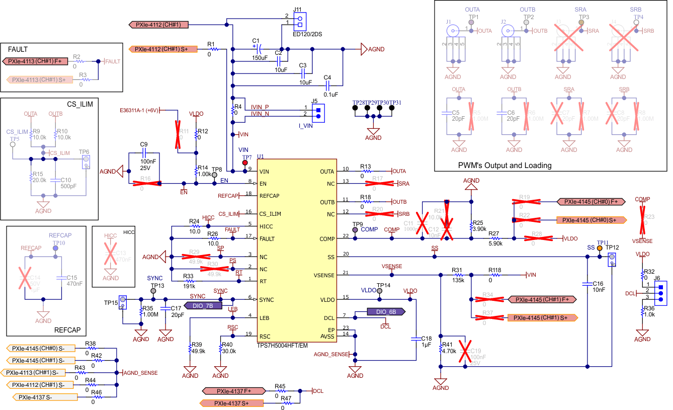
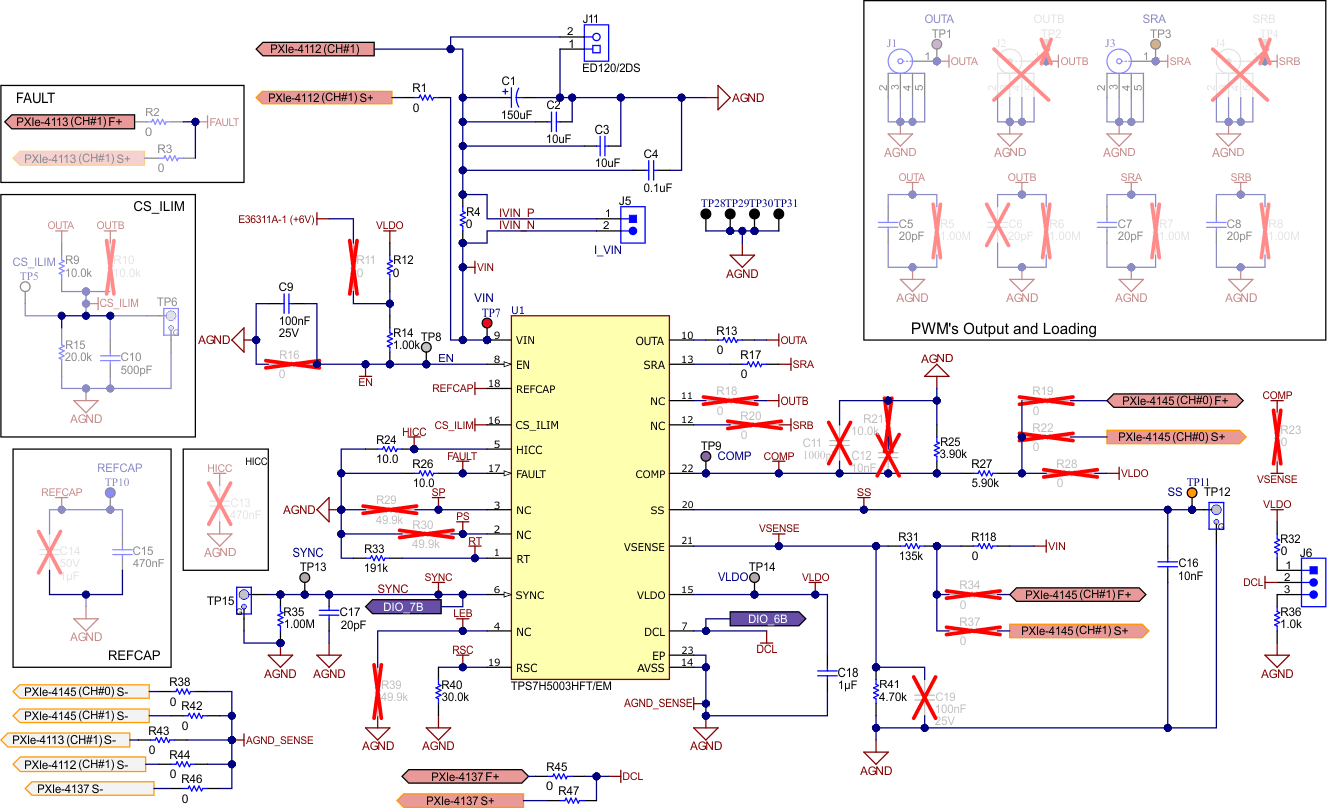
图 5-1图 5-12 显示了 EVM 原理图。

GUID-20221215-SS0I-RJXQ-K2M8-0QFRZ5MD7B1N-low.gif图 5-1 降压转换器原理图(第 1 页)
GUID-20221215-SS0I-Q7WM-6ZWX-BTXNKQPNJK1G-low.svg图 5-2 降压转换器原理图(第 2 页)
GUID-D5BD2F50-7209-4329-B9C3-8C859164A5C3-low.gif图 5-3 TPS7H5001EVM-CVAL 原理图(第 3 页)
GUID-20220222-SS0I-TK8B-WLL1-ZL8NJB5WGLV5-low.gif图 5-4 TPS7H5002EVM-CVAL 原理图(第 1 页)
GUID-20220222-SS0I-TXDQ-QLQL-FVF8JWLPJ7SD-low.gif图 5-5 TPS7H5002EVM-CVAL 原理图(第 2 页)
GUID-20220222-SS0I-H2H2-NS5G-FC14TFQXF7KC-low.gif图 5-6 TPS7H5002EVM-CVAL 原理图(第 3 页)
GUID-20220222-SS0I-KQLB-MM3X-KMLM3TXTDJJM-low.gif图 5-7 TPS7H5003EVM-CVAL 原理图(第 1 页)
GUID-20220222-SS0I-1PFV-3NN7-FPVPMRMM3Z7C-low.gif图 5-8 TPS7H5003EVM-CVAL 原理图(第 2 页)
GUID-20220222-SS0I-DJMG-DV53-VNXBFG0SFQ4C-low.gif图 5-9 TPS7H5003EVM-CVAL 原理图(第 3 页)
GUID-20220222-SS0I-LGZH-MRGQ-0T8BBMSLDZFX-low.gif图 5-10 TPS7H5004EVM-CVAL 原理图(第 1 页)
GUID-20220222-SS0I-ZKNX-NZ4D-PMSV9FDCGRKX-low.gif图 5-11 TPS7H5004EVM-CVAL 原理图(第 2 页)
GUID-20220222-SS0I-JS9P-SLKP-MBNRL3JXVPCK-low.gif图 5-12 TPS7H5004EVM-CVAL 原理图(第 3 页)