ZHCUAJ3A November   2020  – March 2021 TAS2764

 

  1.   摘要
  2.   商标
  3. 说明
  4. TAS2764EVM 各部分说明
  5. 规格
  6. 软件
  7. 默认跳线设置
  8. EVM 设置
  9. 数字音频接口
    1. 7.1 USB
    2. 7.2 直接 (AP/PSIA)
  10. 多通道配置
  11. TAS2764EVM 原理图
  12. 10TAS2764EVM 布局
  13. 11材料清单

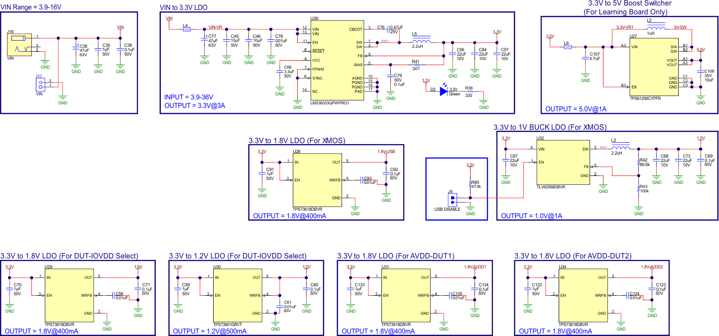
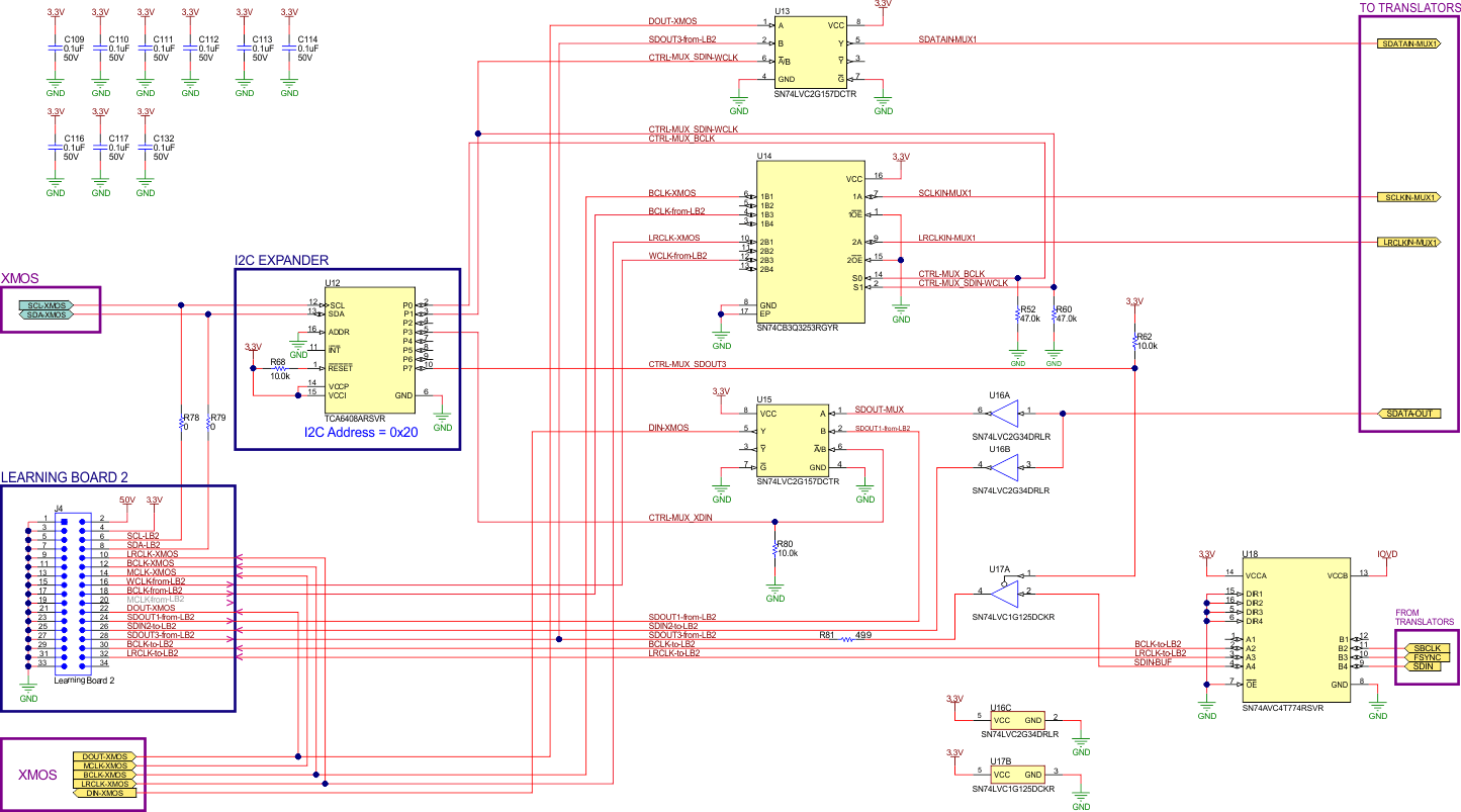
TAS2764EVM 原理图

GUID-20201116-CA0I-GZHQ-CLZ1-8VCVRBBW9NVT-low.gif图 9-1 TAS2764EVM 原理图(第 1 页,共 7 页)
GUID-20201116-CA0I-WHHG-PHQQ-MH8N0H2JF40D-low.gif图 9-2 TAS2764EVM 原理图(第 2 页,共 7 页)

GUID-20201116-CA0I-DXQ6-XKV3-SG0FNPKBRF0M-low.gif图 9-3 TAS2764EVM 原理图(第 3 页,共 7 页)
GUID-20201116-CA0I-RTJD-KQKW-GN68J3SSKJNX-low.gif图 9-4 TAS2764EVM 原理图(第 4 页,共 7 页)
GUID-20201116-CA0I-9WRG-1PF8-NFGXNM0VXG5P-low.gif图 9-5 TAS2764EVM 原理图(第 5 页,共 7 页)
GUID-20201116-CA0I-WXB5-2VHF-QR9WTQRPMD2L-low.gif图 9-6 TAS2764EVM 原理图(第 6 页,共 7 页)
GUID-20201116-CA0I-RS1F-ZRFM-HWFJFFMQTQMS-low.gif图 9-7 TAS2764EVM 原理图(第 7 页,共 7 页)