ZHCU822 March   2021 ISO6721 , ISO6721-Q1 , ISO6741 , ISO6741-Q1 , ISO7021 , ISO7041 , ISO7131CC , ISO7140CC , ISO7140FCC , ISO7141CC , ISO7141FCC , ISO7142CC , ISO7142CC-Q1 , ISO721 , ISO721-Q1 , ISO721M , ISO721M-EP , ISO722 , ISO722-Q1 , ISO7220A , ISO7220A-Q1 , ISO7220B , ISO7220C , ISO7220M , ISO7221A , ISO7221A-Q1 , ISO7221B , ISO7221C , ISO7221C-HT , ISO7221C-Q1 , ISO7221M , ISO722M , ISO7230C , ISO7230M , ISO7231C , ISO7231C-Q1 , ISO7231M , ISO7240C , ISO7240CF , ISO7240CF-Q1 , ISO7240M , ISO7241A-EP , ISO7241C , ISO7241C-Q1 , ISO7241M , ISO7242C , ISO7242C-Q1 , ISO7242M , ISO7310-Q1 , ISO7310C , ISO7310FC , ISO7320-Q1 , ISO7320C , ISO7320FC , ISO7321-Q1 , ISO7321C , ISO7321FC , ISO7330-Q1 , ISO7330C , ISO7330FC , ISO7331-Q1 , ISO7331C , ISO7331FC , ISO7340-Q1 , ISO7340C , ISO7340FC , ISO7341-Q1 , ISO7341C , ISO7341FC , ISO7342-Q1 , ISO7342C , ISO7342FC , ISO7420 , ISO7420E , ISO7420FCC , ISO7420FE , ISO7420M , ISO7421 , ISO7421-EP , ISO7421A-Q1 , ISO7421E , ISO7421E-Q1 , ISO7421FE , ISO7520C , ISO7521C , ISO7631FC , ISO7631FM , ISO7640FM , ISO7641FC , ISO7641FM , ISO7710 , ISO7710-Q1 , ISO7720 , ISO7720-Q1 , ISO7721 , ISO7721-Q1 , ISO7730 , ISO7730-Q1 , ISO7731 , ISO7731-Q1 , ISO7740 , ISO7740-Q1 , ISO7741 , ISO7741-Q1 , ISO7741E-Q1 , ISO7742 , ISO7742-Q1 , ISO7760 , ISO7760-Q1 , ISO7761 , ISO7761-Q1 , ISO7762 , ISO7762-Q1 , ISO7763 , ISO7763-Q1 , ISO7810 , ISO7820 , ISO7821 , ISO7830 , ISO7831 , ISO7840 , ISO7841 , ISO7842 , ISOW7821 , ISOW7840 , ISOW7841 , ISOW7841A-Q1 , ISOW7842 , ISOW7843 , ISOW7844

 

  1.   商标
  2. 1引言
  3. 2不同封装中数字隔离器的引脚配置
  4. 3通用数字隔离器 EVM 图
  5. 4EVM 设置和操作
  6. 5物料清单
  7. 6EVM 原理图和 PCB 布局

不同封装中数字隔离器的引脚配置

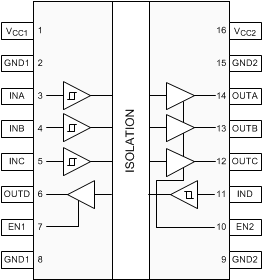
DIGI-ISO-EVM 提供多个未占用的器件封装,允许测试各种隔离器系列中的各种数字隔离器设备。图 2-1图 2-18 显示了可在此 EVM 上进行测试的数字隔离器所有可能的设备引脚配置,这些数字隔离器在不同封装中具有不同的通道选项。这些图还提供了 EVM 的器件封装标识符(如 U1)的参考,其中可在EVM上对给定封装中用于给定通道的给定数字隔离器进行测试。表 2-1 可用作快速参考表以识别设备封装标识,其中可以根据给定通道和封装选项对数字隔离器进行测试。

表 2-1 数字隔离器通道和封装选项及各自的封装位置
通道数量 可测试的数字隔离器部件型号 示例部件型号 封装 可测试的位置
1 ISOxx10 ISO7710 D-8 U2
DWV-8 U1
DW-16 U3
ISO7810 DWW-16 U5
2 ISOxx2x ISO7721 D-8 U2
DWV-8 U1
DW-16 U3
ISO7821 DWW-16 U5
3 ISOxx3x ISO7731 DBQ-16 U6
DW-16 U4
ISO7831 DWW-16 U5
4 ISOxx4x ISO7741 DBQ-16 U6
DW-16 U4
ISO7841 DWW-16 U5
6 ISOxx6x ISO7762 DBQ-16 U7
DW-16 U8
GUID-2C38DDA5-E9F3-4592-B65D-28374046C501-low.gif图 2-1 用于U2 上 D-8 封装和 U1 上 DWV-8 封装的单通道数字隔离器引脚配置
GUID-BAD5DCFE-1CE3-4EC8-AEC7-D25C4EDB72BA-low.gif图 2-2 用于U3 上 DW-16 封装的单通道数字隔离器引脚配置
GUID-96C16D90-6D89-4685-86A7-08FFF2CC4BFF-low.gif图 2-3 用于U5 上 DWW-16 封装的单通道数字隔离器引脚配置
GUID-18DFD1A4-E4EF-4E49-9BB2-5C7FCDB608D3-low.gif图 2-4 用于U2 上D-8 封装和 U1 上DWV-8 封装的双通道 (ISOxx20) 数字隔离器引脚配置
GUID-B67A5451-307D-485C-8103-C91C5BC35D77-low.gif图 2-5 用于U2 上D-8 封装和 U1 上DWV-8 封装的双通道 (ISOxx21) 数字隔离器引脚配置
GUID-2E8FD3BB-721F-4AD6-920E-ACBE0DAAF83F-low.gif图 2-6 用于U3 上DW-16 封装的双通道 (ISOxx20) 数字隔离器引脚配置
GUID-D58BB35B-1B49-4515-894F-26071F9442DB-low.gif图 2-7 用于U3 上DW-16 封装的双通道 (ISOxx21) 数字隔离器引脚配置
GUID-2DE900C0-7EBF-4918-828A-6BEB74AC64F2-low.gif图 2-8 用于U5 上DWW-16 封装的双通道 (ISOxx20) 数字隔离器引脚配置
GUID-F2CCB7B8-FE96-41B5-8B5B-CCB6A36AF01D-low.gif图 2-9 用于U5 上DWW-16 封装的双通道 (ISOxx21) 数字隔离器引脚配置
GUID-9650E135-12F4-4129-B112-09607AD9402B-low.gif图 2-10 用于U6 上 DBQ-16 封装、U4 上DW-16 封装和 U5 上 DWW-16 封装的三通道 (ISOxx30) 数字隔离器引脚配置
GUID-5F462F6E-6C1D-49E5-BD78-86F8BFBA4D1E-low.gif图 2-11 用于U6 上DBQ-16 封装、U4 上DW-16 封装和 U5 上 DWW-16 封装的三通道 (ISOxx31) 数字隔离器引脚配置
GUID-676278F5-4F86-4399-8472-857D9E5E3662-low.gif图 2-12 用于U6 上DBQ-16 封装、U4 上DW-16 封装和 U5 上 DWW-16 封装的四通道 (ISOxx40) 数字隔离器引脚配置
GUID-5553361E-6A78-48BA-A456-BE1961C071EE-low.gif图 2-14 用于U6 上DBQ-16 封装、U4 上DW-16 封装和 U5 上 DWW-16 封装的四通道 (ISOxx42) 数字隔离器引脚配置
GUID-A5BB413E-9577-4DD8-9D32-A2F607814891-low.gif图 2-13 用于U6 上DBQ-16 封装、U4 上DW-16 封装和 U5 上 DWW-16 封装的四通道 (ISOxx41) 数字隔离器引脚配置
GUID-6022380A-DE0B-46B4-AE52-8F416DDC58FB-low.gif图 2-15 用于U7 上 DBQ-16 封装和 U8 上 DW-16 封装的六通道 (ISOxx60) 数字隔离器引脚配置
GUID-9A3211C3-2139-4DB5-9E73-FEAA82580434-low.gif图 2-17 用于U7 上 DBQ-16 封装和 U8 上 DW-16 封装的六通道 (ISOxx62) 数字隔离器引脚配置
GUID-A5D90C8B-4B38-4D49-8504-DBAD84D58BA0-low.gif图 2-16 用于U7 上 DBQ-16 封装和 U8 上 DW-16 封装的六通道 (ISOxx61) 数字隔离器引脚配置
GUID-10B138F4-2535-494D-91E3-6D305DD48213-low.gif图 2-18 用于U7 上DBQ-16 封装和 U8 上DW-16 封装的六通道 (ISOxx63) 数字隔离器引脚配置