ZHCSII6D July   2018  – May 2025 OPA855

PRODUCTION DATA  

  1.   1
  2. 特性
  3. 应用
  4. 说明
  5. 器件比较表
  6. 引脚配置和功能
  7. 规格
    1. 6.1 绝对最大额定值
    2. 6.2 ESD 等级
    3. 6.3 建议运行条件
    4. 6.4 热性能信息
    5. 6.5 电气特性
    6. 6.6 典型特性
  8. 参数测量信息
  9. 详细说明
    1. 8.1 概述
    2. 8.2 功能方框图
    3. 8.3 特性说明
      1. 8.3.1 输入和 ESD 保护
      2. 8.3.2 反馈引脚
      3. 8.3.3 宽增益带宽积
      4. 8.3.4 压摆率与输出级之间的关系
    4. 8.4 器件功能模式
      1. 8.4.1 分立式电源和单电源供电
      2. 8.4.2 断电模式
  10. 应用和实施
    1. 9.1 应用信息
    2. 9.2 典型应用
      1. 9.2.1 光学前端系统中的 TIA
        1. 9.2.1.1 设计要求
        2. 9.2.1.2 详细设计过程
        3. 9.2.1.3 应用曲线
      2. 9.2.2 光学传感器接口
        1. 9.2.2.1 设计要求
        2. 9.2.2.2 详细设计过程
        3. 9.2.2.3 应用曲线
    3. 9.3 电源相关建议
    4. 9.4 布局
      1. 9.4.1 布局指南
      2. 9.4.2 布局示例
  11. 10器件和文档支持
    1. 10.1 器件支持
      1. 10.1.1 开发支持
    2. 10.2 文档支持
      1. 10.2.1 相关文档
    3. 10.3 接收文档更新通知
    4. 10.4 支持资源
    5. 10.5 商标
    6. 10.6 静电放电警告
    7. 10.7 术语表
  12. 11修订历史记录
  13. 12机械、封装和可订购信息

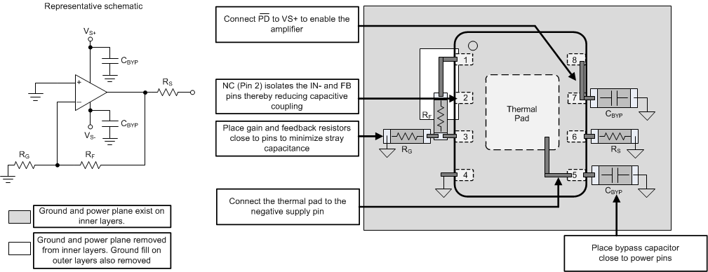
布局示例

OPA855 布局建议图 9-12 布局建议

OPA855配置为跨阻放大器时必须格外小心,以尽可能减小雪崩光电二极管 (APD) 与放大器之间的电感。始终将光电二极管与放大器放置在 PCB 的同一侧。将放大器和 APD 放置在 PCB 的相对侧会增加由过孔电感引起的寄生效应。APD 封装可能非常大,往往需要将 APD 放置在比理想情况下距离放大器更远的位置。图 9-13显示的是增加两个器件的距离会导致 APD 和运算放大器反馈网络之间的电感增加。电感增加不利于解补偿放大器的稳定性,因为此电感能将 APD 电容与噪声增益传递函数隔离。噪声增益通过方程式 3 得出。反馈网络之间增加的 PCB 布线电感会增大方程式 3 中的分母,从而降低噪声增益和相位裕度。在使用 TO-can 封装中的引线式 APD 的情况下,应通过尽可能缩短 TO-can 封装的引线来进一步减小电感。

方程式 3. N o i s e   G a i n = ( 1 +   Z F Z I N )

其中

  • ZF 是反馈网络的总阻抗。
  • ZIN 是输入网络的总阻抗。

可以通过遵循图 9-14中所示的一些指导原则来改进图 9-13中所示的布局。要遵循的两个关键规则是:

  1. 在尽可能靠近放大器反相输入的位置添加隔离电阻器 RISO。选择 RISO 的值,该值介于 10Ω 和 20Ω 之间。电阻器可抑制由布线电感和放大器内部电容引起的潜在谐振。
  2. 闭合反馈元件(RF 和 CF)之间的环路,并使 RISO 尽可能靠近 APD 引脚。这种闭合可确保布局更平衡,并减少了 APD 和反馈网络之间的电感隔离。

OPA855 非理想 TIA 布局图 9-13 非理想 TIA 布局
OPA855 改进的 TIA 布局图 9-14 改进的 TIA 布局