ZHCSII6D July   2018  – May 2025 OPA855

PRODUCTION DATA  

  1.   1
  2. 特性
  3. 应用
  4. 说明
  5. 器件比较表
  6. 引脚配置和功能
  7. 规格
    1. 6.1 绝对最大额定值
    2. 6.2 ESD 等级
    3. 6.3 建议运行条件
    4. 6.4 热性能信息
    5. 6.5 电气特性
    6. 6.6 典型特性
  8. 参数测量信息
  9. 详细说明
    1. 8.1 概述
    2. 8.2 功能方框图
    3. 8.3 特性说明
      1. 8.3.1 输入和 ESD 保护
      2. 8.3.2 反馈引脚
      3. 8.3.3 宽增益带宽积
      4. 8.3.4 压摆率与输出级之间的关系
    4. 8.4 器件功能模式
      1. 8.4.1 分立式电源和单电源供电
      2. 8.4.2 断电模式
  10. 应用和实施
    1. 9.1 应用信息
    2. 9.2 典型应用
      1. 9.2.1 光学前端系统中的 TIA
        1. 9.2.1.1 设计要求
        2. 9.2.1.2 详细设计过程
        3. 9.2.1.3 应用曲线
      2. 9.2.2 光学传感器接口
        1. 9.2.2.1 设计要求
        2. 9.2.2.2 详细设计过程
        3. 9.2.2.3 应用曲线
    3. 9.3 电源相关建议
    4. 9.4 布局
      1. 9.4.1 布局指南
      2. 9.4.2 布局示例
  11. 10器件和文档支持
    1. 10.1 器件支持
      1. 10.1.1 开发支持
    2. 10.2 文档支持
      1. 10.2.1 相关文档
    3. 10.3 接收文档更新通知
    4. 10.4 支持资源
    5. 10.5 商标
    6. 10.6 静电放电警告
    7. 10.7 术语表
  12. 11修订历史记录
  13. 12机械、封装和可订购信息

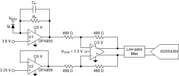
光学前端系统中的 TIA

图 9-1所示的是将OPA855配置为宽带宽光学前端系统中的跨阻放大器 (U1)。另一个放大器 OPA859-Q1 配置为单位增益缓冲器 (U2),可为 THS4520设置直流失调电压。THS4520 能将OPA855的单端跨阻输出转换为差分输出信号。THS4520 驱动 ADS54J64 的输入,ADS54J64 是一个 14 位 1GSPS 模数转换器 (ADC),能对模拟信号进行数字化处理。

OPA855 OPA855作为光学前端系统中的 TIA图 9-1 OPA855作为光学前端系统中的 TIA