ZHCSHR5C March   2018  – September 2019 TUSB1064

PRODUCTION DATA.  

  1. 特性
  2. 应用
  3. 说明
    1.     Device Images
      1.      简化电路原理图
      2.      TUSB1064 使用示例
  4. 修订历史记录
  5. Pin Configuration and Functions
    1.     Pin Functions
  6. Specifications
    1. 6.1 Absolute Maximum Ratings
    2. 6.2 ESD Ratings
    3. 6.3 Recommended Operating Conditions
    4. 6.4 Thermal Information
    5. 6.5 ELECTRICAL CHARACTERISTICS
    6. 6.6 Switching Characteristics
    7. 6.7 Timing Requirements
    8. 6.8 Typical Characteristics
  7. Parameter Measurement Information
  8. Detailed Description
    1. 8.1 Overview
    2. 8.2 Functional Block Diagram
    3. 8.3 Feature Description
      1. 8.3.1 USB 3.1
      2. 8.3.2 DisplayPort
      3. 8.3.3 4-level Inputs
      4. 8.3.4 Receiver Linear Equalization
    4. 8.4 Device Functional Modes
      1. 8.4.1 Device Configuration in GPIO Mode
      2. 8.4.2 Device Configuration In I2C Mode
      3. 8.4.3 DisplayPort Mode
      4. 8.4.4 Linear EQ Configuration
      5. 8.4.5 USB3.1 Modes
      6. 8.4.6 Operation Timing – Power Up
    5. 8.5 Programming
    6. 8.6 Register Maps
      1. 8.6.1 General Register (address = 0x0A) [reset = 00000001]
        1. Table 11. General Registers
      2. 8.6.2 DisplayPort Control/Status Registers (address = 0x10) [reset = 00000000]
        1. Table 12. DisplayPort Control/Status Registers (0x10)
      3. 8.6.3 DisplayPort Control/Status Registers (address = 0x11) [reset = 00000000]
        1. Table 13. DisplayPort Control/Status Registers (0x11)
      4. 8.6.4 DisplayPort Control/Status Registers (address = 0x12) [reset = 00000000]
        1. Table 14. DisplayPort Control/Status Registers (0x12)
      5. 8.6.5 DisplayPort Control/Status Registers (address = 0x13) [reset = 00000000]
        1. Table 15. DisplayPort Control/Status Registers (0x13)
      6. 8.6.6 USB3.1 Control/Status Registers (address = 0x20) [reset = 00000000]
        1. Table 16. USB3.1 Control/Status Registers (0x20)
      7. 8.6.7 USB3.1 Control/Status Registers (address = 0x21) [reset = 00000000]
        1. Table 17. USB3.1 Control/Status Registers (0x21)
      8. 8.6.8 USB3.1 Control/Status Registers (address = 0x22) [reset = 00000000]
        1. Table 18. USB3.1 Control/Status Registers (0x22)
  9. Application and Implementation
    1. 9.1 Application Information
    2. 9.2 Typical Application
      1. 9.2.1 Design Requirements
      2. 9.2.2 Detailed Design Procedure
      3. 9.2.3 Support for DisplayPort UFP_D Pin Assignment E
      4. 9.2.4 PCB Insertion Loss Curves
    3. 9.3 System Examples
      1. 9.3.1 USB 3.1 Only
      2. 9.3.2 USB 3.1 and 2 Lanes of DisplayPort
      3. 9.3.3 DisplayPort Only
  10. 10Power Supply Recommendations
  11. 11Layout
    1. 11.1 Layout Guidelines
    2. 11.2 Layout Example
  12. 12器件和文档支持
    1. 12.1 接收文档更新通知
    2. 12.2 社区资源
    3. 12.3 商标
    4. 12.4 静电放电警告
    5. 12.5 Glossary
  13. 13机械、封装和可订购信息

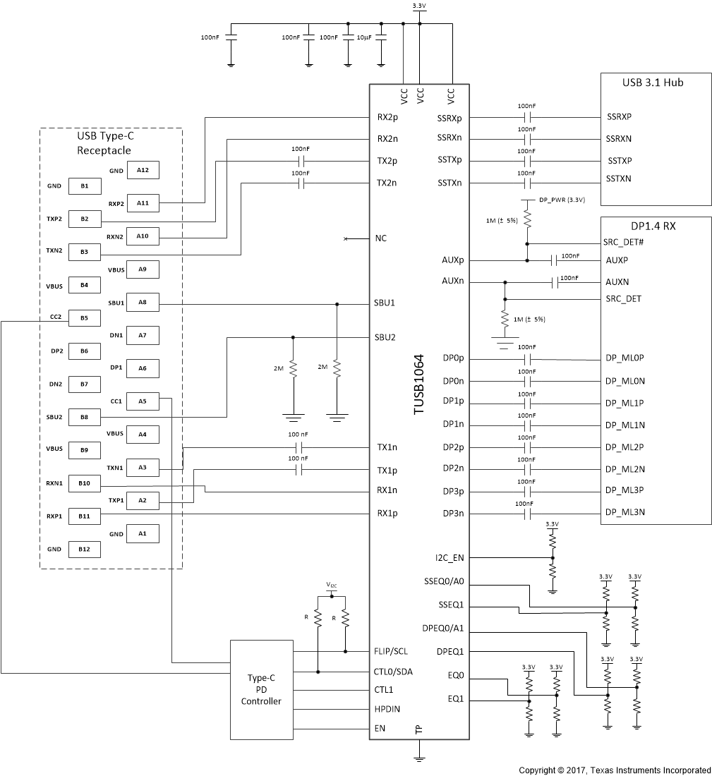
Detailed Design Procedure

A typical usage of the TUSB1064 device is shown in Figure 27. The device can be controlled either through its GPIO pins or through its I2C interface. In the example shown below, a Type-C PD controller is used to configure the device through the I2C interface. In I2C mode, the equalization settings for each receiver can be independently controlled through I2C registers. For this reason, the configuration pin CTL1 and all of the equalization pins (EQ[1:0], SSEQ[1:0], and DPEQ[1:0]) can be left unconnected. If these pins are left unconnected, the TUSB1064 7-bit I2C slave address will be 0x12 because both DPEQ/A1 and SSEQ0/A0 will be at pin level "F". If a different I2C slave address is desired, DPEQ/A1 and SSEQ0/A0 pins should be set to a level which produces the desired I2C slave address.

TUSB1064 TUSB1064_App_and_Implementation.gifFigure 27. Application Circuit