ZHCSFV6E august   2016  – november 2020 DS90UB933-Q1

PRODUCTION DATA  

  1.   1
  2. 特性
  3. 应用
  4. 说明
  5. Revision History
  6. Pin Configuration and Functions
    1.     Pin Functions
  7. Specifications
    1. 6.1  Absolute Maximum Ratings
    2. 6.2  ESD Ratings
    3. 6.3  Recommended Operating Conditions
    4. 6.4  Thermal Information
    5. 6.5  Electrical Characteristics
    6. 6.6  Recommended Serializer Timing For PCLK
    7. 6.7  AC Timing Specifications (SCL, SDA) - I2C-Compatible
    8. 6.8  Bidirectional Control Bus DC Timing Specifications (SCL, SDA) - I2C-Compatible
    9. 6.9  Serializer Switching Characteristics
    10. 6.10 Timing Diagrams
    11. 6.11 Typical Characteristics
  8. Detailed Description
    1. 7.1 Overview
    2. 7.2 Functional Block Diagram
    3. 7.3 Feature Description
      1. 7.3.1 Serial Frame Format
      2. 7.3.2 Line Rate Calculations for the DS90UB933/934
      3. 7.3.3 Error Detection
      4. 7.3.4 Synchronizing Multiple Cameras
      5. 7.3.5 General Purpose I/O (GPIO) Descriptions
      6. 7.3.6 LVCMOS V(VDDIO) Option
      7. 7.3.7 Pixel Clock Edge Select (TRFB / RRFB)
      8. 7.3.8 Power Down
    4. 7.4 Device Functional Modes
      1. 7.4.1 DS90UB933/934 Operation With External Oscillator as Reference Clock
      2. 7.4.2 DS90UB933/934 Operation With Pixel Clock From Imager as Reference Clock
      3. 7.4.3 MODE Pin on Serializer
      4. 7.4.4 Internal Oscillator
      5. 7.4.5 Built-In Self Test
      6. 7.4.6 BIST Configuration and Status
      7. 7.4.7 Sample BIST Sequence
    5. 7.5 Programming
      1. 7.5.1 Programmable Controller
      2. 7.5.2 Description of Bidirectional Control Bus and I2C Modes
      3. 7.5.3 I2C Pass-Through
      4. 7.5.4 Slave Clock Stretching
      5. 7.5.5 IDX Address Decoder on the Serializer
      6. 7.5.6 Multiple Device Addressing
    6. 7.6 Register Maps
  9. Application and Implementation
    1. 8.1 Application Information
      1. 8.1.1 Power Over Coax
      2. 8.1.2 Power-Up Requirements and PDB Pin
      3. 8.1.3 AC Coupling
      4. 8.1.4 Transmission Media
    2. 8.2 Typical Applications
      1. 8.2.1 Coax Application
        1. 8.2.1.1 Design Requirements
        2. 8.2.1.2 Detailed Design Procedure
        3. 8.2.1.3 Application Curves
      2. 8.2.2 STP Application
        1. 8.2.2.1 Design Requirements
        2. 8.2.2.2 Detailed Design Procedure
        3. 8.2.2.3 62
  10. Power Supply Recommendations
  11. 10Layout
    1. 10.1 Layout Guidelines
      1. 10.1.1 Interconnect Guidelines
    2. 10.2 Layout Example
  12. 11Device and Documentation Support
    1. 11.1 Documentation Support
      1. 11.1.1 Related Documentation
    2. 11.2 Receiving Notification of Documentation Updates
    3. 11.3 支持资源
    4. 11.4 Trademarks
    5. 11.5 静电放电警告
    6. 11.6 术语表

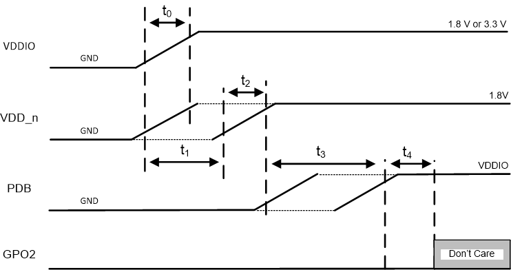
Power-Up Requirements and PDB Pin

Transition of the PDB pin from LOW to HIGH must occur after the VVDDIO and VVDD_n supplies have reached their required operating voltage levels. Direct control of the PDB timing by processor GPIO is recommended if possible. When direct control of PDB is not available, the PDB pin can be tied to the power supply rail with an RC filter network to help ensure proper power up timing. GPO2 should be low when PDB goes high. Timing constraints are noted in Suggested Power-Up Sequencing and Power-Up Sequencing Constraints. Please refer to Power Down section for device operation when powered down.

If GPO2 state is not determined when PDB goes high, DS90UB933-Q1 registers must be programmed to configure the transmission mode. Mode Select register 0x05[5] must be set to 1 and register 0x05 bit 1 and 0 are to be selected based on desired 12-bit or 10-bit transmit data format.

Common applications tie the V(VDDIO) and V(VDD_n) supplies to the same power source of 1.8 V typically. This is an acceptable method for ramping the V(VDDIO) and V(VDD_n) supplies. The main constraint here is that the V(VDD_n) supply does not lead in ramping before the V(VDDIO) system supply. This is noted in Suggested Power-Up Sequencing with the requirement of t1 ≥ 0. V(VDDIO) must reach the expected operating voltage earlier than V(VDD_n) or at the same time.

GUID-CB8BCD6A-49CD-412A-B699-6AF62452789C-low.gifFigure 8-1 Suggested Power-Up Sequencing
Table 8-1 Power-Up Sequencing Constraints
SYMBOL DESCRIPTION TEST CONDITIONS MIN TYP MAX Units
t0 V(VDDIO) rise time 10% to 90% of nominal voltage on rising edge. Monotonic signal ramp is required 0.05 5 ms
t1 V(VDDIO) to V(VDD_n) delay 10% of rising edge (V(VDDIO)) to 10% of rising edge (V(VDD_n)) 0 ms
t2 V(VDD_n) rise time 10% to 90% of nominal voltage on rising edge. Monotonic signal ramp is required. VPDB < 10% of V(VDDIO) 0.05 5 ms
t3* V(VDD_n) to PDB VIH delay 90% rising edge (V(VDD_n)) to PDB VIH 0 16 ms
t4 PDB to GPO2 delay PDB VIH to 10% of rising edge (GPO2) 1.3 ms

* If timing constraint t3 cannot be assured, the following programming steps should be issued to the via local I2C control (not via remote back channel). These programming steps should be completed > 10ms after the power sequence is complete (VPDB > PDB VIH) with no delay between write commands. This step will cause a brief restart of the forward channel output:

  • Write Register 0x27 = 0x28
  • Write Register 0x27 = 0x20
  • Write Register 0x27 = 0x00