ZHCS446C September   2011  – July 2024 UCC28063

PRODUCTION DATA  

  1.   1
  2. 特性
  3. 应用
  4. 说明
  5. 修订历史记录
  6. 引脚配置和功能
  7. 规格
    1. 6.1 绝对最大额定值
    2. 6.2 ESD 等级
    3. 6.3 建议运行条件
    4. 6.4 热性能信息
    5. 6.5 电气特性
    6. 6.6 典型特性
  8. 详细说明
    1. 7.1 概述
    2. 7.2 功能方框图
    3. 7.3 特性说明
      1. 7.3.1  工作原理
      2. 7.3.2  Natural Interleaving
      3. 7.3.3  导通时间控制、最大频率限制和重启计时器
      4. 7.3.4  降低失真
      5. 7.3.5  零电流检测和谷底开关
      6. 7.3.6  相位管理和轻负载运行
      7. 7.3.7  外部禁用
      8. 7.3.8  改进的误差放大器
      9. 7.3.9  软启动
      10. 7.3.10 欠压保护
      11. 7.3.11 压降检测
      12. 7.3.12 VREF
      13. 7.3.13 VCC
      14. 7.3.14 下游转换器控制
      15. 7.3.15 系统级保护
        1. 7.3.15.1 失效防护 OVP - 输出过压保护
        2. 7.3.15.2 过流保护
        3. 7.3.15.3 开环保护
        4. 7.3.15.4 VCC 欠压锁定 (UVLO) 保护
        5. 7.3.15.5 相位故障保护
        6. 7.3.15.6 CS 开路、TSET 开路和短路保护
        7. 7.3.15.7 热关断保护
        8. 7.3.15.8 交流线路欠压和压降保护
        9. 7.3.15.9 故障逻辑图
    4. 7.4 器件功能模式
  9. 应用和实施
    1. 8.1 应用信息
    2. 8.2 典型应用
      1. 8.2.1 设计要求
      2. 8.2.2 详细设计过程
        1. 8.2.2.1  电感器选型
        2. 8.2.2.2  ZCD 电阻器选择(RZA、RZB)
        3. 8.2.2.3  HVSEN
        4. 8.2.2.4  输出电容器选型
        5. 8.2.2.5  选择 (RS) 用于峰值电流限制
        6. 8.2.2.6  功率半导体选择(Q1、Q2、D1 和 D2)
        7. 8.2.2.7  欠压保护
        8. 8.2.2.8  转换器时序
        9. 8.2.2.9  对 VOUT 进行编程
        10. 8.2.2.10 电压环路补偿
      3. 8.2.3 应用曲线
        1. 8.2.3.1 通过 Natural Interleaving 技术消除输入纹波电流
        2. 8.2.3.2 欠压保护
  10. 电源相关建议
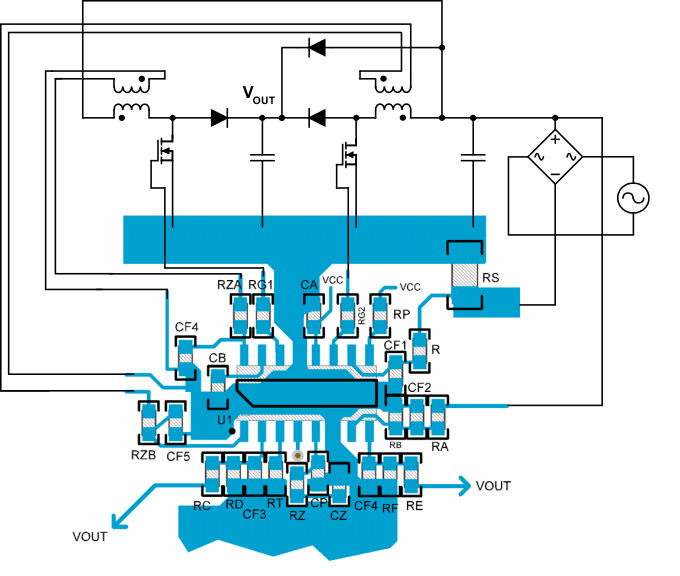
  11. 10布局
    1. 10.1 布局指南
    2. 10.2 布局示例
  12. 11器件和文档支持
    1. 11.1 器件支持
      1. 11.1.1 开发支持
        1. 11.1.1.1 相关器件
      2. 11.1.2 器件命名规则
        1. 11.1.2.1 详细引脚说明
    2. 11.2 文档支持
      1. 11.2.1 相关文档
    3. 11.3 商标
    4. 11.4 静电放电警告
    5. 11.5 术语表
  13. 12机械、封装和可订购信息

布局示例

UCC28063 建议的 PCB 布局
PHB 和 VREF 引脚通过电路板背面的跳线连接。
图 10-1 建议的 PCB 布局