ZHCS229C September   2011  – January 2020 BQ24725A

PRODUCTION DATA.  

  1. 特性
  2. 应用
  3. 说明
  4. 修订历史记录
  5. Pin Configuration and Functions
    1.     Pin Functions
  6. Specifications
    1. 6.1 Absolute Maximum Ratings
    2. 6.2 ESD Ratings
    3. 6.3 Recommended Operating Conditions
    4. 6.4 Thermal Information
    5. 6.5 Electrical Characteristics
    6. 6.6 Timing Characteristics
    7. 6.7 Typical Characteristics
  7. Parameter Measurement Information
  8. Detailed Description
    1. 8.1 Overview
    2. 8.2 Functional Block Diagram
    3. 8.3 Feature Description
      1. 8.3.1 SMBus Interface
    4. 8.4 Device Functional Modes
      1. 8.4.1  Adapter Detect and ACOK Output
      2. 8.4.2  Adapter Over Voltage (ACOVP)
      3. 8.4.3  System Power Selection
      4. 8.4.4  Battery LEARN Cycle
      5. 8.4.5  Enable and Disable Charging
      6. 8.4.6  Automatic Internal Soft-Start Charger Current
      7. 8.4.7  High Accuracy Current Sense Amplifier
      8. 8.4.8  Charge Timeout
      9. 8.4.9  Converter Operation
      10. 8.4.10 Continuous Conduction Mode (CCM)
      11. 8.4.11 Discontinuous Conduction Mode (DCM)
      12. 8.4.12 Input Over Current Protection (ACOC)
      13. 8.4.13 Charge Over Current Protection (CHGOCP)
      14. 8.4.14 Battery Over Voltage Protection (BATOVP)
      15. 8.4.15 Battery Shorted to Ground (BATLOWV)
      16. 8.4.16 Thermal Shutdown Protection (TSHUT)
      17. 8.4.17 EMI Switching Frequency Adjust
      18. 8.4.18 Inductor Short, MOSFET Short Protection
    5. 8.5 Register Maps
      1. 8.5.1 Battery-Charger Commands
      2. 8.5.2 Setting Charger Options
        1. Table 3. Charge Options Register (0x12H)
      3. 8.5.3 Setting the Charge Current
        1. Table 4. Charge Current Register (0x14H), Using 10mΩ Sense Resistor
      4. 8.5.4 Setting the Charge Voltage
        1. Table 5. Charge Voltage Register (0x15H)
      5. 8.5.5 Setting Input Current
        1. Table 6. Input Current Register (0x3FH), Using 10mΩ Sense Resistor
  9. Application and Implementation
    1. 9.1 Application Information
    2. 9.2 Typical Applications
      1. 9.2.1 Typical System with Two NMOS Selector
        1. 9.2.1.1 Design Requirements
        2. 9.2.1.2 Detailed Design Procedure
          1. 9.2.1.2.1 Negative Output Voltage Protection
          2. 9.2.1.2.2 Reverse Input Voltage Protection
          3. 9.2.1.2.3 Reduce Battery Quiescent Current
          4. 9.2.1.2.4 Inductor Selection
          5. 9.2.1.2.5 Input Capacitor
          6. 9.2.1.2.6 Output Capacitor
          7. 9.2.1.2.7 Power MOSFETs Selection
          8. 9.2.1.2.8 Input Filter Design
          9. 9.2.1.2.9 BQ24725A Design Guideline
        3. 9.2.1.3 Application Curves
      2. 9.2.2 Simplified System without Power Path
        1. 9.2.2.1 Design Requirements
        2. 9.2.2.2 Detailed Design Procedure
        3. 9.2.2.3 Application Curves
    3. 9.3 System Examples
  10. 10Power Supply Recommendations
  11. 11Layout
    1. 11.1 Layout Guidelines
    2. 11.2 Layout Example
  12. 12器件和文档支持
    1. 12.1 第三方产品免责声明
    2. 12.2 接收文档更新通知
    3. 12.3 支持资源
    4. 12.4 商标
    5. 12.5 静电放电警告
    6. 12.6 Glossary
  13. 13机械、封装和可订购信息

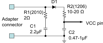
Input Filter Design

During adapter hot plug-in, the parasitic inductance and input capacitor from the adapter cable form a second order system. The voltage spike at VCC pin maybe beyond IC maximum voltage rating and damage IC. The input filter must be carefully designed and tested to prevent over voltage event on VCC pin.

There are several methods to damping or limit the over voltage spike during adapter hot plug-in. An electrolytic capacitor with high ESR as an input capacitor can damp the over voltage spike well below the IC maximum pin voltage rating. A high current capability TVS Zener diode can also limit the over voltage level to an IC safe level. However these two solutions may not have low cost or small size.

A cost effective and small size solution is shown in Figure 19. The R1 and C1 are composed of a damping RC network to damp the hot plug-in oscillation. As a result the over voltage spike is limited to a safe level. D1 is used for reverse voltage protection for VCC pin. C2 is VCC pin decoupling capacitor and it should be place to VCC pin as close as possible. C2 value should be less than C1 value so R1 can dominant the equivalent ESR value to get enough damping effect. R2 is used to limit inrush current of D1 to prevent D1 getting damage when adapter hot plug-in. R2 and C2 should have 10us time constant to limit the dv/dt on VCC pin to reduce inrush current when adapter hot plug in. R1 has high inrush current. R1 package must be sized enough to handle inrush current power loss according to resistor manufacturer’s datasheet. The filter components value always need to be verified with real application and minor adjustments may need to fit in the real application circuit.

BQ24725A input_flt_lusa79.gifFigure 19. Input Filter