ZHCAD60B May   2011  – September 2023 MSP430AFE221 , MSP430AFE222 , MSP430AFE223 , MSP430AFE231 , MSP430AFE232 , MSP430AFE233 , MSP430AFE251 , MSP430AFE252 , MSP430AFE253

 

  1.   1
  2.   使用 MSP430AFE2xx 实施单相电子电表
  3. 商标
  4. 引言
  5. 方框图
  6. 硬件实现
    1. 4.1 电源
      1. 4.1.1 电阻电容 (RC) 电源
      2. 4.1.2 基于开关的电源
    2. 4.2 模拟输入
      1. 4.2.1 电压输入
      2. 4.2.2 电流输入
  7. 软件实现
    1. 5.1 外设设置
      1. 5.1.1 SD24 设置
    2. 5.2 前台进程
      1. 5.2.1 公式
        1. 5.2.1.1 电压和电流
        2. 5.2.1.2 功率和能量
    3. 5.3 后台进程
      1. 5.3.1 电压和电流信号
      2. 5.3.2 相位补偿
      3. 5.3.3 频率测量和周期跟踪
      4. 5.3.4 LED 脉冲生成
    4. 5.4 能量计配置
  8. 能量计演示
    1. 6.1 EVM 概览
      1. 6.1.1 与测试设置或交流电压的连接
      2. 6.1.2 电源选项
    2. 6.2 加载示例代码
      1. 6.2.1 打开工程
  9. 结果
    1. 7.1 在 PC 上查看结果
    2. 7.2 在调试期间查看结果
  10. 重要注意事项
  11. 原理图
  12. 10参考文献
  13. 11修订历史记录

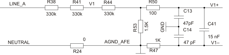
电压输入

市电的电压通常为 230V 或 110V,必须降到 500mV 的范围内(参阅图 4-3)。电压模拟前端由尖峰保护压敏电阻(未显示)、后跟一个简单的分压器和一个用作抗混叠滤波器的 RC 低通滤波器组成。

GUID-2E57C282-1C2B-46B8-A9E2-31577D88C256-low.gif图 4-3 电压输入的模拟前端

图 4-3 展示了 230V 市电电压下电压输入的模拟前端。该电压会降至约 350mV RMS(峰值为 495mV)并馈入正输入。该等级符合 MSP430 SD24 模拟限制。零共模电压可以连接到 SD24 的负输入端。此外,SD24 具有 1.2V 的内部基准电压,该电压可在外部使用,如果需要,还可用作共模电压。

请注意,正极侧和负极侧的抗混叠电阻器不同,因为正极端子的输入阻抗高得多,因此,会为抗混叠滤波器使用值较低的电阻器。如果不保持这一差异,则会导致几度的相对较大相移。