ZHCACS6C november   2008  – june 2023 DS91M124 , DS91M125 , SN65LVDM050 , SN65LVDM050-Q1 , SN65LVDM051 , SN65LVDM051-Q1 , SN65LVDM1676 , SN65LVDM1677 , SN65LVDM176 , SN65LVDM179 , SN65LVDM180 , SN65LVDM22 , SN65LVDM31 , SN65MLVD040 , SN65MLVD047A , SN65MLVD048 , SN65MLVD080 , SN65MLVD082 , SN65MLVD128 , SN65MLVD129 , SN65MLVD2 , SN65MLVD200A , SN65MLVD202A , SN65MLVD204A , SN65MLVD204B , SN65MLVD206B , SN65MLVD3

 

  1.   1
  2.   AN-1926:M-LVDS 简介及其时钟和数据分配应用
  3.   商标
  4. 引言
  5. M-LVDS 标准概述
  6. 驱动器特性
  7. 接收器特性
  8. M-LVDS 产品组合
  9. M-LVDS 应用
  10. AdvancedTCA 系统中的时钟分配
  11. MicroTCA 系统中的时钟分配
  12. M-LVDS 作为短距离 RS-485 备选器件
  13. 10通过点对点链路进行信号分配
  14. 11“线或”式实施
  15. 12设计指南
  16. 13结论
  17. 14参考文献
  18. 15修订历史记录

驱动器特性

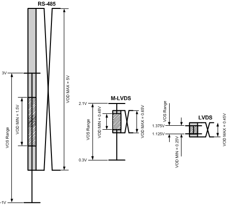
根据 TIA/EIA-899 标准,M-LVDS 驱动器生成幅值为 480mV–650mV 且偏移量在 0.3V 至 2.1V 范围内的差分信号。信号的 10%-90% 转换时间(上升和下降)必须为 1ns 或以上,且最多为单位间隔的一半 (tUI)。

与 RS-485 驱动器相比,M-LVDS 驱动器可显著降低信号幅值(请参阅图 3-1),从而降低功耗和电磁干扰 (EMI)。较低的信号幅值可实现较高的信令速率或信号频率。虽然 M-LVDS 标准根据 1ns 最小转换时间指定 500Mbps 的最大信令传输速率,但目前市售 M-LVDS 驱动器的峰值传输速率为 250Mbps。另一方面,最快的 RS-485 驱动器的峰值速率通常为 10Mbps,而一些独特的器件的速率可达到 30Mbps 至 50Mbps。速度更快、功耗更低和 EMI 更低的这些优势以降低噪声容限为代价,但是,通过遵循本应用手册后面提供的必要设计指南,无需通过很大的工作量即可成功设计 M-LVDS 网络。

GUID-2E2EA972-DAA5-45C4-A8FC-4C86A9A7524B-low.gif图 3-1 驱动器 VOD 和 VOS 比较

与 LVDS 驱动器相比,M-LVDS 驱动器可提供更强的驱动能力(更大的 IOD)。凭借更强的驱动能力,M-LVDS 驱动器能够在通常双端接的多点网络中驱动信号。双端接网络会给驱动器带来更大的负载,因此需要更大的驱动能力来保持所需的信号幅值。M-LVDS 和 RS-485 驱动器输出幅值通常在 50Ω 差分负载下指定。在具有双端接的多点网络中,驱动器通常会遇到此大小的负载,如图 2-1 所示。LVDS 驱动器输出幅值在 100Ω 差分负载下指定。在具有单端接的点对点链路中,驱动器通常会遇到此大小的负载,如图 3-2 所示。M-LVDS 驱动器还具有可控制的转换时间,这一特性非常适合多点网络。另一方面,转换时间通常为 100ps 到仅几百 ps 的 LVDS 驱动器很少适合除点对点拓扑之外的任何拓扑。

GUID-761AB390-E59B-4636-9D5B-C6069581033D-low.gif图 3-2 点对点链路

表 3-1 比较了 RS-485、M-LVDS 和 LVDS 驱动器的主要特性:

表 3-1 驱动器关键参数比较
参数 RS-485 M-LVDS LVDS
VOD (V) 1.5 至 5.0 0.48 至 0.65 0.25 至 0.45
VOS (V) -1.0 至 3.0 0.3 至 2.1 1.125 至 1.375
IOD (mA) 28 至 93 9 至 13 2.5 至 4.5
IOS (mA) <250 <43 <24
tRISE / tFALL 最小值 (ns) 不适用 1 不适用
tRISE / tFALL 典型值 (ns) 5 至 50 1 至 5 <1
tRISE / tFALL 最大值 (ns) 0.3 tUI 0.5 tUI 0.3 tUI
典型数据速率 (Mbps) DC 到 10 DC 到 500 DC 到 3125