ZHCAAJ6G July   2022  – September 2023 ISO5451 , ISO5452 , ISO5851 , ISO5852S , ISO7142CC , ISO7142CC-Q1 , ISO721 , ISO721-Q1 , ISO721M , ISO721M-EP , ISO722 , ISO7220A , ISO7220M , ISO7221A , ISO7221B , ISO7221C , ISO7221M , ISO722M , ISO7230C , ISO7230M , ISO7231C , ISO7231M , ISO7240C , ISO7240CF , ISO7240M , ISO7241C , ISO7241M , ISO7242C , ISO7242M , ISO7310-Q1 , ISO7310C , ISO7340-Q1 , ISO7340C , ISO7340FC , ISO7341-Q1 , ISO7341C , ISO7341FC , ISO7342-Q1 , ISO7342C , ISO7342FC , ISO7740 , ISO7741 , ISO7742 , ISO7760 , ISO7761 , ISO7762 , ISO7810 , ISO7820 , ISO7821 , ISO7830 , ISO7831 , ISO7840 , ISO7841 , ISO7842

 

  1.   1
  2.   数字隔离器设计指南
  3.   商标
  4. 1工作原理
    1. 1.1 基于边沿的通信
    2. 1.2 基于开关键控 (OOK) 的通信
  5. 2数字隔离器和隔离式功能的典型应用
  6. 3数字隔离器选择指南
    1. 3.1 相关参数
    2. 3.2 隔离器系列
  7. 4PCB 设计指南
    1. 4.1 PCB 材料
    2. 4.2 层堆叠
    3. 4.3 爬电距离
    4. 4.4 受控阻抗传输线路
    5. 4.5 参考平面
    6. 4.6 布线
    7. 4.7 过孔
    8. 4.8 去耦电容器
  8. 5总结
  9. 6参考文献
  10. 7修订历史记录

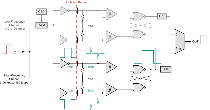
基于边沿的通信

图 1-1 所示为基于边沿的通信的概念方框图。ISO73xxISO74xxISO71xxISO76xxISO75xxISO72xx 隔离器系列以某种形式使用该架构。

这些器件至少包含两个数据通道,一个带宽为 100kbps 至 150Mbps 的高频通道 (HF) 和一个涵盖 100kbps 至直流范围的低频通道 (LF)。

原则上,进入 HF 通道的单端输入信号通过输入端的反相器门被拆分为差分信号。以下电容器电阻器网络将信号区分为小而窄的瞬态,然后由两个比较器将这些瞬态转换为轨至轨差分脉冲。比较器输出驱动一个或非门触发器,其输出馈送到一个输出多路复用器。触发器驱动输出端的判定逻辑 (DCL) 测量信号瞬态之间的持续时间。如果两个连续瞬态之间的持续时间超过特定的时间限制(如在低频信号的情况下),则 DCL 会强制输出多路复用器从高频通道切换到低频通道。

低频输入信号要求内部电容器采用过大的值,因此使用内部振荡器的载波频率对这些信号进行脉宽调制 (PWM),从而产生足够高的频率,能够通过电容隔离层。在对输入进行调制时,需要使用一个低通滤波器 (LPF) 从实际数据中移除高频载波,然后再将数据传递到输出多路复用器。

GUID-7454465B-3386-4109-9337-C051B4A29984-low.gif图 1-1 基于边沿的架构的概念方框图