SPRADL7 July   2025 F28E120SC

 

  1.   1
  2.   Abstract
  3.   Trademarks
  4. Introduction
  5. Key Differences Between EPWM and MCPWM
  6. Time-Base Submodule Differences
    1. 3.1 Register Differences
    2. 3.2 Driverlib Differences
  7. Counter-Compare Submodule Differences
    1. 4.1 Register Differences
    2. 4.2 Driverlib Differences
  8. Action-Qualifier Submodule Differences
    1. 5.1 Register Differences
    2. 5.2 Driverlib Differences
  9. Dead-Band Submodule Differences
    1. 6.1 Register Differences
    2. 6.2 Driverlib Differences
  10. Trip-Zone Submodule Differences
    1. 7.1 Register Differences
    2. 7.2 Driverlib Differences
  11. Event-Trigger Submodule Differences
    1. 8.1 Register Differences
    2. 8.2 Driverlib Differences
  12. Global Load Differences
    1. 9.1 Register Differences
    2. 9.2 Driverlib Differences
  13. 10Summary
  14. 11References

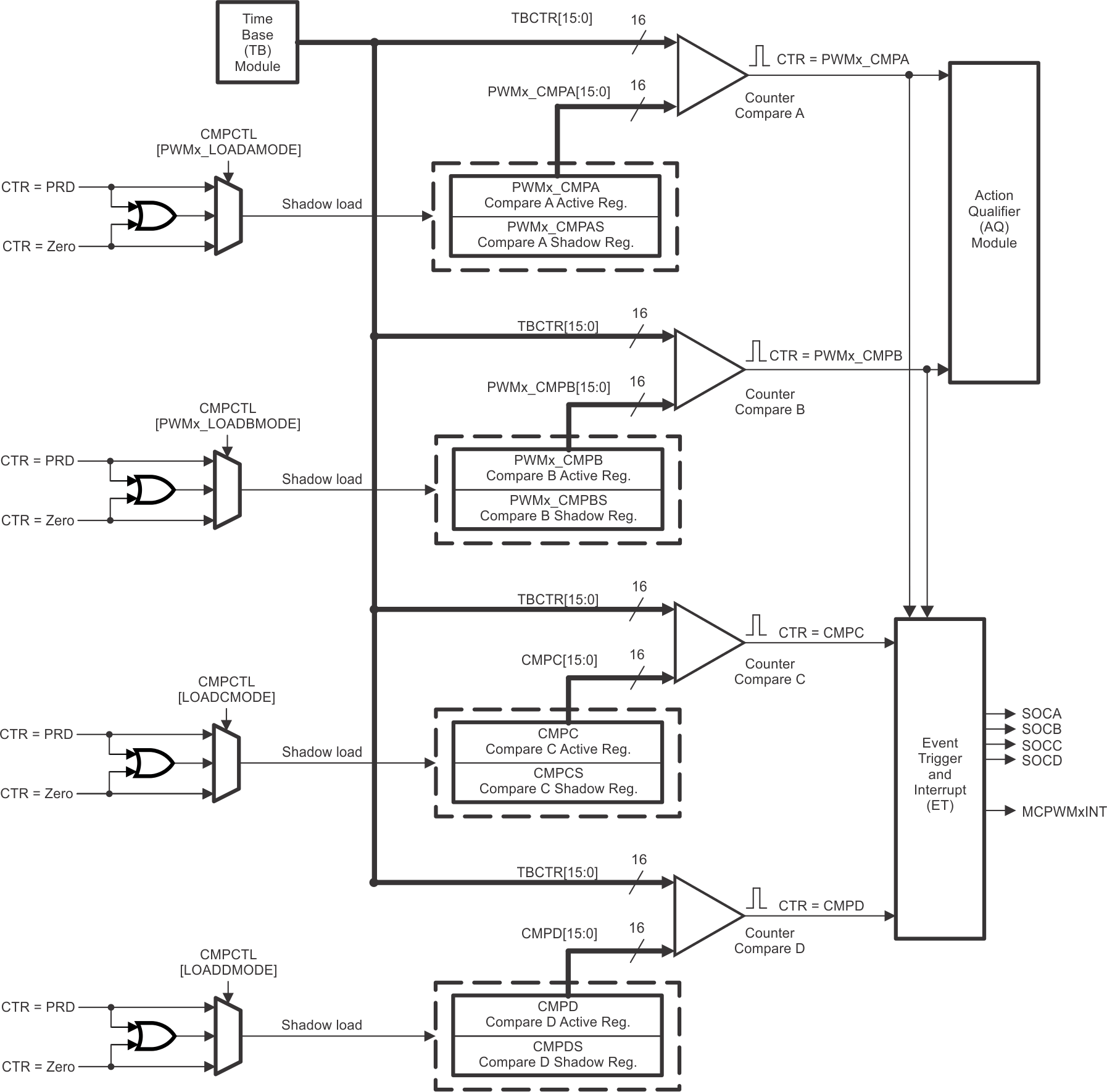
Counter-Compare Submodule Differences

The Counter-Compare Submodule determines the timing of EPWM/MCPWM events such as rising or falling edges of the PWM output, ADC triggers, or CPU interrupts. The feature differences of MCPWM when compared to EPWM are as follows:

  • Addition of memory mapped shadow registers PWMx_CMPAS, PWMx_CPMBS, CMPCS, CMPDS
  • Separate CMPA and CMPB registers for each PWM pair: PWM1_CMPA, PWM1_CMPB, PWM2_CMPA, etc.
  • CMPC and CMPD are shared across all 3 PWM pairs
  • No shadow loading of CMPx registers on sync events
 Counter-Compare Submodule Block Diagram for EPWM Figure 4-1 Counter-Compare Submodule Block Diagram for EPWM
 Counter-Compare Submodule Block Diagram for MCPWM Figure 4-2 Counter-Compare Submodule Block Diagram for MCPWM