SNAU198A May   2016  – May 2016

 

  1.   TDC7201-ZAX-EVM
    1.     Trademarks
    2. 1 General Description
      1. 1.1 TDC7201EVM Key Features
      2. 1.2 TDC7201EVM
    3. 2 Equipment List
    4. 3 Quick Start
    5. 4 Software Installation
      1. 4.1 Installing the TDC720xEVM GUI
      2. 4.2 MSP430 Firmware Upgrade (This is only needed for a new Launchpad.)
      3. 4.3 Checking Connection
      4. 4.4 Opening the GUI
    6. 5 Hardware Configuration
      1. 5.1 TDC7201EVM Connections
      2. 5.2 Jumpers
    7. 6 GUI and Operation
    8. 7 Board Layout
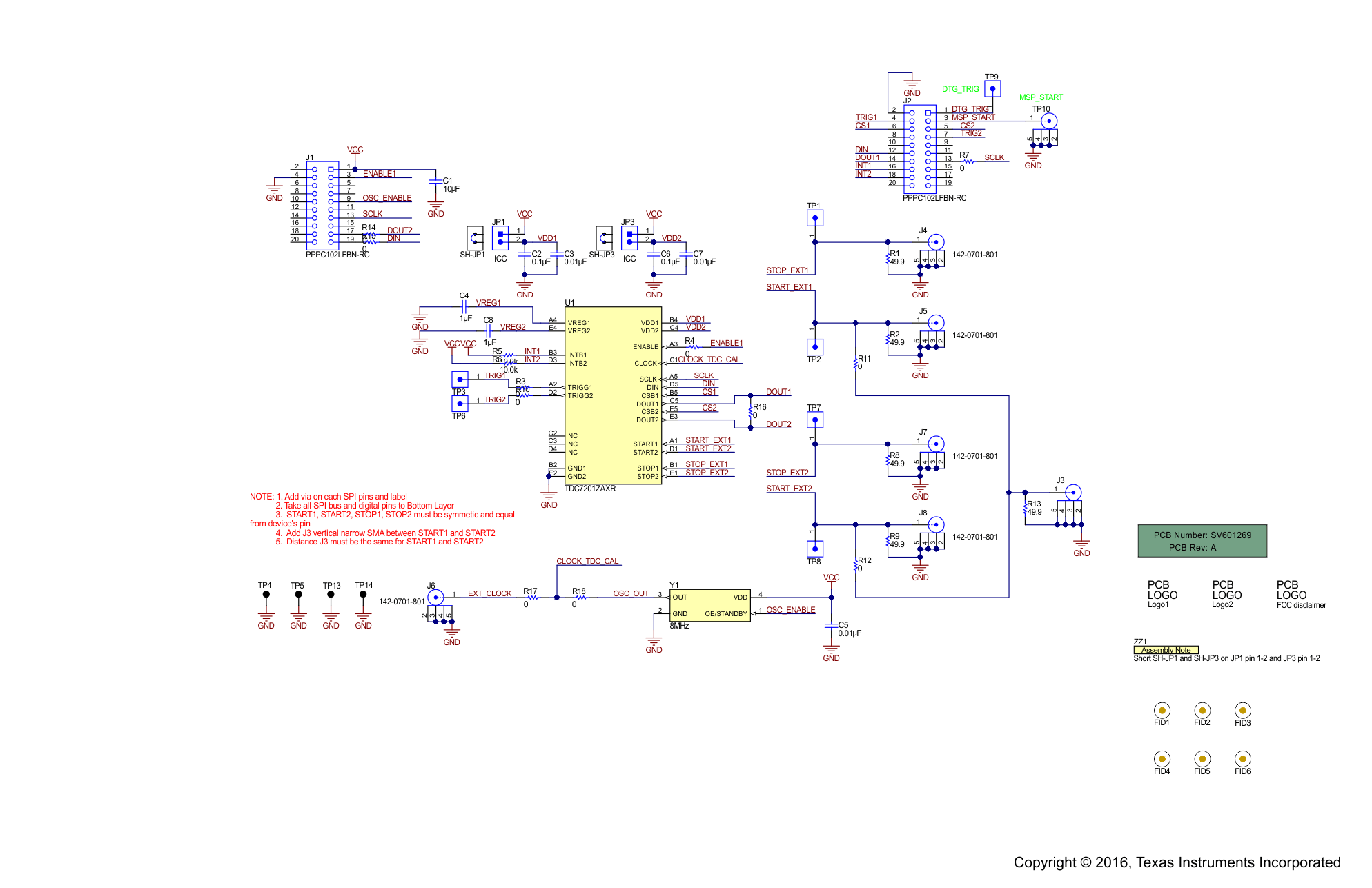
    9. 8 TDC7201EVM Schematic
    10. 9 Bill of Materials
  2.   Revision History

TDC7201EVM Schematic

The TDC7201EVM Schematic is shown in Figure 16.

schematic_01_snau198.gifFigure 16. TDC7201EVM Schematic