SLVU240B May   2008  – August 2018 MSP430F2131 , TPS62260

 

  1.   Read This First
    1.     About This Manual
    2.     How to Use This Manual
    3.     Information About Cautions and Warnings
    4.     Related Documentation From Texas Instruments
    5.     If You Need Assistance
    6.     Trademarks
  2. 1Introduction
    1. 1.1 Requirements
      1. 1.1.1 Power Supply Requirements
      2. 1.1.2 Printed Circuit Board Assemblies (PCBs)
  3. 2Setup
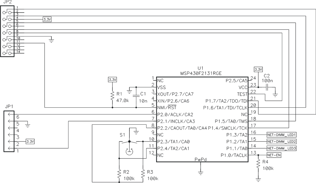
    1. 2.1 Input/Output Connector Descriptions
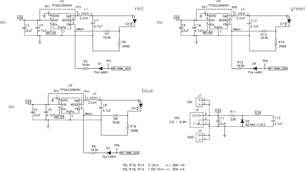
      1. 2.1.1 J1, J2, and J3 – Power Supply Connectors
      2. 2.1.2 JP1 – Wireless Interface Connector
      3. 2.1.3 JP2 – JTAG Interface Connector
    2. 2.2 Hardware Setup
  4. 3Supported Colors and Operation Modes
    1. 3.1 Color Range
    2. 3.2 Auto-Scroll Mode
    3. 3.3 Manual Control Mode
  5. 4Design Description
    1. 4.1 Hardware Design
      1. 4.1.1 LED Power Stages
      2. 4.1.2 Output Filter Design
      3. 4.1.3 MODE and EN Pins
      4. 4.1.4 MSP430 MCU Design
    2. 4.2 LED Color Table
    3. 4.3 Firmware Design
      1. 4.3.1 Firmware C-Code Listing
  6. 5Schematic and Bill of Materials
    1. 5.1 Schematics
    2. 5.2 Bill of Materials
  7. 6Board Layout
    1. 6.1 Photographs of Top and Bottom
    2. 6.2 Layout
    3. 6.3 Thermal Images
  8. AReprogramming
    1. A.1 Additional Software and Hardware Needed
    2. A.2 IAR Embedded Workbench KickStart Software Installation
    3. A.3 Hardware Installation
    4. A.4 Using IAR Embedded Workbench to Download Code on MSP430 MCUs
  9.   Revision History

Schematics

schem_lvu240.gif
schem1_lvu240.gif