SBAU320 July   2018 AMC1035 , AMC1035-Q1

 

  1.   AMC1035 Evaluation Module
    1. 1 EVM Overview
      1. 1.1 Features
      2. 1.2 Introduction
      3.      Trademarks
    2. 2 Analog Interface
    3. 3 Power Supply
    4. 4 Output Reference
    5. 5 Digital Interface
    6. 6 Manchester Coding Enabled
    7. 7 General Operation Tables
    8. 8 BOM, Schematic, and Layout
      1. 8.1 Bill of Materials
      2. 8.2 Schematic
      3. 8.3 PCB Layout

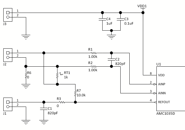
Output Reference

The AMC1035EVM provides an output reference voltage of 2.5 V. This is accessible using pin 1 of J1 and can be seen in the figure below. REFOUT is used to provide excitation for RT1 and the maximum output current is +/-5 mA.

Figu1.pngFigure 1. AMC1035EVM Schematic - Analog Interface, Power Supply, Output Reference