SNAS466G February   2009  – December 2016 ADC10D1000QML-SP

PRODUCTION DATA.  

  1. Features
  2. Applications
  3. Description
  4. Revision History
  5. Pin Configuration and Functions
  6. Specifications
    1. 6.1  Absolute Maximum Ratings
    2. 6.2  ESD Ratings
    3. 6.3  Recommended Operating Conditions
    4. 6.4  Thermal Information
    5. 6.5  Converter Electrical Characteristics: Static Converter Characteristics
    6. 6.6  Converter Electrical Characteristics: Dynamic Converter Characteristics
    7. 6.7  Converter Electrical Characteristics: Analog Input/Output and Reference Characteristics
    8. 6.8  Converter Electrical Characteristics: Channel-to-Channel Characteristics
    9. 6.9  Converter Electrical Characteristics: LVDS CLK Input Characteristics
    10. 6.10 Electrical Characteristics: AutoSync Feature
    11. 6.11 Converter Electrical Characteristics: Digital Control and Output Pin Characteristics
    12. 6.12 Converter Electrical Characteristics: Power Supply Characteristics (1:2 Demux Mode)
    13. 6.13 Converter Electrical Characteristics: AC Electrical Characteristics
    14. 6.14 Timing Requirements: Serial Port Interface
    15. 6.15 Timing Requirements: Calibration
    16. 6.16 Quality Conformance Inspection
    17. 6.17 Timing Diagrams
    18. 6.18 Typical Characteristics
  7. Detailed Description
    1. 7.1 Overview
    2. 7.2 Functional Block Diagram
    3. 7.3 Feature Description
      1. 7.3.1 Features
        1. 7.3.1.1 Input Control and Adjust
          1. 7.3.1.1.1 AC- and DC-Coupled Modes
          2. 7.3.1.1.2 Input Full-Scale Range Adjust
          3. 7.3.1.1.3 Input Offset Adjust
          4. 7.3.1.1.4 DES/Non-DES Mode
          5. 7.3.1.1.5 Sampling Clock Phase Adjust
          6. 7.3.1.1.6 LC Filter-On Input Clock
          7. 7.3.1.1.7 VCMO Adjust
        2. 7.3.1.2 Output Control and Adjust
          1. 7.3.1.2.1 DDR Clock Phase
          2. 7.3.1.2.2 LVDS Output Differential Voltage
          3. 7.3.1.2.3 LVDS Output Common-Mode Voltage
          4. 7.3.1.2.4 Output Formatting
          5. 7.3.1.2.5 Demux/Non-Demux Mode
          6. 7.3.1.2.6 Test Pattern Mode
        3. 7.3.1.3 Calibration Feature
          1. 7.3.1.3.1 Calibration Pins
          2. 7.3.1.3.2 How to Initiate a Calibration Event
          3. 7.3.1.3.3 On-Command Calibration
          4. 7.3.1.3.4 Calibration Adjust
          5. 7.3.1.3.5 Calibration and Power Down
          6. 7.3.1.3.6 Read/Write Calibration Settings
        4. 7.3.1.4 Power Down
      2. 7.3.2 Power-On Reset
    4. 7.4 Device Functional Modes
      1. 7.4.1 Control Modes
        1. 7.4.1.1 Non-Extended Control Mode
          1. 7.4.1.1.1 Non-Demultiplexed Mode Pin (NDM)
          2. 7.4.1.1.2 Dual Data-Rate Phase Pin (DDRPh)
          3. 7.4.1.1.3 Calibration Pin (CAL)
          4. 7.4.1.1.4 Power-Down I-Channel Pin (PDI)
          5. 7.4.1.1.5 Power-Down Q-Channel Pin (PDQ)
          6. 7.4.1.1.6 Test Pattern Mode Pin (TPM)
          7. 7.4.1.1.7 Full-Scale Input Range Pin (FSR)
          8. 7.4.1.1.8 AC-DC-Coupled Mode Pin (VCMO)
          9. 7.4.1.1.9 LVDS Output Common-Mode Pin (VBG)
      2. 7.4.2 Extended Control Mode
    5. 7.5 Programming
      1. 7.5.1 Serial Interface
    6. 7.6 Register Maps
      1. 7.6.1 Register Definitions
  8. Application and Implementation
    1. 8.1 Application Information
      1. 8.1.1 Analog Inputs
        1. 8.1.1.1 Acquiring the Input
        2. 8.1.1.2 Terminating Unused Analog Inputs
        3. 8.1.1.3 Reference Voltage and FSR
        4. 8.1.1.4 Out-of-Range Indication
        5. 8.1.1.5 AC-Coupled Input Signals
        6. 8.1.1.6 DC-Coupled Input Signals
        7. 8.1.1.7 Single-Ended Input Signals
      2. 8.1.2 Clock Inputs
        1. 8.1.2.1 CLK Coupling
        2. 8.1.2.2 CLK Frequency
        3. 8.1.2.3 CLK Level
        4. 8.1.2.4 CLK Duty Cycle
        5. 8.1.2.5 CLK Jitter
        6. 8.1.2.6 CLK Layout
      3. 8.1.3 The LVDS Outputs
        1. 8.1.3.1 Common-Mode and Differential Voltage
        2. 8.1.3.2 Output Data Rate
      4. 8.1.4 Synchronizing Multiple ADC10D1000S in a System
        1. 8.1.4.1 AutoSync Feature
        2. 8.1.4.2 DCLK Reset Feature
  9. Power Supply Recommendations
    1. 9.1 Power Planes
      1. 9.1.1 Bypass Capacitors
        1. 9.1.1.1 Ground Plane
        2. 9.1.1.2 Power Supply Example
  10. 10Layout
    1. 10.1 Layout Guidelines
      1. 10.1.1 Board Mounting Recommendation
    2. 10.2 Layout Example
    3. 10.3 Thermal Management
    4. 10.4 Temperature Sensor Diode
    5. 10.5 Radiation Environments
      1. 10.5.1 Total Ionizing Dose
      2. 10.5.2 Single Event Latch-Up and Functional Interrupt
      3. 10.5.3 Single Event Upset
  11. 11Device and Documentation Support
    1. 11.1 Device Support
      1. 11.1.1 Third-Party Products Disclaimer
      2. 11.1.2 Device Nomenclature
        1. 11.1.2.1 Specification Definitions
    2. 11.2 Related Links
    3. 11.3 Receiving Notification of Documentation Updates
    4. 11.4 Community Resources
    5. 11.5 Trademarks
    6. 11.6 Electrostatic Discharge Caution
    7. 11.7 Glossary
  12. 12Mechanical, Packaging, and Orderable Information
    1. 12.1 Engineering Samples

封装选项

请参考 PDF 数据表获取器件具体的封装图。

机械数据 (封装 | 引脚)
  • NAA|376
散热焊盘机械数据 (封装 | 引脚)
订购信息

Features

  • Space Qualified
    • Total Ionizing Dose 100 krad(Si)
    • Single-Event Latch-Up 120 MeV-cm2/mg
    • Single-Event Functional-Interrupt Immune 120 MeV-cm2/mg (see Radiation Reports)
  • Configurable to Either 1-GSPS Dual ADC or 2-GSPS Interleaved
  • Low Power Consumption
  • R/W SPI Interface for Extended Control Mode±
  • Internally Terminated, Buffered, Differential Analog Inputs
  • Test Patterns at Output for System Debug
  • Programmable 15-Bit Gain and 12-Bit Plus Sign Offset Adjustments
  • Option of 1:2 Demuxed or 1:1 Non-Demuxed LVDS Outputs
  • Auto-Sync Feature for Multi-Chip Systems
  • Single 1.9-V Power Supply
  • Thermally Enhanced Column-Grid-Array Package

Applications

  • Wideband Communications
  • Direct RF Down Conversion
  • Star Tracker

Description

The ADC10D1000 is a 10-bit, low-power, high-performance CMOS analog-to-digital converter (ADC) with sampling rates of up to 1 GSPS in dual-channel mode or 2 GSPS in single-channel mode. The ADC10D1000 achieves excellent accuracy and dynamic performance while consuming a typical 2.9 W of power.

The ADC10D1000 provides a flexible LVDS interface, which has multiple SPI-programmable options to facilitate board design and FPGA/ASIC data capture. The LVDS outputs are compatible with IEEE 1596.3- 1996 and support programmable common-mode voltage.

The product is packaged in a hermatic 376-pin column grid array (CCGA) that is thermally enhanced and rated over the temperature range of –55°C to +125°C.

Device Information(1)

PART NUMBER GRADE PACKAGE
ADC10D1000CCMLS Flight part 100 krad CCGA (376)
ADC10D1000CCMPR Pre-flight engineering prototype CCGA (376)
ADC10D1000CVAL Ceramic evaluation board
ADC10D1000DAISY Daisy chain, mechanical sample, no die CCGA (376)
For all available packages, see the package orderable addendum (POA) at the end of the data sheet.

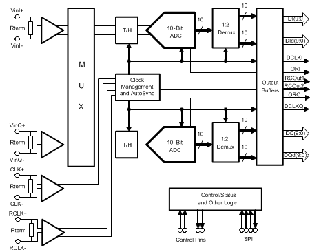
Functional Block Diagram

ADC10D1000QML-SP 30071853.gif