ZHCSKM3H March   1999  – April 2025 UCC1801 , UCC1802 , UCC1803 , UCC1804 , UCC1805 , UCC2800 , UCC2801 , UCC2802 , UCC2803 , UCC2804 , UCC2805 , UCC3800 , UCC3801 , UCC3802 , UCC3803 , UCC3804 , UCC3805

PRODUCTION DATA  

  1.   1
  2. 特性
  3. 应用
  4. 说明
  5. 器件比较
  6. 引脚配置和功能
  7. 规格
    1. 6.1 绝对最大额定值
    2. 6.2 ESD 等级
    3. 6.3 建议运行条件
    4. 6.4 热性能信息
    5. 6.5 电气特性
    6. 6.6 典型特性
  8. 详细说明
    1. 7.1 概述
    2. 7.2 功能方框图
    3. 7.3 特性说明
      1. 7.3.1  详细引脚说明
        1. 7.3.1.1 COMP
        2. 7.3.1.2 FB
        3. 7.3.1.3 CS
        4. 7.3.1.4 RC
        5. 7.3.1.5 GND
        6. 7.3.1.6 OUT
        7. 7.3.1.7 VCC
        8. 7.3.1.8 引脚 8 (REF)
      2. 7.3.2  欠压锁定 (UVLO)
      3. 7.3.3  自偏置低电平有效输出
      4. 7.3.4  基准电压
      5. 7.3.5  振荡器
      6. 7.3.6  同步
      7. 7.3.7  PWM 生成器
      8. 7.3.8  最小关断时间设置(死区时间控制)
      9. 7.3.9  前沿消隐
      10. 7.3.10 最小脉冲宽度
      11. 7.3.11 电流限制
      12. 7.3.12 过流保护和全周期重启
      13. 7.3.13 软启动
      14. 7.3.14 斜率补偿
    4. 7.4 器件功能模式
      1. 7.4.1 正常运行
      2. 7.4.2 UVLO 模式
      3. 7.4.3 软启动模式
      4. 7.4.4 故障模式
  9. 应用和实施
    1. 8.1 应用信息
    2. 8.2 典型应用
      1. 8.2.1 设计要求
      2. 8.2.2 详细设计过程
        1. 8.2.2.1 电流检测网络
        2. 8.2.2.2 栅极驱动电阻器
        3. 8.2.2.3 Vref 电容器
        4. 8.2.2.4 RTCT
        5. 8.2.2.5 启动电路
        6. 8.2.2.6 电压反馈补偿
          1. 8.2.2.6.1 功率级增益、零点和极点
          2. 8.2.2.6.2 补偿环路
      3. 8.2.3 应用曲线
    3. 8.3 电源相关建议
    4. 8.4 布局
      1. 8.4.1 布局指南
      2. 8.4.2 布局示例
  10. 器件和文档支持
    1. 9.1 相关链接
    2. 9.2 接收文档更新通知
    3. 9.3 支持资源
    4. 9.4 商标
    5. 9.5 静电放电警告
    6. 9.6 术语表
  11. 10Revision History
  12. 11机械、封装和可订购信息

封装选项

机械数据 (封装 | 引脚)
散热焊盘机械数据 (封装 | 引脚)
订购信息

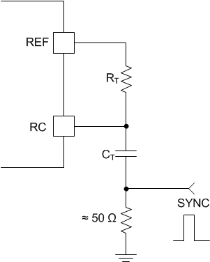
同步

图 7-9 中所示通用技术是实现此类 PWM 控制器同步的理想选择。IC 振荡器被设定为在比同步频率低约 20% 的频率下自由运行。在 50Ω 电阻器上施加一个短暂的正脉冲即可实现强制同步。通常情况下,100ns 宽度的 1V 振幅脉冲足以满足大多数应用的要求。

IC 还可与直接进入振荡器 RC 引脚的脉冲序列输入同步。请注意,一旦超过振荡器阈值上限,IC 内部就会在该节点拉至低电平。该 130Ω 接地阻抗在引脚降至约 0.2V 之前始终有效。外部同步电路必须适配这些条件。

UCC1801 UCC1802 UCC1803 UCC1804 UCC1805 UCC2800 UCC2801 UCC2802 UCC2803 UCC2804 UCC2805 UCC3800 UCC3801 UCC3802 UCC3803 UCC3804 UCC3805 同步振荡器图 7-9 同步振荡器