ZHCSN70F November   2002  – November 2023 UCC27423 , UCC27424 , UCC27425

PRODUCTION DATA  

  1.   1
  2. 特性
  3. 应用
  4. 说明
  5. Device Comparison Table
  6. Pin Configuration and Functions
  7. Specifications
    1. 6.1 Absolute Maximum Ratings
    2. 6.2 ESD Ratings
    3. 6.3 Recommended Operating Conditions
    4. 6.4 Thermal Information
    5. 6.5 Electrical Characteristics
    6. 6.6 Dissipation Ratings
    7. 6.7 Typical Characteristics
  8. Detailed Description
    1. 7.1 Overview
    2. 7.2 Functional Block Diagram
    3. 7.3 Feature Description
      1. 7.3.1 Enable
      2. 7.3.2 Input Stage
      3. 7.3.3 Output Stage
    4. 7.4 Device Functional Modes
  9. Application and Implementation
    1. 8.1 Application Information
    2. 8.2 Typical Application
      1. 8.2.1 Design Requirements
      2. 8.2.2 Detailed Design Procedure
        1. 8.2.2.1 Source and Sink Capabilities During Miller Plateau
        2. 8.2.2.2 Parallel Outputs
        3. 8.2.2.3 VDD
        4. 8.2.2.4 Drive Current and Power Requirements
      3. 8.2.3 Application Curves
  10. Power Supply Recommendations
  11. 10Layout
    1. 10.1 Layout Guidelines
    2. 10.2 Layout Example
    3. 10.3 Thermal Considerations
  12. 11Device and Documentation Support
    1. 11.1 Device Support
      1. 11.1.1 第三方产品免责声明
    2. 11.2 Documentation Support
      1. 11.2.1 Related Documentation
    3. 11.3 接收文档更新通知
    4. 11.4 支持资源
    5. 11.5 Trademarks
    6. 11.6 静电放电警告
    7. 11.7 术语表
  13. 12Revision History
  14. 13Mechanical, Packaging, and Orderable Information

封装选项

请参考 PDF 数据表获取器件具体的封装图。

机械数据 (封装 | 引脚)
  • D|8
  • P|8
  • DGN|8
散热焊盘机械数据 (封装 | 引脚)
订购信息

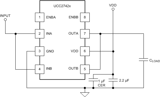
Parallel Outputs

The A and B drivers may be combined into a single driver by connecting the INA and INB inputs together and the OUTA and OUTB outputs together. Then, a single signal can control the paralleled combination as shown in Figure 8-4.

GUID-A793806A-A429-4405-BF31-7F0E4026A7FD-low.gifFigure 8-4 Parallel Operation of UCC27423 and UCC27424

Important consideration about paralleling two channels for UCC27423/4 include the INA and INB should be shorted in PCB layout as close to the device as possible, as well as for OUTA and OUTB, in which condition PCB layout parasitic mismatching between two channels could be minimized. The INA/B slope signal should be fast enough to avoid mismatched VIN_H / VIN_L, td1 / td2 between channel-A and channel-B. It is recommended to have input signal slope faster than 20 V/us.