ZHCSLM8B August   2020  – February 2024 UCC21759-Q1

PRODUCTION DATA  

  1.   1
  2. 特性
  3. 应用
  4. 说明
  5. Pin Configuration and Functions
  6. Specifications
    1. 5.1  Absolute Maximum Ratings
    2. 5.2  ESD Ratings
    3. 5.3  Recommended Operating Conditions
    4. 5.4  Thermal Information
    5. 5.5  Power Ratings
    6. 5.6  Insulation Specifications
    7. 5.7  Safety-Related Certifications
    8. 5.8  Safety Limiting Values
    9. 5.9  Electrical Characteristics
    10. 5.10 Switching Characteristics
    11. 5.11 Insulation Characteristics Curves
    12. 5.12 Typical Characteristics
  7. Parameter Measurement Information
    1. 6.1 Propagation Delay
      1. 6.1.1 Non-Inverting and Inverting Propagation Delay
    2. 6.2 Input Deglitch Filter
    3. 6.3 Active Miller Clamp
      1. 6.3.1 Internal On-chip Active Miller Clamp
    4. 6.4 Under Voltage Lockout (UVLO)
      1. 6.4.1 VCC UVLO
      2. 6.4.2 VDD UVLO
    5. 6.5 Desaturation (DESAT) Protection
      1. 6.5.1 DESAT Protection with Soft Turn-OFF
  8. Detailed Description
    1. 7.1 Overview
    2. 7.2 Functional Block Diagram
    3. 7.3 Feature Description
      1. 7.3.1  Power Supply
      2. 7.3.2  Driver Stage
      3. 7.3.3  VCC and VDD Undervoltage Lockout (UVLO)
      4. 7.3.4  Active Pulldown
      5. 7.3.5  Short Circuit Clamping
      6. 7.3.6  Internal Active Miller Clamp
      7. 7.3.7  Desaturation (DESAT) Protection
      8. 7.3.8  Soft Turn-off
      9. 7.3.9  Fault ( FLT, Reset and Enable ( RST/EN)
      10. 7.3.10 Isolated Analog to PWM Signal Function
    4. 7.4 Device Functional Modes
  9. Applications and Implementation
    1. 8.1 Application Information
    2. 8.2 Typical Application
      1. 8.2.1 Design Requirements
      2. 8.2.2 Detailed Design Procedure
        1. 8.2.2.1 Input filters for IN+, IN- and RST/EN
        2. 8.2.2.2 PWM Interlock of IN+ and IN-
        3. 8.2.2.3 FLT, RDY and RST/EN Pin Circuitry
        4. 8.2.2.4 RST/EN Pin Control
        5. 8.2.2.5 Turn-On and Turn-Off Gate Resistors
        6. 8.2.2.6 Desaturation (DESAT) Protection
        7. 8.2.2.7 Isolated Analog Signal Sensing
          1. 8.2.2.7.1 Isolated Temperature Sensing
          2. 8.2.2.7.2 Isolated DC Bus Voltage Sensing
        8. 8.2.2.8 Higher Output Current Using an External Current Buffer
      3. 8.2.3 Application Curves
  10. Power Supply Recommendations
  11. 10Layout
    1. 10.1 Layout Guidelines
    2. 10.2 Layout Example
  12. 11Device and Documentation Support
    1. 11.1 第三方产品免责声明
    2. 11.2 Documentation Support
      1. 11.2.1 Related Documentation
    3. 11.3 接收文档更新通知
    4. 11.4 支持资源
    5. 11.5 Trademarks
    6. 11.6 静电放电警告
    7. 11.7 术语表
  13. 12Revision History
  14. 13Mechanical, Packaging, and Orderable Information

封装选项

机械数据 (封装 | 引脚)
散热焊盘机械数据 (封装 | 引脚)
订购信息

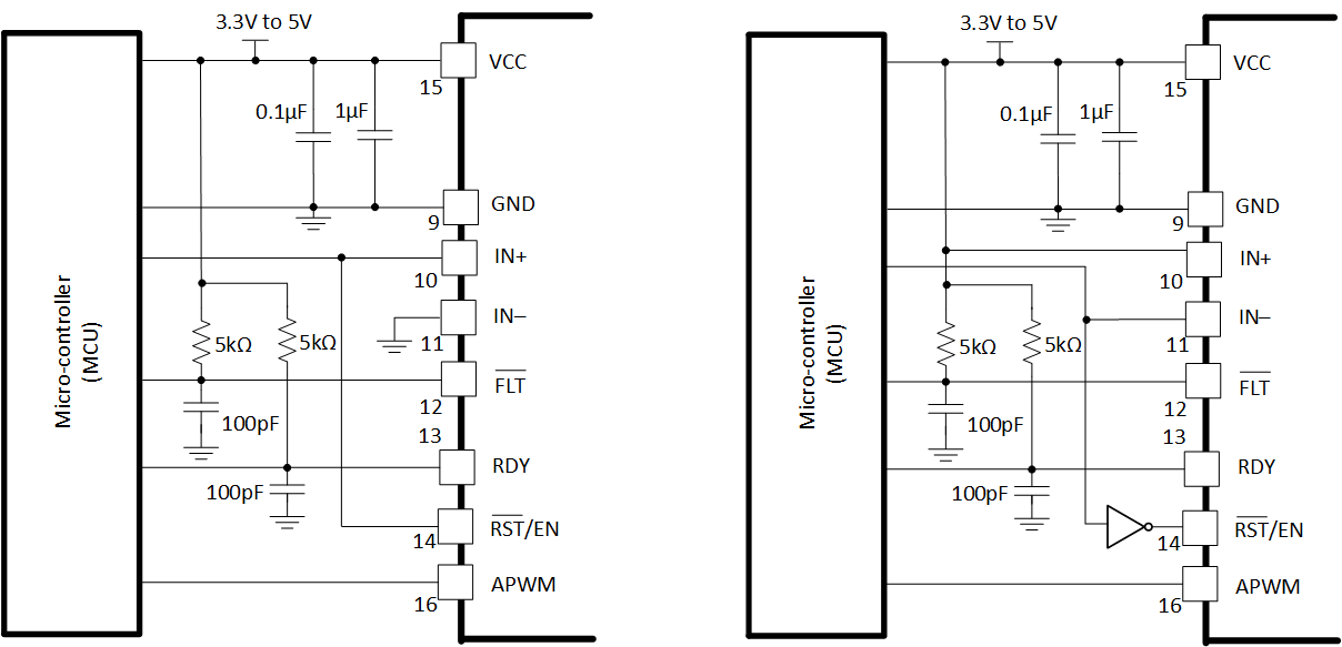
RST/EN Pin Control

RST/EN pin has two functions. It is used to enable or shutdown the outputs of the driver and to reset the fault signaled on the FLT pin after DESAT is detected. RST/EN pin needs to be pulled up to enable the device; when the pin is pulled down, the device is in disabled status. By default the driver is disabled with the internal 50kΩ pulldown resistor at this pin.

When the driver is latched after DESAT is detected, the FLT pin and output are latched low and need to be reset by the RST/EN pin. The microcontroller must send a signal to RST/EN pin after the fault to reset the driver. The driver will not respond until after the mute time tFLTMUTE. The reset signal must be held low for at least tRSTFIL after the mute time.

This pin can also be used to automatically reset the driver. The continuous input signal IN+ or IN- can be applied to RST/EN pin. There is no separate reset signal from the microcontroller when configuring the driver this way. If the PWM is applied to the non-inverting input IN+, then IN+ can also be tied to RST/EN pin. If the PWM is applied to the inverting input IN-, then a NOT logic is needed between the PWM signal from the microcontroller and the RST/EN pin. Using either configuration results in the driver being reset in every switching cycle without an extra control signal from microcontroller tied to RST/EN pin. One must ensure the PWM off-time is greater than tRSTFIL in order to reset the driver in cause of a DESAT fault.

GUID-C6F3FA70-E2AA-4CF3-8B60-8C79ED230D83-low.gifFigure 8-4 Automatic Reset Control