ZHCSKF2C February   2019  – January 2023 UCC21750

PRODUCTION DATA  

  1. 特性
  2. 应用
  3. 说明
  4. Revision History
  5. Pin Configuration and Functions
  6. Specifications
    1. 6.1  Absolute Maximum Ratings
    2. 6.2  ESD Ratings
    3. 6.3  Recommended Operating Conditions
    4. 6.4  Thermal Information
    5. 6.5  Power Ratings
    6. 6.6  Insulation Specifications
    7. 6.7  Safety Limiting Values
    8. 6.8  Electrical Characteristics
    9. 6.9  Safety-Related Certifications
    10. 6.10 Switching Characteristics
    11. 6.11 Insulation Characteristics Curves
    12. 6.12 Typical Characteristics
  7. Parameter Measurement Information
    1. 7.1 Propagation Delay
      1. 7.1.1 Regular Turn-OFF
    2. 7.2 Input Deglitch Filter
    3. 7.3 Active Miller Clamp
      1. 7.3.1 Internal On-chip Active Miller Clamp
    4. 7.4 Undervoltage Lockout (UVLO)
      1. 7.4.1 VCC UVLO
      2. 7.4.2 VDD UVLO
    5. 7.5 Desaturation (DESAT) Protection
      1. 7.5.1 DESAT Protection with Soft Turn-OFF
  8. Detailed Description
    1. 8.1 Overview
    2. 8.2 Functional Block Diagram
    3. 8.3 Feature Description
      1. 8.3.1  Power Supply
      2. 8.3.2  Driver Stage
      3. 8.3.3  VCC and VDD Undervoltage Lockout (UVLO)
      4. 8.3.4  Active Pulldown
      5. 8.3.5  Short Circuit Clamping
      6. 8.3.6  Internal Active Miller Clamp
      7. 8.3.7  Desaturation (DESAT) Protection
      8. 8.3.8  Soft Turn-Off
      9. 8.3.9  Fault (FLT, Reset, and Enable (RST/EN)
      10. 8.3.10 Isolated Analog to PWM Signal Function
    4. 8.4 Device Functional Modes
  9. Applications and Implementation
    1. 9.1 Application Information
    2. 9.2 Typical Application
      1. 9.2.1 Design Requirements
      2. 9.2.2 Detailed Design Procedure
        1. 9.2.2.1 Input Filters for IN+, IN–, and RST/EN
        2. 9.2.2.2 PWM Interlock of IN+ and IN–
        3. 9.2.2.3 FLT, RDY, and RST/EN Pin Circuitry
        4. 9.2.2.4 RST/EN Pin Control
        5. 9.2.2.5 Turn-On and Turn-Off Gate Resistors
        6. 9.2.2.6 Overcurrent and Short Circuit Protection
        7. 9.2.2.7 Isolated Analog Signal Sensing
          1. 9.2.2.7.1 Isolated Temperature Sensing
          2. 9.2.2.7.2 Isolated DC Bus Voltage Sensing
        8. 9.2.2.8 Higher Output Current Using an External Current Buffer
      3. 9.2.3 Application Curves
  10. 10Power Supply Recommendations
  11. 11Layout
    1. 11.1 Layout Guidelines
    2. 11.2 Layout Example
  12. 12Device and Documentation Support
    1. 12.1 Device Support
      1. 12.1.1 第三方产品免责声明
    2. 12.2 Documentation Support
      1. 12.2.1 Related Documentation
    3. 12.3 接收文档更新通知
    4. 12.4 支持资源
    5. 12.5 Trademarks
    6. 12.6 静电放电警告
    7. 12.7 术语表
  13. 13Mechanical, Packaging, and Orderable Information

封装选项

机械数据 (封装 | 引脚)
散热焊盘机械数据 (封装 | 引脚)
订购信息

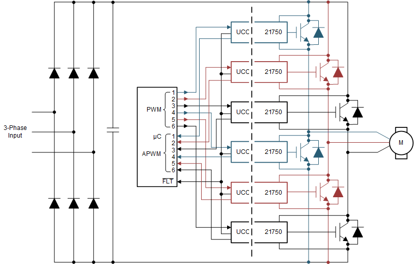
Typical Application

Figure 9-1 shows the typical application of a half bridge using two UCC21750 isolated gate drivers. The half bridge is a basic element in various power electronics applications such as in motor drive applications to control the operating speed and torque of an AC motor.

GUID-181C6EDB-6B09-4392-9DA3-90BCDC57EAFC-low.gif Figure 9-1 Typical Application Schematic