ZHCSRQ6C February   2023  – March 2024 UCC14341-Q1

PRODUCTION DATA  

  1.   1
  2. 特性
  3. 应用
  4. 说明
  5. 器件比较
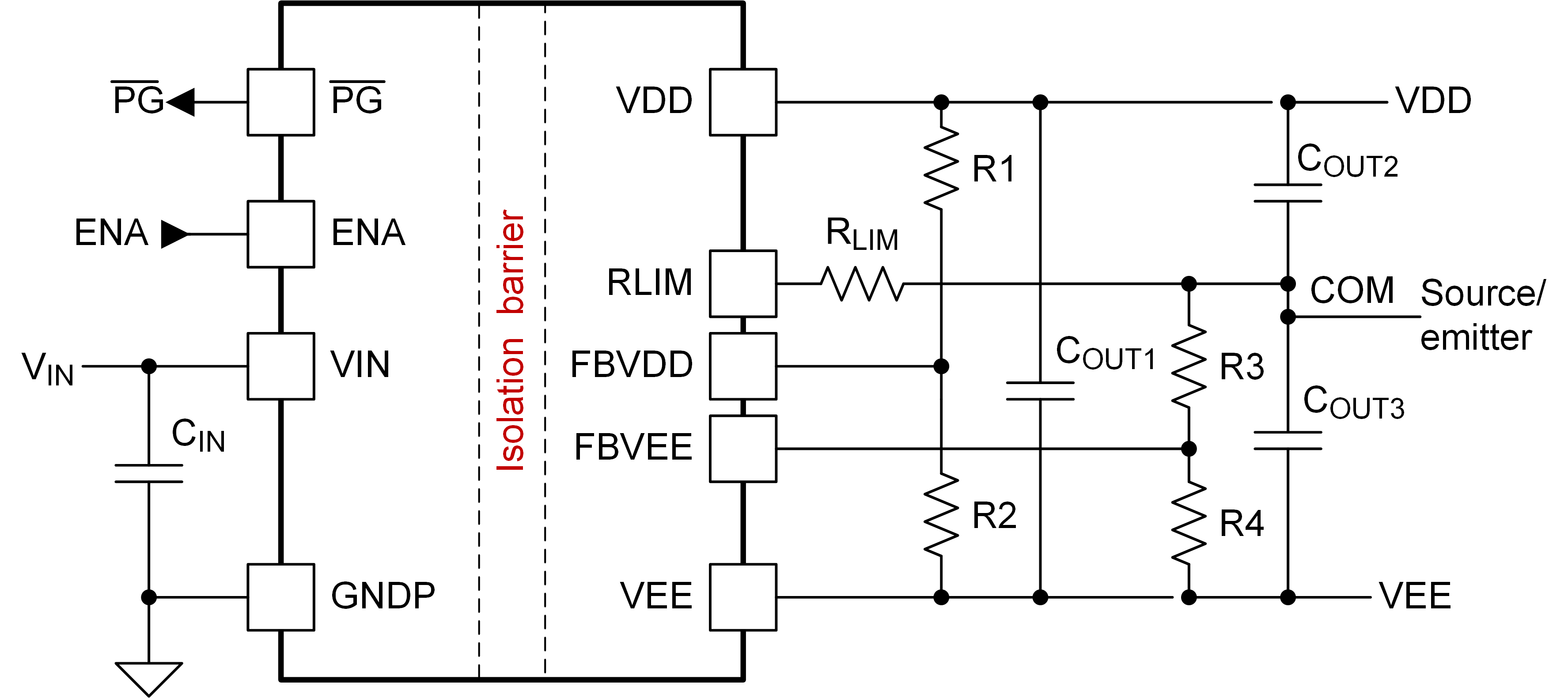
  6. 引脚配置和功能
  7. 规格
    1. 6.1  绝对最大额定值
    2. 6.2  ESD 等级
    3. 6.3  建议运行条件
    4. 6.4  热性能信息
    5. 6.5  绝缘规格
    6. 6.6  电气特性
    7. 6.7  安全限值
    8. 6.8  安全相关认证
    9. 6.9  绝缘特性
    10. 6.10 典型特性
  8. 详细说明
    1. 7.1 概述
    2. 7.2 功能方框图
    3. 7.3 特性说明
      1. 7.3.1 功率级运行
        1. 7.3.1.1 VDD-VEE 电压调节
        2. 7.3.1.2 COM-VEE 电压调节
        3. 7.3.1.3 功率处理能力
      2. 7.3.2 输出电压软启动
      3. 7.3.3 ENA 和 PG
      4. 7.3.4 保护功能
        1. 7.3.4.1 输入欠压锁定
        2. 7.3.4.2 输入过压锁定
        3. 7.3.4.3 输出欠压保护
        4. 7.3.4.4 输出过压保护
        5. 7.3.4.5 过功率保护
        6. 7.3.4.6 过热保护
    4. 7.4 器件功能模式
  9. 应用和实施
    1. 8.1 应用信息
    2. 8.2 典型应用
      1. 8.2.1 设计要求
      2. 8.2.2 详细设计过程
        1. 8.2.2.1 电容器选型
        2. 8.2.2.2 单个 RLIM 电阻器选型
        3. 8.2.2.3 RDR 电路元件选型
        4. 8.2.2.4 反馈电阻器选型
    3. 8.3 系统示例
    4. 8.4 电源相关建议
    5. 8.5 布局
      1. 8.5.1 布局指南
      2. 8.5.2 布局示例
  10. 器件和文档支持
    1. 9.1 文档支持
      1. 9.1.1 相关文档
    2. 9.2 接收文档更新通知
    3. 9.3 支持资源
    4. 9.4 商标
    5. 9.5 静电放电警告
    6. 9.6 术语表
  11. 10修订历史记录
  12. 11机械、封装和可订购信息
  13. 12卷带包装信息

封装选项

机械数据 (封装 | 引脚)
散热焊盘机械数据 (封装 | 引脚)
订购信息

说明

UCC14341-Q1 是一款高隔离电压直流/直流模块,旨在为 IGBT 或 SiC 栅极驱动器供电。该模块集成了一个变压器和具有专有架构的直流/直流控制器,可实现高效率和非常低的发射。高精度输出电压可提供更高的系统效率,不会对功率器件栅极造成过应力。

这款完全集成的模块具有片上器件保护功能,需要非常少的外部元件,可提供额外的特性,例如输入欠压锁定、过压锁定、输出电压电源正常比较器、过热关断、软启动时序、可调隔离式正负输出电压、使能引脚和开漏输出电源正常引脚。

器件信息
可订购器件型号(1) 封装 封装尺寸(标称值)
UCC14341QDWNRQ1 SSOP 12.83mm × 7.50mm
UCC14341BQDWNRQ1 SSOP 12.83mm × 7.50mm
如需了解所有可用封装,请参阅数据表末尾的可订购产品附录。
GUID-7AC281E7-3B24-4CEC-8112-C5793A47AEBB-low.gif简化版应用
GUID-F7A1F42D-F745-4D08-8B12-3E504A4BF2E5-low.svg典型上电序列