ZHCSGF3B July   2017  – January 2019 TPS7A92

PRODUCTION DATA.  

  1. 特性
  2. 应用
  3. 说明
    1.     Device Images
      1.      典型应用电路
      2.      典型应用图
  4. 修订历史记录
  5. Pin Configuration and Functions
    1.     Pin Functions
  6. Specifications
    1. 6.1 Absolute Maximum Ratings
    2. 6.2 ESD Ratings
    3. 6.3 Recommended Operating Conditions
    4. 6.4 Thermal Information
    5. 6.5 Electrical Characteristics
    6. 6.6 Typical Characteristics
  7. Detailed Description
    1. 7.1 Overview
    2. 7.2 Functional Block Diagram
    3. 7.3 Feature Description
      1. 7.3.1 Output Enable
      2. 7.3.2 Dropout Voltage (VDO)
      3. 7.3.3 Output Voltage Accuracy
      4. 7.3.4 High Power-Supply Ripple Rejection (PSRR)
      5. 7.3.5 Low Output Noise
      6. 7.3.6 Output Soft-Start Control
      7. 7.3.7 Power-Good Function
      8. 7.3.8 Internal Protection Circuitry
        1. 7.3.8.1 Undervoltage Lockout (UVLO)
        2. 7.3.8.2 Internal Current Limit (ICL)
        3. 7.3.8.3 Thermal Protection
    4. 7.4 Device Functional Modes
      1. 7.4.1 Normal Operation
      2. 7.4.2 Dropout Operation
      3. 7.4.3 Disabled
  8. Application and Implementation
    1. 8.1 Application Information
      1. 8.1.1 Adjustable Output
      2. 8.1.2 Start-Up
        1. 8.1.2.1 Enable (EN) and Undervoltage Lockout (UVLO)
        2. 8.1.2.2 Noise-Reduction and Soft-Start Capacitor (CNR/SS)
          1. 8.1.2.2.1 Noise Reduction
          2. 8.1.2.2.2 Soft-Start and Inrush Current
      3. 8.1.3 Capacitor Recommendation
        1. 8.1.3.1 Input and Output Capacitor Requirements (CIN and COUT)
          1. 8.1.3.1.1 Load-Step Transient Response
        2. 8.1.3.2 Feed-Forward Capacitor (CFF)
      4. 8.1.4 Power Dissipation (PD)
      5. 8.1.5 Estimating Junction Temperature
    2. 8.2 Typical Application
      1. 8.2.1 Design Requirements
      2. 8.2.2 Detailed Design Procedure
      3. 8.2.3 Application Curves
  9. Power Supply Recommendations
  10. 10Layout
    1. 10.1 Layout Guidelines
      1. 10.1.1 Board Layout
    2. 10.2 Layout Example
  11. 11器件和文档支持
    1. 11.1 器件支持
      1. 11.1.1 开发支持
        1. 11.1.1.1 评估模块
        2. 11.1.1.2 Spice 模型
      2. 11.1.2 器件命名规则
    2. 11.2 文档支持
      1. 11.2.1 相关文档
    3. 11.3 接收文档更新通知
    4. 11.4 社区资源
    5. 11.5 商标
    6. 11.6 静电放电警告
    7. 11.7 术语表
  12. 12机械、封装和可订购信息

封装选项

机械数据 (封装 | 引脚)
散热焊盘机械数据 (封装 | 引脚)
订购信息

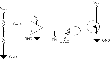
Power-Good Function

The power-good circuit monitors the voltage at the feedback pin to indicate the status of the output voltage. When the feedback pin voltage falls below the PG threshold voltage (VIT(PG)), the PG pin open-drain output engages and pulls the PG pin close to GND. When the feedback voltage exceeds the VIT(PG) threshold by an amount greater than VHYS(PG), the PG pin becomes high impedance. By connecting a pullup resistor to an external supply, any downstream device can receive power-good as a logic signal that can be used for sequencing. Make sure that the external pullup supply voltage results in a valid logic signal for the receiving device or devices. Using a pullup resistor from 10 kΩ to 100 kΩ is recommended. Using an external reset device such as the TPS3890 is also recommended in applications where high accuracy is needed or in applications where microprocessor induced resets are needed.

When using a feed-forward capacitor (CFF), the time constant for the LDO startup is increased whereas the power-good output time constant stays the same, possibly resulting in an invalid status of the power-good output. To avoid this issue and to receive a valid PG output, make sure that the time constant of both the LDO startup and the power-good output are matching, which can be done by adding a capacitor in parallel with the power-good pullup resistor. For more information, see the Pros and Cons of Using a Feedforward Capacitor with a Low-Dropout Regulator application report.

The state of PG is only valid when the device is operating above the minimum input voltage of the device and power good is asserted regardless of the output voltage state when the input voltage falls below the UVLO threshold minus the UVLO hysteresis. Figure 37 illustrates a simplified block diagram of the power-good circuit. When the input voltage falls below approximately 0.8 V, there is not enough gate drive voltage to keep the open-drain, power-good device turned on and the power-good output is pulled high. Connecting the power-good pullup resistor to the output voltage can help minimize this effect.

TPS7A92 ai_pg_circuit_sbvs282.gifFigure 37. Simplified PG Circuit