ZHCSI34E January   2018  – February 2024 TPS61322

PRODUCTION DATA  

  1.   1
  2. 特性
  3. 应用
  4. 说明
  5. Device Comparison Table
  6. Pin Configuration and Functions
    1.     Pin Functions
  7. Specifications
    1. 6.1 Absolute Maximum Ratings
    2. 6.2 ESD Ratings
    3. 6.3 Recommended Operating Conditions
    4. 6.4 Thermal Information
    5. 6.5 Electrical Characteristics
    6. 6.6 Typical Characteristics
  8. Detailed Description
    1. 7.1 Overview
    2. 7.2 Functional Block Diagram
    3. 7.3 Feature Description
      1. 7.3.1 Soft Start
      2. 7.3.2 Boost Controller Circuit
      3. 7.3.3 21
      4. 7.3.4 Undervoltage Lockout
      5. 7.3.5 Current Limit Operation
      6. 7.3.6 Overtemperature Protection
      7. 7.3.7 Device Functional Modes
  9. Application and Implementation
    1. 8.1 Application Information
    2. 8.2 Typical Application
      1. 8.2.1 Boost without Schottky Diode
        1. 8.2.1.1 Design Requirements
        2. 8.2.1.2 Detailed Design Procedure
          1. 8.2.1.2.1 Custom Design With WEBENCH® Tools
          2. 8.2.1.2.2 Maximum Output Current
          3. 8.2.1.2.3 Inductor Selection
          4. 8.2.1.2.4 35
          5. 8.2.1.2.5 Capacitor Selection
          6. 8.2.1.2.6 37
        3. 8.2.1.3 Application Curves
      2. 8.2.2 Boost with Schottky Diode
        1. 8.2.2.1 Design Requirements
        2. 8.2.2.2 Detailed Design Procedure
          1. 8.2.2.2.1 Inductor Selection
          2. 8.2.2.2.2 Schottky Diode Selection
          3. 8.2.2.2.3 Capacitor Selection
        3. 8.2.2.3 Application Curves
    3. 8.3 System Examples
      1. 8.3.1 Detail Design Schematics
  10. Power Supply Recommendations
  11. 10Layout
    1. 10.1 Layout Guidelines
    2. 10.2 Layout Examples
  12. 11Device and Documentation Support
    1. 11.1 Device Support
      1. 11.1.1 第三方产品免责声明
      2. 11.1.2 Development Support
        1. 11.1.2.1 Custom Design With WEBENCH® Tools
    2. 11.2 Documentation Support
      1. 11.2.1 Related Documentation
    3. 11.3 Receiving Notification of Documentation Updates
    4. 11.4 支持资源
    5. 11.5 Trademarks
    6. 11.6 静电放电警告
    7. 11.7 术语表
  13. 12Revision History
  14. 13Mechanical, Packaging, and Orderable Information

封装选项

机械数据 (封装 | 引脚)
散热焊盘机械数据 (封装 | 引脚)
订购信息

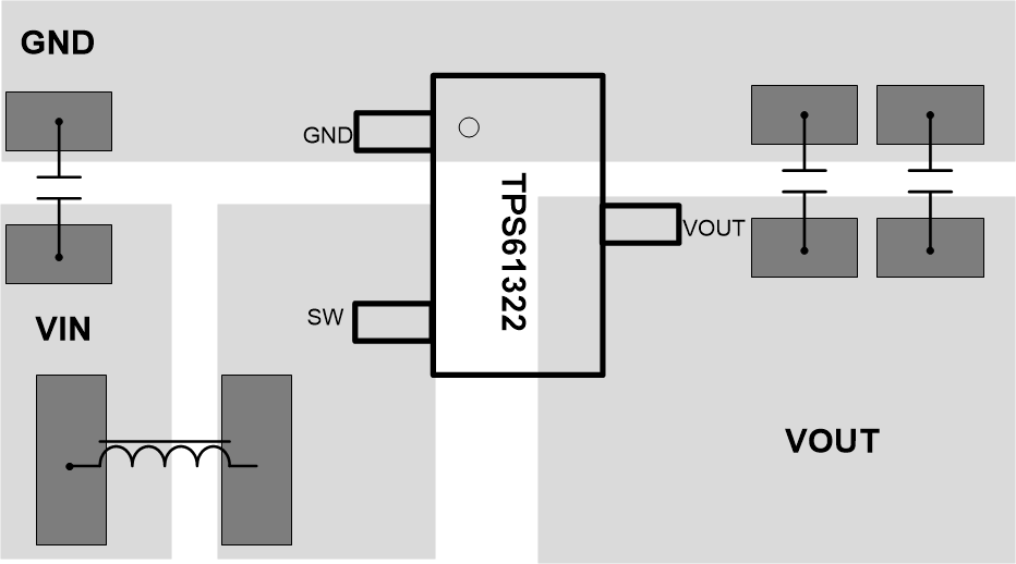
Layout Examples

A large ground plane on the top and bottom is good for thermal performance.

GUID-C1B5AE5A-7906-46EE-9ACB-E585C58220CA-low.gif
Figure 10-1 TPS61322 Layout
GUID-C8ED8574-B7E0-4C3F-A7EE-A687D7D94F00-low.gif
Figure 10-3 TPS61322xA DBV Package Layout
GUID-613011FD-0755-4658-955F-32F91EA40438-low.gif
Figure 10-2 TPS61322xA DBZ Package Layout