ZHCSK24D July   2019  – July 2021 TPS25832-Q1 , TPS25833-Q1

PRODUCTION DATA  

  1. 特性
  2. 应用
  3. 说明
  4. Revision History
  5. 说明(续)
  6. Device Comparison Table
  7. Pin Configuration and Functions
  8. Specifications
    1. 8.1 Absolute Maximum Ratings
    2. 8.2 ESD Ratings
    3. 8.3 Recommended Operating Conditions
    4. 8.4 Thermal Information
    5. 8.5 Electrical Characteristics
    6. 8.6 Timing Requirements
    7. 8.7 Switching Characteristics
    8. 8.8 Typical Characteristics
  9. Parameter Measurement Information
    1.     18
  10. 10Detailed Description
    1. 10.1 Overview
    2. 10.2 Functional Block Diagram
    3. 10.3 Feature Description
      1. 10.3.1  Buck Regulator
      2. 10.3.2  Enable/UVLO and Start-up
      3. 10.3.3  RT/SYNC
      4. 10.3.4  Spread-Spectrum Operation
      5. 10.3.5  VCC, VCC_UVLO
      6. 10.3.6  Minimum ON-time, Minimum OFF-time
      7. 10.3.7  Internal Compensation
      8. 10.3.8  Bootstrap Voltage (BOOT)
      9. 10.3.9  RSNS, RSET, RILIMIT, and RIMON
      10. 10.3.10 Overcurrent and Short Circuit Protection
        1. 10.3.10.1 Current Limit Setting using RILIMIT
        2. 10.3.10.2 Buck Average Current Limit Design Example
        3. 10.3.10.3 External MOSFET Gate Drivers
        4. 10.3.10.4 Cycle-by-Cycle Buck Current Limit
      11. 10.3.11 IEC and Overvoltage Protection
        1. 10.3.11.1 VBUS and VCSN/OUT Overvoltage Protection
        2. 10.3.11.2 DP_IN and DM_IN Protection
        3. 10.3.11.3 CC IEC and Overvoltage Protection
      12. 10.3.12 Cable Compensation
        1. 10.3.12.1 Cable Compensation Design Example
      13. 10.3.13 USB Port Control
      14. 10.3.14 FAULT Response
      15. 10.3.15 USB Specification Overview
      16. 10.3.16 USB Type-C® Basics
        1. 10.3.16.1 Configuration Channel
        2. 10.3.16.2 Detecting a Connection
        3. 10.3.16.3 Configuration Channel Pins CC1 and CC2
        4. 10.3.16.4 Current Capability Advertisement and VCONN Overload Protection
        5. 10.3.16.5 Plug Polarity Detection
      17. 10.3.17 Device Power Pins (IN, CSN/OUT, and PGND)
      18. 10.3.18 Thermal Shutdown
      19. 10.3.19 Power Wake
      20. 10.3.20 Thermal Sensing with NTC (TPS25833-Q1)
    4. 10.4 Device Functional Modes
      1. 10.4.1 Shutdown Mode
      2. 10.4.2 Standby Mode
      3. 10.4.3 Active Mode
      4. 10.4.4 Device Truth Table (TT)
      5. 10.4.5 USB Port Operating Modes
        1. 10.4.5.1 USB Type-C® Mode
        2. 10.4.5.2 Standard Downstream Port (SDP) Mode — USB 2.0, USB 3.0, and USB 3.1
        3. 10.4.5.3 Charging Downstream Port (CDP) Mode
        4. 10.4.5.4 Dedicated Charging Port (DCP) Mode (TPS25833-Q1 Only)
          1. 10.4.5.4.1 DCP BC1.2 and YD/T 1591-2009
          2. 10.4.5.4.2 DCP Divider-Charging Scheme
          3. 10.4.5.4.3 DCP 1.2-V Charging Scheme
        5. 10.4.5.5 DCP Auto Mode (TPS25833-Q1 Only)
      6. 10.4.6 High-Bandwidth Data-Line Switches (TPS25832-Q1 Only)
  11. 11Application and Implementation
    1. 11.1 Application Information
    2. 11.2 Typical Application
      1. 11.2.1 Design Requirements
      2. 11.2.2 Detailed Design Procedure
        1. 11.2.2.1  Output Voltage
        2. 11.2.2.2  Switching Frequency
        3. 11.2.2.3  Inductor Selection
        4. 11.2.2.4  Output Capacitor Selection
        5. 11.2.2.5  Input Capacitor Selection
        6. 11.2.2.6  Bootstrap Capacitor Selection
        7. 11.2.2.7  VCC Capacitor Selection
        8. 11.2.2.8  Enable and Under Voltage Lockout Set-Point
        9. 11.2.2.9  Current Limit Set-Point
        10. 11.2.2.10 Cable Compensation Set-Point
        11. 11.2.2.11 LD_DET, POL, and FAULT Resistor Selection
      3. 11.2.3 Application Curves
  12. 12Power Supply Recommendations
  13. 13Layout
    1. 13.1 Layout Guidelines
    2. 13.2 Ground Plane and Thermal Considerations
    3. 13.3 Layout Example
  14. 14Device and Documentation Support
    1. 14.1 接收文档更新通知
    2. 14.2 支持资源
    3. 14.3 Trademarks
    4. 14.4 Electrostatic Discharge Caution
    5. 14.5 术语表
  15. 15Mechanical, Packaging, and Orderable Information

封装选项

机械数据 (封装 | 引脚)
散热焊盘机械数据 (封装 | 引脚)
订购信息

Plug Polarity Detection

Reversible Type-C plug orientation is reported by the POL pin when a UFP is connected. However when no UFP is attached, POL remains de-asserted irrespective of cable plug orientation. Table 10-9 describes the POL state based on which device CC pin detects VRD from an attached UFP pull-down.

Table 10-9 Plug Polarity Detection
CC1CC2POLSTATE
RdOpenHi-ZUFP connected
OpenRdAsserted (pulled low)UFP connected with reverse plug orientation

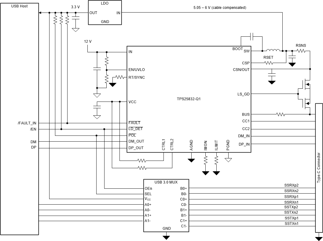
Figure 10-27 shows an example implementation which uses the POL terminal to control the SEL terminal on the HD3SS3212. The HD3SS3212 provides switching on the differential channels between Port B and Port C to Port A depending on cable orientation.

GUID-C040E822-3394-4C4D-AB8B-DBEA27CB28AE-low.gifFigure 10-27 Example Implementation