ZHCSKY9E March   2020  – October 2022 TMUX1308 , TMUX1309

PRODUCTION DATA  

  1. 特性
  2. 应用
  3. 说明
  4. Revision History
  5. Device Comparison Table
  6. Pin Configuration and Functions
  7. Specifications
    1. 7.1  Absolute Maximum Ratings
    2. 7.2  ESD Ratings
    3. 7.3  Recommended Operating Conditions
    4. 7.4  Thermal Information: TMUX1308
    5. 7.5  Thermal Information: TMUX1309
    6. 7.6  Electrical Characteristics
    7. 7.7  Logic and Dynamic Characteristics
    8. 7.8  Timing Characteristics
    9. 7.9  Injection Current Coupling
    10. 7.10 Typical Characteristics
  8. Parameter Measurement Information
    1. 8.1  On-Resistance
    2. 8.2  Off-Leakage Current
    3. 8.3  On-Leakage Current
    4. 8.4  Transition Time
    5. 8.5  Break-Before-Make
    6. 8.6  tON(EN) and tOFF(EN)
    7. 8.7  Charge Injection
    8. 8.8  Off Isolation
    9. 8.9  Crosstalk
    10. 8.10 Bandwidth
    11. 8.11 Injection Current Control
  9. Detailed Description
    1. 9.1 Overview
    2. 9.2 Functional Block Diagram
    3. 9.3 Feature Description
      1. 9.3.1 Bidirectional Operation
      2. 9.3.2 Rail-to-Rail Operation
      3. 9.3.3 1.8 V Logic Compatible Inputs
      4. 9.3.4 Fail-Safe Logic
      5. 9.3.5 Injection Current Control
        1. 9.3.5.1 TMUX13xx is Powered, Channel is Unselected, and the Input Signal is Greater Than VDD (VDD = 5 V, VINPUT = 5.5 V)
        2. 9.3.5.2 TMUX13xx is Powered, Channel is Selected, and the Input Signal is Greater Than VDD (VDD = 5 V, VINPUT = 5.5 V)
        3. 9.3.5.3 TMUX13xx is Unpowered and the Input Signal has a Voltage Present (VDD = 0 V, VINPUT = 3 V)
    4. 9.4 Device Functional Modes
    5. 9.5 Truth Tables
  10. 10Application and Implementation
    1. 10.1 Application Information
    2. 10.2 Typical Application
    3. 10.3 Design Requirements
    4. 10.4 Detailed Design Procedure
  11. 11Power Supply Recommendations
  12. 12Layout
    1. 12.1 Layout Guidelines
    2. 12.2 Layout Example
  13. 13Device and Documentation Support
    1. 13.1 Documentation Support
      1. 13.1.1 Related Documentation
    2. 13.2 Receiving Notification of Documentation Updates
    3. 13.3 支持资源
    4. 13.4 Trademarks
    5. 13.5 Electrostatic Discharge Caution
    6. 13.6 术语表
  14. 14Mechanical, Packaging, and Orderable Information

封装选项

机械数据 (封装 | 引脚)
散热焊盘机械数据 (封装 | 引脚)
订购信息

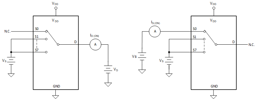
On-Leakage Current

Source on-leakage current is defined as the leakage current flowing into or out of the source pin when the switch is on. This current is denoted by the symbol IS(ON).

Drain on-leakage current is defined as the leakage current flowing into or out of the drain pin when the switch is on. This current is denoted by the symbol ID(ON).

Either the source pin or drain pin is left floating during the measurement. Figure 8-3 shows the circuit used for measuring the on-leakage current, denoted by IS(ON) or ID(ON).

GUID-97BFF9DF-D0FF-47A8-A7D7-DAFB6C55B5C2-low.gifFigure 8-3 On-Leakage Measurement Setup