ZHCSGY3G January 2017 – January 2023 TMS320F280040-Q1 , TMS320F280040C-Q1 , TMS320F280041 , TMS320F280041-Q1 , TMS320F280041C , TMS320F280041C-Q1 , TMS320F280045 , TMS320F280048-Q1 , TMS320F280048C-Q1 , TMS320F280049 , TMS320F280049-Q1 , TMS320F280049C , TMS320F280049C-Q1
PRODUCTION DATA
本节介绍了模拟子系统模块。
该器件上的模拟模块包括 ADC、PGA、温度传感器、缓冲 DAC 和 CMPSS。
模拟子系统具有以下特性:
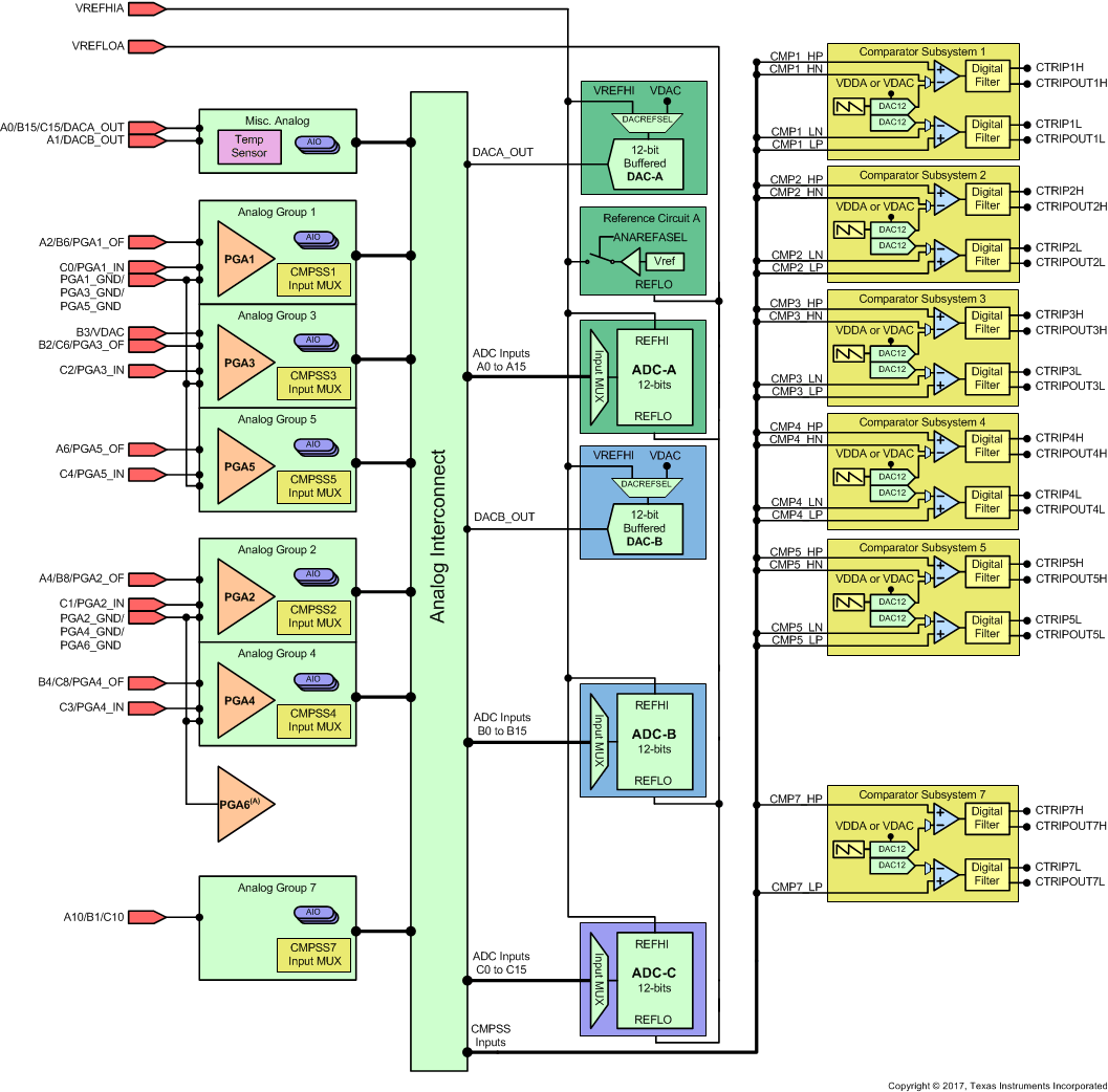
图 7-37 显示了 100 引脚 PZ LQFP 的模拟子系统方框图。
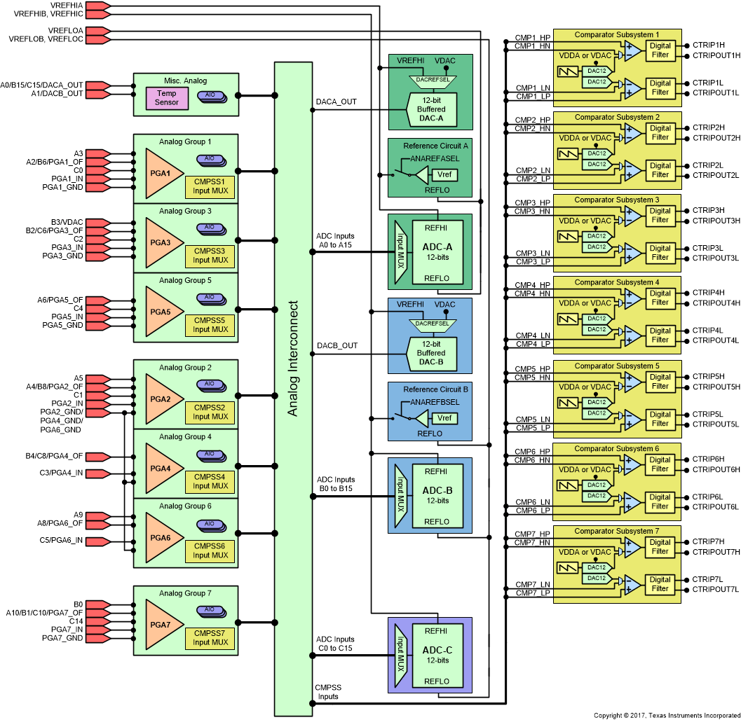
图 7-38 显示了 64 引脚 PM LQFP 的模拟子系统方框图。
图 7-39 显示了 56 引脚 RSH VQFN 的模拟子系统方框图。
图 7-37 模拟子系统方框图(100 引脚 PZ LQFP)

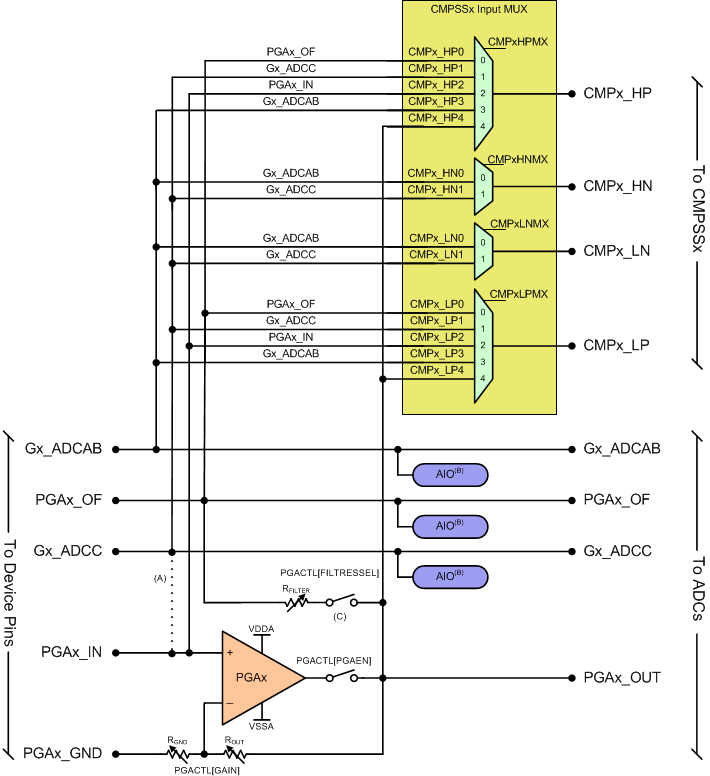
图 7-40 显示了模拟组连接。请参阅模拟引脚和内部连接 表,了解每个封装的每个组的特定连接。模拟信号说明 表提供了模拟信号的说明。

| 引脚名称 | 组名称 | 封装 | 始终连接(无多路复用器) | 比较器子系统(多路复用器) | AIO 输入 | |||||||||
|---|---|---|---|---|---|---|---|---|---|---|---|---|---|---|
| 100 PZ | 64 PM | 56 RSH | ADCA | ADCB | ADCC | PGA | DAC | 高正 | 高负 | 低正 | 低负 | |||
| VREFHIA | - | 25 | 16 | 14 | ||||||||||
| VREFHIB | - | 24 | ||||||||||||
| VREFHIC | - | |||||||||||||
| VREFLOA | - | 27 | 17 | 15 | A13 | |||||||||
| VREFLOB | - | 26 | B13 | |||||||||||
| VREFLOC | - | C13 | ||||||||||||
| 模拟组 1 | CMP1 | |||||||||||||
| A3 | G1_ADCAB | 10 | A3 | HPMXSEL = 3 | HNMXSEL = 0 | LPMXSEL = 3 | LNMXSEL = 0 | AIO233 | ||||||
| A2/B6/PGA1_OF | PGA1_OF | 9 | 9 | 8 | A2 | B6 | PGA1_OF | HPMXSEL = 0 | LPMXSEL = 0 | AIO224 | ||||
| C0 | G1_ADCC | 19 | 12 | 10 | C0 | HPMXSEL = 1 | HNMXSEL = 1 | LPMXSEL = 1 | LNMXSEL = 1 | AIO237 | ||||
| PGA1_IN | PGA1_IN | 18 | PGA1_IN | HPMXSEL = 2 | LPMXSEL = 2 | |||||||||
| PGA1_GND | PGA1_GND | 14 | 10 | 9 | PGA1_GND | |||||||||
| - | PGA1_OUT(1) | A11 | B7 | PGA1_OUT | HPMXSEL = 4 | LPMXSEL = 4 | ||||||||
| 模拟组 2 | CMP2 | |||||||||||||
| A5 | G2_ADCAB | 35 | A5 | HPMXSEL = 3 | HNMXSEL = 0 | LPMXSEL = 3 | LNMXSEL = 0 | AIO234 | ||||||
| A4/B8/PGA2_OF | PGA2_OF | 36 | 23 | 21 | A4 | B8 | PGA2_OF | HPMXSEL = 0 | LPMXSEL = 0 | AIO225 | ||||
| C1 | G2_ADCC | 29 | 18 | 16 | C1 | HPMXSEL = 1 | HNMXSEL = 1 | LPMXSEL = 1 | LNMXSEL = 1 | AIO238 | ||||
| PGA2_IN | PGA2_IN | 30 | PGA2_IN | HPMXSEL = 2 | LPMXSEL = 2 | |||||||||
| PGA2_GND | PGA2_GND | 32 | 20 | 18 | PGA2_GND | |||||||||
| - | PGA2_OUT(1) | A12 | B9 | PGA2_OUT | HPMXSEL = 4 | LPMXSEL = 4 | ||||||||
| 模拟组 3 | CMP3 | |||||||||||||
| B3/VDAC | G3_ADCAB | 8 | 8 | 7 | B3 | VDAC | HPMXSEL = 3 | HNMXSEL = 0 | LPMXSEL = 3 | LNMXSEL = 0 | AIO242 | |||
| B2/C6/PGA3_OF | PGA3_OF | 7 | 7 | 6 | B2 | C6 | PGA3_OF | HPMXSEL = 0 | LPMXSEL = 0 | AIO226 | ||||
| C2 | G3_ADCC | 21 | 13 | 11 | C2 | HPMXSEL = 1 | HNMXSEL = 1 | LPMXSEL = 1 | LNMXSEL = 1 | AIO244 | ||||
| PGA3_IN | PGA3_IN | 20 | PGA3_IN | HPMXSEL = 2 | LPMXSEL = 2 | |||||||||
| PGA3_GND | PGA3_GND | 15 | 10 | 9 | PGA3_GND | |||||||||
| - | PGA3_OUT(1) | B10 | C7 | PGA3_OUT | HPMXSEL = 4 | LPMXSEL = 4 | ||||||||
| 模拟组 4 | CMP4 | |||||||||||||
| B5 | G4_ADCAB | B5 | HPMXSEL = 3 | HNMXSEL = 0 | LPMXSEL = 3 | LNMXSEL = 0 | AIO243 | |||||||
| B4/C8/PGA4_OF | PGA4_OF | 39 | 24 | 22 | B4 | C8 | PGA4_OF | HPMXSEL = 0 | LPMXSEL = 0 | AIO227 | ||||
| C3 | G4_ADCC | 31 | 19 | 17 | C3 | HPMXSEL = 1 | HNMXSEL = 1 | LPMXSEL = 1 | LNMXSEL = 1 | AIO245 | ||||
| PGA4_IN | PGA4_IN | PGA4_IN | HPMXSEL = 2 | LPMXSEL = 2 | ||||||||||
| PGA4_GND | PGA4_GND | 32 | 20 | 18 | PGA4_GND | |||||||||
| - | PGA4_OUT(1) | B11 | C9 | PGA4_OUT | HPMXSEL = 4 | LPMXSEL = 4 | ||||||||
| 模拟组 5 | CMP5 | |||||||||||||
| A7 | G5_ADCAB | A7 | HPMXSEL = 3 | HNMXSEL = 0 | LPMXSEL = 3 | LNMXSEL = 0 | AIO235 | |||||||
| A6/PGA5_OF | PGA5_OF | 6 | 6 | A6 | PGA5_OF | HPMXSEL = 0 | LPMXSEL = 0 | AIO228 | ||||||
| C4 | G5_ADCC | 17 | 11 | C4 | HPMXSEL = 1 | HNMXSEL = 1 | LPMXSEL = 1 | LNMXSEL = 1 | AIO239 | |||||
| PGA5_IN | PGA5_IN | 16 | PGA5_IN | HPMXSEL = 2 | LPMXSEL = 2 | |||||||||
| PGA5_GND | PGA5_GND | 13 | 10 | 9 | PGA5_GND | |||||||||
| - | PGA5_OUT(1) | A14 | PGA5_OUT | HPMXSEL = 4 | LPMXSEL = 4 | |||||||||
| 模拟组 6 | CMP6 | |||||||||||||
| A9 | G6_ADCAB | 38 | A9 | HPMXSEL = 3 | HNMXSEL = 0 | LPMXSEL = 3 | LNMXSEL = 0 | AIO236 | ||||||
| A8/PGA6_OF | PGA6_OF | 37 | A8 | PGA6_OF | HPMXSEL = 0 | LPMXSEL = 0 | AIO229 | |||||||
| C5 | G6_ADCC | 28 | C5 | HPMXSEL = 1 | HNMXSEL = 1 | LPMXSEL = 1 | LNMXSEL = 1 | AIO240 | ||||||
| PGA6_IN | PGA6_IN | PGA6_IN | HPMXSEL = 2 | LPMXSEL = 2 | ||||||||||
| PGA6_GND | PGA6_GND | 32 | 20 | 18 | PGA6_GND | |||||||||
| - | PGA6_OUT(1) | A15 | PGA6_OUT | HPMXSEL = 4 | LPMXSEL = 4 | |||||||||
| 模拟组 7 | CMP7 | |||||||||||||
| B0 | G7_ADCAB | 41 | B0 | HPMXSEL = 3 | HNMXSEL = 0 | LPMXSEL = 3 | LNMXSEL = 0 | AIO241 | ||||||
| A10/B1/C10/PGA7_OF | PGA7_OF(2) | 40 | 25 | 23 | A10 | B1 | C10 | PGA7_OF | HPMXSEL = 0 | LPMXSEL = 0 | AIO230 | |||
| C14 | G7_ADCC | 44 | C14 | HPMXSEL = 1 | HNMXSEL = 1 | LPMXSEL = 1 | LNMXSEL = 1 | AIO246 | ||||||
| PGA7_IN | PGA7_IN | 43 | PGA7_IN | HPMXSEL = 2 | LPMXSEL = 2 | |||||||||
| PGA7_GND | PGA7_GND | 42 | PGA7_GND | |||||||||||
| - | PGA7_OUT(1) | B12 | C11 | PGA7_OUT | HPMXSEL = 4 | LPMXSEL = 4 | ||||||||
| 其他模拟 | ||||||||||||||
| A0/B15/C15/DACA_OUT | 23 | 15 | 13 | A0 | B15 | C15 | DACA_OUT | AIO231 | ||||||
| A1/DACB_OUT | 22 | 14 | 12 | A1 | DACB_OUT | AIO232 | ||||||||
| C12 | C12 | AIO247 | ||||||||||||
| - | 温度传感器(1) | B14 | ||||||||||||
| 信号名称 | 说明 |
|---|---|
| AIOx | ADC 引脚上的数字输入 |
| Ax | ADC A 输入 |
| Bx | ADC B 输入 |
| Cx | ADC C 输入 |
| CMPx_DACH | 比较器子系统高电平 DAC 输出 |
| CMPx_DACL | 比较器子系统低电平 DAC 输出 |
| CMPx_HNy | 比较器子系统高电平比较器负输入 |
| CMPx_HPy | 比较器子系统高电平比较器正输入 |
| CMPx_LNy | 比较器子系统低电平比较器负输入 |
| CMPx_LPy | 比较器子系统低电平比较器正输入 |
| DACx_OUT | 缓冲 DAC 输出 |
| PGAx_GND | PGA 接地 |
| PGAx_IN | PGA 输入 |
| PGAx_OF | 滤波器的 PGA 输出 |
| PGAx_OUT | 到内部 ADC 的 PGA 输出 |
| 温度传感器 | 内部温度传感器 |
| VDAC | 片上 DAC 的可选外部基准电压。无论是用于 ADC 输入还是 DAC 基准,此引脚上有一个连接至 VSSA 且无法禁用的 100pF 电容器。如果将此引脚用作片上 DAC 的基准,请在此引脚上放置至少一个 1µF 电容器。 |