ZHCSLT8C October   2021  – December 2023 TMS320F280034 , TMS320F280034-Q1 , TMS320F280036-Q1 , TMS320F280036C-Q1 , TMS320F280037 , TMS320F280037C , TMS320F280037C-Q1 , TMS320F280038C-Q1 , TMS320F280039-Q1 , TMS320F280039C , TMS320F280039C-Q1

PRODMIX  

  1.   1
  2. 特性
  3. 应用
  4. 说明
    1. 3.1 功能方框图
  5. 器件比较
    1. 4.1 相关产品
  6. 引脚配置和功能
    1. 5.1 引脚图
    2. 5.2 引脚属性
    3. 5.3 信号说明
      1. 5.3.1 模拟信号
      2. 5.3.2 数字信号
      3. 5.3.3 电源和接地
      4. 5.3.4 测试、JTAG 和复位
    4. 5.4 引脚复用
      1. 5.4.1 GPIO 多路复用引脚
        1. 5.4.1.1 GPIO 多路复用引脚
      2. 5.4.2 ADC 引脚上的数字输入 (AIO)
      3. 5.4.3 ADC 引脚上的数字输入和输出 (AGPIO)
      4. 5.4.4 GPIO 输入 X-BAR
      5. 5.4.5 GPIO 输出 X-BAR、CLB X-BAR、CLB 输出 X-BAR 和 ePWM X-BAR
    5. 5.5 带有内部上拉和下拉的引脚
    6. 5.6 未使用引脚的连接
  7. 规格
    1. 6.1  绝对最大额定值
    2. 6.2  ESD 等级 - 商用
    3. 6.3  ESD 等级 - 汽车
    4. 6.4  建议运行条件
    5. 6.5  功耗摘要
      1. 6.5.1 系统电流消耗
      2. 6.5.2 系统电流消耗 - 禁用 VREG - 外部电源
      3. 6.5.3 工作模式测试说明
      4. 6.5.4 电流消耗图
      5. 6.5.5 减少电流消耗
        1. 6.5.5.1 每个禁用外设的典型电流降低
    6. 6.6  电气特性
    7. 6.7  PZ 封装的热阻特性
    8. 6.8  PN 封装的热阻特性
    9. 6.9  PM 封装的热阻特性
    10. 6.10 PT 封装的热阻特性
    11. 6.11 散热设计注意事项
    12. 6.12 系统
      1. 6.12.1 电源管理模块 (PMM)
        1. 6.12.1.1 引言
        2. 6.12.1.2 概述
          1. 6.12.1.2.1 电源轨监视器
            1. 6.12.1.2.1.1 I/O POR(上电复位)监视器
            2. 6.12.1.2.1.2 I/O BOR(欠压复位)监视器
            3. 6.12.1.2.1.3 VDD POR(上电复位)监视器
          2. 6.12.1.2.2 外部监控器使用情况
          3. 6.12.1.2.3 延迟块
          4. 6.12.1.2.4 内部 1.2V LDO 稳压器 (VREG)
          5. 6.12.1.2.5 VREGENZ
        3. 6.12.1.3 外部元件
          1. 6.12.1.3.1 去耦电容器
            1. 6.12.1.3.1.1 VDDIO 去耦
            2. 6.12.1.3.1.2 VDD 去耦
        4. 6.12.1.4 电源时序
          1. 6.12.1.4.1 电源引脚联动
          2. 6.12.1.4.2 信号引脚电源序列
          3. 6.12.1.4.3 电源引脚电源序列
            1. 6.12.1.4.3.1 外部 VREG/VDD 模式序列
            2. 6.12.1.4.3.2 内部 VREG/VDD 模式序列
            3. 6.12.1.4.3.3 电源时序摘要和违规影响
            4. 6.12.1.4.3.4 电源压摆率
        5. 6.12.1.5 电源管理模块电气数据和时序
          1. 6.12.1.5.1 电源管理模块运行条件
          2. 6.12.1.5.2 电源管理模块特征
          3.        电源电压
      2. 6.12.2 复位时序
        1. 6.12.2.1 复位源
        2. 6.12.2.2 复位电气数据和时序
          1. 6.12.2.2.1 复位 - XRSn - 时序要求
          2. 6.12.2.2.2 复位 - XRSn - 开关特性
          3. 6.12.2.2.3 复位时序图
      3. 6.12.3 时钟规格
        1. 6.12.3.1 时钟源
        2. 6.12.3.2 时钟频率、要求和特性
          1. 6.12.3.2.1 输入时钟频率和时序要求,PLL 锁定时间
            1. 6.12.3.2.1.1 输入时钟频率
            2. 6.12.3.2.1.2 XTAL 振荡器特征
            3. 6.12.3.2.1.3 使用外部时钟源(非晶体)时的 X1 输入电平特性
            4. 6.12.3.2.1.4 X1 时序要求
            5. 6.12.3.2.1.5 AUXCLKIN 时序要求
            6. 6.12.3.2.1.6 APLL 特性
            7. 6.12.3.2.1.7 XCLKOUT 开关特性 - 旁路或启用 PLL
            8. 6.12.3.2.1.8 内部时钟频率
        3. 6.12.3.3 输入时钟和 PLL
        4. 6.12.3.4 XTAL 振荡器
          1. 6.12.3.4.1 引言
          2. 6.12.3.4.2 概述
            1. 6.12.3.4.2.1 电子振荡器
              1. 6.12.3.4.2.1.1 运行模式
                1. 6.12.3.4.2.1.1.1 晶体的工作模式
                2. 6.12.3.4.2.1.1.2 单端工作模式
              2. 6.12.3.4.2.1.2 XCLKOUT 上的 XTAL 输出
            2. 6.12.3.4.2.2 石英晶体
            3. 6.12.3.4.2.3 GPIO 工作模式
          3. 6.12.3.4.3 正常运行
            1. 6.12.3.4.3.1 ESR – 有效串联电阻
            2. 6.12.3.4.3.2 Rneg - 负电阻
            3. 6.12.3.4.3.3 启动时间
              1. 6.12.3.4.3.3.1 X1/X2 前提条件
            4. 6.12.3.4.3.4 DL – 驱动电平
          4. 6.12.3.4.4 如何选择晶体
          5. 6.12.3.4.5 测试
          6. 6.12.3.4.6 常见问题和调试提示
          7. 6.12.3.4.7 晶体振荡器规格
            1. 6.12.3.4.7.1 晶体振荡器参数
            2. 6.12.3.4.7.2 晶振等效串联电阻 (ESR) 要求
            3. 6.12.3.4.7.3 晶体振荡器电气特性
        5. 6.12.3.5 内部振荡器
          1. 6.12.3.5.1 INTOSC 特性
      4. 6.12.4 闪存参数
        1. 6.12.4.1 闪存参数 
      5. 6.12.5 RAM 和 ROM 参数
      6. 6.12.6 仿真/JTAG
        1. 6.12.6.1 JTAG 电气数据和时序
          1. 6.12.6.1.1 JTAG 时序要求
          2. 6.12.6.1.2 JTAG 开关特征
          3. 6.12.6.1.3 JTAG 时序图
        2. 6.12.6.2 cJTAG 电气数据和时序
          1. 6.12.6.2.1 cJTAG 时序要求
          2. 6.12.6.2.2 cJTAG 开关特性
          3. 6.12.6.2.3 cJTAG 时序图
      7. 6.12.7 GPIO 电气数据和时序
        1. 6.12.7.1 GPIO - 输出时序
          1. 6.12.7.1.1 通用输出开关特征
          2. 6.12.7.1.2 通用输出时序图
        2. 6.12.7.2 GPIO - 输入时序
          1. 6.12.7.2.1 通用输入时序要求
          2. 6.12.7.2.2 采样模式
        3. 6.12.7.3 输入信号的采样窗口宽度
      8. 6.12.8 中断
        1. 6.12.8.1 外部中断 (XINT) 电气数据和时序
          1. 6.12.8.1.1 外部中断时序要求
          2. 6.12.8.1.2 外部中断开关特性
          3. 6.12.8.1.3 外部中断时序
      9. 6.12.9 低功率模式
        1. 6.12.9.1 时钟门控低功耗模式
        2. 6.12.9.2 低功耗模式唤醒时序
          1. 6.12.9.2.1 空闲模式时序要求
          2. 6.12.9.2.2 空闲模式开关特性
          3. 6.12.9.2.3 空闲进入和退出时序图
          4. 6.12.9.2.4 待机模式时序要求
          5. 6.12.9.2.5 待机模式开关特征
          6. 6.12.9.2.6 待机模式进入和退出时序图
          7. 6.12.9.2.7 停机模式时序要求
          8. 6.12.9.2.8 停机模式开关特征
          9. 6.12.9.2.9 停机模式进入和退出时序图
    13. 6.13 模拟外设
      1. 6.13.1 模拟引脚和内部连接
      2. 6.13.2 模拟信号说明
      3. 6.13.3 模数转换器 (ADC)
        1. 6.13.3.1 ADC 可配置性
          1. 6.13.3.1.1 信号模式
        2. 6.13.3.2 ADC 电气数据和时序
          1. 6.13.3.2.1 ADC 运行条件
          2. 6.13.3.2.2 ADC 特性
          3. 6.13.3.2.3 ADC 输入模型
          4. 6.13.3.2.4 ADC 时序图
      4. 6.13.4 温度传感器
        1. 6.13.4.1 温度传感器电气数据和时序
          1. 6.13.4.1.1 温度传感器特征
      5. 6.13.5 比较器子系统 (CMPSS)
        1. 6.13.5.1 CMPSS 连接图
        2. 6.13.5.2 方框图
        3. 6.13.5.3 CMPSS 电气数据和时序
          1. 6.13.5.3.1 比较器电气特性
          2.        CMPSS 比较器以输入为基准的偏移量和迟滞
          3. 6.13.5.3.2 CMPSS DAC 静态电气特性
          4. 6.13.5.3.3 CMPSS 示意图
          5. 6.13.5.3.4 CMPSS DAC 动态误差
      6. 6.13.6 缓冲数模转换器 (DAC)
        1. 6.13.6.1 缓冲 DAC 电气数据和时序
          1. 6.13.6.1.1 缓冲 DAC 运行条件
          2. 6.13.6.1.2 缓冲 DAC 电气特性
    14. 6.14 控制外设
      1. 6.14.1 增强型脉宽调制器 (ePWM)
        1. 6.14.1.1 ePWM 电气数据和时序
          1. 6.14.1.1.1 ePWM 时序要求
          2. 6.14.1.1.2 ePWM 开关特性
          3. 6.14.1.1.3 跳闸区输入时序
            1. 6.14.1.1.3.1 跳闸区域输入时序要求
            2. 6.14.1.1.3.2 PWM 高阻态特征时序图
      2. 6.14.2 高分辨率脉宽调制器 (HRPWM)
        1. 6.14.2.1 HRPWM 电气数据和时序
          1. 6.14.2.1.1 高分辨率 PWM 特征
      3. 6.14.3 外部 ADC 转换启动电气数据和时序
        1. 6.14.3.1 外部 ADC 转换启动开关特性
        2. 6.14.3.2 ADCSOCAO 或ADCSOCBO 时序图
      4. 6.14.4 增强型捕获 (eCAP)
        1. 6.14.4.1 eCAP 和 HRCAP 方框图
        2. 6.14.4.2 eCAP 同步
        3. 6.14.4.3 eCAP 电气数据和时序
          1. 6.14.4.3.1 eCAP 时序要求
          2. 6.14.4.3.2 eCAP 开关特性
      5. 6.14.5 高分辨率捕捉 (HRCAP)
        1. 6.14.5.1 eCAP 和 HRCAP 方框图
        2. 6.14.5.2 HRCAP 电气数据和时序
          1. 6.14.5.2.1 HRCAP 开关特性
          2. 6.14.5.2.2 HRCAP 图表
      6. 6.14.6 增强型正交编码器脉冲 (eQEP)
        1. 6.14.6.1 eQEP 电气数据和时序
          1. 6.14.6.1.1 eQEP 时序要求
          2. 6.14.6.1.2 eQEP 开关特性
      7. 6.14.7 Σ-Δ 滤波器模块 (SDFM)
        1. 6.14.7.1 SDFM 电气数据和时序
          1. 6.14.7.1.1 使用异步 GPIO (ASYNC) 选项时的 SDFM 时序要求
    15. 6.15 通信外设
      1. 6.15.1 控制器局域网 (CAN)
      2. 6.15.2 模块化控制器局域网 (MCAN)
      3. 6.15.3 内部集成电路 (I2C)
        1. 6.15.3.1 I2C 电气数据和时序
          1. 6.15.3.1.1 I2C 时序要求
          2. 6.15.3.1.2 I2C 开关特征
          3. 6.15.3.1.3 I2C 时序图
      4. 6.15.4 电源管理总线 (PMBus) 接口
        1. 6.15.4.1 PMBus 电气数据和时序
          1. 6.15.4.1.1 PMBus 电气特性
          2. 6.15.4.1.2 PMBus 快速模式开关特性
          3. 6.15.4.1.3 PMBus 标准模式开关特性
      5. 6.15.5 串行通信接口 (SCI)
      6. 6.15.6 串行外设接口 (SPI)
        1. 6.15.6.1 SPI 主器件模式时序
          1. 6.15.6.1.1 SPI 主模式时序要求
          2. 6.15.6.1.2 SPI 主模式开关特性 - 时钟相位 0
          3. 6.15.6.1.3 SPI 主模式开关特性 - 时钟相位 1
          4. 6.15.6.1.4 SPI 主器件模式时序图
        2. 6.15.6.2 SPI 从器件模式时序
          1. 6.15.6.2.1 SPI 从模式时序要求
          2. 6.15.6.2.2 SPI 从模式开关特性
          3. 6.15.6.2.3 SPI 从器件模式时序图
      7. 6.15.7 本地互连网络 (LIN)
      8. 6.15.8 快速串行接口 (FSI)
        1. 6.15.8.1 FSI 发送器
          1. 6.15.8.1.1 FSITX 电气数据和时序
            1. 6.15.8.1.1.1 FSITX 开关特性
            2. 6.15.8.1.1.2 FSITX 时序
        2. 6.15.8.2 FSI 接收器
          1. 6.15.8.2.1 FSIRX 电气数据和时序
            1. 6.15.8.2.1.1 FSIRX 时序要求
            2. 6.15.8.2.1.2 FSIRX 开关特性
            3. 6.15.8.2.1.3 FSIRX 时序
        3. 6.15.8.3 FSI SPI 兼容模式
          1. 6.15.8.3.1 FSITX SPI 信令模式电气数据和时序
            1. 6.15.8.3.1.1 FSITX SPI 信令模式开关特性
            2. 6.15.8.3.1.2 FSITX SPI 信令模式时序
      9. 6.15.9 主机接口控制器 (HIC)
        1. 6.15.9.1 HIC 电气数据和时序
          1. 6.15.9.1.1 HIC 时序要求
          2. 6.15.9.1.2 HIC 开关特征
          3. 6.15.9.1.3 HIC 时序图
  8. 详细说明
    1. 7.1  概述
    2. 7.2  功能方框图
    3. 7.3  存储器
      1. 7.3.1 内存映射
        1. 7.3.1.1 专用 RAM (Mx RAM)
        2. 7.3.1.2 本地共享 RAM (LSx RAM)
        3. 7.3.1.3 全局共享 RAM (GSx RAM)
        4. 7.3.1.4 消息 RAM
      2. 7.3.2 控制律加速器 (CLA) 存储器映射
      3. 7.3.3 闪存映射
        1. 7.3.3.1 闪存扇区的地址
      4. 7.3.4 外设寄存器存储器映射
    4. 7.4  标识
    5. 7.5  总线架构 - 外设连接
    6. 7.6  C28x 处理器
      1. 7.6.1 浮点单元 (FPU)
      2. 7.6.2 快速整数除法单元
      3. 7.6.3 三角法数学单元 (TMU)
      4. 7.6.4 VCRC 单元
    7. 7.7  控制律加速器 (CLA)
    8. 7.8  嵌入式实时分析和诊断 (ERAD)
    9. 7.9  背景 CRC-32 (BGCRC)
    10. 7.10 直接存储器访问 (DMA)
    11. 7.11 器件引导模式
      1. 7.11.1 器件引导配置
        1. 7.11.1.1 配置引导模式引脚
        2. 7.11.1.2 配置引导模式表选项
      2. 7.11.2 GPIO 分配
    12. 7.12 安全性
      1. 7.12.1 保护芯片边界
        1. 7.12.1.1 JTAGLOCK
        2. 7.12.1.2 零引脚引导
      2. 7.12.2 双区域安全
      3. 7.12.3 免责声明
    13. 7.13 看门狗
    14. 7.14 C28x 计时器
    15. 7.15 双路时钟比较器 (DCC)
      1. 7.15.1 特性
      2. 7.15.2 DCCx 时钟源中断的映射
    16. 7.16 可配置逻辑块 (CLB)
    17. 7.17 功能安全
  9. 应用、实现和布局
    1. 8.1 应用和实施
    2. 8.2 器件主要特性
    3. 8.3 应用信息
      1. 8.3.1 典型应用
        1. 8.3.1.1 汽车泵
          1. 8.3.1.1.1 系统方框图
          2. 8.3.1.1.2 汽车泵技术资源
        2. 8.3.1.2 汽车 HVAC 压缩机
          1. 8.3.1.2.1 系统方框图
          2. 8.3.1.2.2 HVAC 资源
        3. 8.3.1.3 车载充电器 (OBC)
          1. 8.3.1.3.1 系统方框图
          2. 8.3.1.3.2 OBC 资源
        4. 8.3.1.4 伺服驱动器控制模块
          1. 8.3.1.4.1 系统方框图
          2. 8.3.1.4.2 伺服驱动器控制模块资源
        5. 8.3.1.5 微型光伏逆变器
          1. 8.3.1.5.1 系统方框图
          2. 8.3.1.5.2 微型光伏逆变器资源
        6. 8.3.1.6 商用电信整流器
          1. 8.3.1.6.1 系统方框图
          2. 8.3.1.6.2 商用通信电源整流器资源
  10. 器件和文档支持
    1. 9.1 入门和后续步骤
    2. 9.2 器件命名规则
    3. 9.3 标识
    4. 9.4 工具和软件
    5. 9.5 文档支持
    6. 9.6 支持资源
    7. 9.7 商标
    8. 9.8 静电放电警告
    9. 9.9 术语表
  11. 10修订历史记录
  12. 11机械、封装和可订购信息

封装选项

机械数据 (封装 | 引脚)
散热焊盘机械数据 (封装 | 引脚)
订购信息

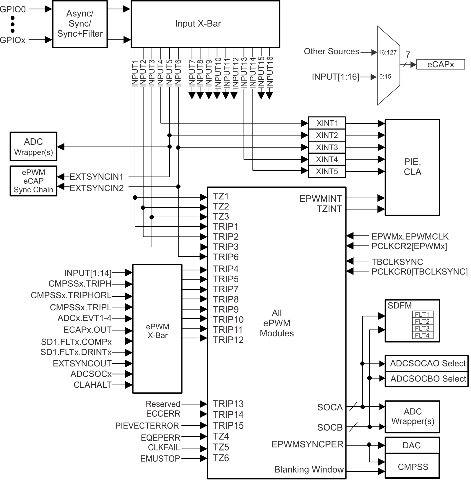
增强型脉宽调制器 (ePWM)

ePWM 外设是控制商业和工业设备中的许多电力电子系统的关键元件。通过从具有独立资源(这些独立资源可以一起运行形成一个系统)的较小模块构建外设,ePWM 4 类模块能够以最小的 CPU 开销生成复杂的脉冲宽度波形。ePWM 4 类模块的一些亮点包括复杂波形生成、死区生成、灵活的同步方案、高级跳变区功能和全局寄存器重载功能。

借助该器件上的 ePWM 和 eCAP 同步方案,可灵活地划分 ePWM 和 eCAP 模块,并可在这些模块内进行局部同步。

图 6-56 展示了 ePWM 模块。图 6-57 展示了 ePWM 跳变输入连接。

GUID-20210427-CA0I-ZRSS-MK7Q-9ZR1GPJD22GG-low.svg
这些事件由 ePWM 数字比较 (DC) 子模块根据 TRIPIN 输入电平生成。
图 6-56 ePWM 子模块和关键内部信号互连
GUID-38BC6834-A342-4070-B309-64D6B9B8AC7B-low.png 图 6-57 ePWM 跳变输入连接