ZHCSGV6F June   2009  – January 2017 TMS320C6742

PRODUCTION DATA.  

  1. 1器件概述
    1. 1.1 特性
    2. 1.2 应用
    3. 1.3 说明
    4. 1.4 功能方框图
  2. 2Revision History
  3. 3Device Comparison
    1. 3.1 Device Characteristics
    2. 3.2 Device Compatibility
    3. 3.3 DSP Subsystem
      1. 3.3.1 C674x DSP CPU Description
      2. 3.3.2 DSP Memory Mapping
        1. 3.3.2.1 External Memories
        2. 3.3.2.2 DSP Internal Memories
        3. 3.3.2.3 C674x CPU
    4. 3.4 Memory Map Summary
      1. Table 3-4 C6742 Top Level Memory Map
    5. 3.5 Pin Assignments
      1. 3.5.1 Pin Map (Bottom View)
    6. 3.6 Pin Multiplexing Control
    7. 3.7 Terminal Functions
      1. 3.7.1  Device Reset, NMI and JTAG
      2. 3.7.2  High-Frequency Oscillator and PLL
      3. 3.7.3  Real-Time Clock and 32-kHz Oscillator
      4. 3.7.4  DEEPSLEEP Power Control
      5. 3.7.5  External Memory Interface A (EMIFA)
      6. 3.7.6  DDR2/mDDR Controller
      7. 3.7.7  Serial Peripheral Interface Modules (SPI)
      8. 3.7.8  Enhanced Capture/Auxiliary PWM Modules (eCAP0)
      9. 3.7.9  Enhanced Pulse Width Modulators (eHRPWM)
      10. 3.7.10 Boot
      11. 3.7.11 Universal Asynchronous Receiver/Transmitters (UART0)
      12. 3.7.12 Inter-Integrated Circuit Modules(I2C0)
      13. 3.7.13 Timers
      14. 3.7.14 Multichannel Audio Serial Ports (McASP)
      15. 3.7.15 Multichannel Buffered Serial Ports (McBSP)
      16. 3.7.16 Universal Host-Port Interface (UHPI)
      17. 3.7.17 General Purpose Input Output
      18. 3.7.18 Reserved and No Connect
      19. 3.7.19 Supply and Ground
    8. 3.8 Unused Pin Configurations
  4. 4Device Configuration
    1. 4.1 Boot Modes
    2. 4.2 SYSCFG Module
    3. 4.3 Pullup/Pulldown Resistors
  5. 5Specifications
    1. 5.1 Absolute Maximum Ratings Over Operating Junction Temperature Range (Unless Otherwise Noted)
    2. 5.2 Handling Ratings
    3. 5.3 Recommended Operating Conditions
    4. 5.4 Notes on Recommended Power-On Hours (POH)
    5. 5.5 Electrical Characteristics Over Recommended Ranges of Supply Voltage and Operating Junction Temperature (Unless Otherwise Noted)
  6. 6Peripheral Information and Electrical Specifications
    1. 6.1  Parameter Information
      1. 6.1.1 Parameter Information Device-Specific Information
        1. 6.1.1.1 Signal Transition Levels
    2. 6.2  Recommended Clock and Control Signal Transition Behavior
    3. 6.3  Power Supplies
      1. 6.3.1 Power-On Sequence
      2. 6.3.2 Power-Off Sequence
    4. 6.4  Reset
      1. 6.4.1 Power-On Reset (POR)
      2. 6.4.2 Warm Reset
      3. 6.4.3 Reset Electrical Data Timings
    5. 6.5  Crystal Oscillator or External Clock Input
    6. 6.6  Clock PLLs
      1. 6.6.1 PLL Device-Specific Information
      2. 6.6.2 Device Clock Generation
      3. 6.6.3 Dynamic Voltage and Frequency Scaling (DVFS)
    7. 6.7  Interrupts
      1. 6.7.1 DSP Interrupts
    8. 6.8  Power and Sleep Controller (PSC)
      1. 6.8.1 Power Domain and Module Topology
        1. 6.8.1.1 Power Domain States
        2. 6.8.1.2 Module States
    9. 6.9  Enhanced Direct Memory Access Controller (EDMA3)
      1. 6.9.1 EDMA3 Channel Synchronization Events
      2. 6.9.2 EDMA3 Peripheral Register Descriptions
    10. 6.10 External Memory Interface A (EMIFA)
      1. 6.10.1 EMIFA Asynchronous Memory Support
      2. 6.10.2 EMIFA Synchronous DRAM Memory Support
      3. 6.10.3 EMIFA SDRAM Loading Limitations
      4. 6.10.4 EMIFA Connection Examples
      5. 6.10.5 External Memory Interface Register Descriptions
      6. 6.10.6 EMIFA Electrical Data/Timing
        1. Table 6-19 Timing Requirements for EMIFA SDRAM Interface
        2. Table 6-20 Switching Characteristics for EMIFA SDRAM Interface
        3. Table 6-21 Timing Requirements for EMIFA Asynchronous Memory Interface
    11. 6.11 DDR2/mDDR Memory Controller
      1. 6.11.1 DDR2/mDDR Memory Controller Electrical Data/Timing
      2. 6.11.2 DDR2/mDDR Memory Controller Register Description(s)
      3. 6.11.3 DDR2/mDDR Interface
        1. 6.11.3.1  DDR2/mDDR Interface Schematic
        2. 6.11.3.2  Compatible JEDEC DDR2/mDDR Devices
        3. 6.11.3.3  PCB Stackup
        4. 6.11.3.4  Placement
        5. 6.11.3.5  DDR2/mDDR Keep Out Region
        6. 6.11.3.6  Bulk Bypass Capacitors
        7. 6.11.3.7  High-Speed Bypass Capacitors
        8. 6.11.3.8  Net Classes
        9. 6.11.3.9  DDR2/mDDR Signal Termination
        10. 6.11.3.10 VREF Routing
        11. 6.11.3.11 DDR2/mDDR CK and ADDR_CTRL Routing
        12. 6.11.3.12 DDR2/mDDR Boundary Scan Limitations
    12. 6.12 Memory Protection Units
    13. 6.13 Multichannel Audio Serial Port (McASP)
      1. 6.13.1 McASP Peripheral Registers Description(s)
      2. 6.13.2 McASP Electrical Data/Timing
        1. 6.13.2.1 Multichannel Audio Serial Port 0 (McASP0) Timing
          1. Table 6-42 Timing Requirements for McASP0 (1.2V, 1.1V)
          2. Table 6-43 Timing Requirements for McASP0 (1.0V)
          3. Table 6-44 Switching Characteristics for McASP0 (1.2V, 1.1V)
          4. Table 6-45 Switching Characteristics for McASP0 (1.0V)
    14. 6.14 Multichannel Buffered Serial Port (McBSP)
      1. 6.14.1 McBSP Peripheral Register Description(s)
      2. 6.14.2 McBSP Electrical Data/Timing
        1. 6.14.2.1 Multichannel Buffered Serial Port (McBSP) Timing
          1. Table 6-47 Timing Requirements for McBSP1 [1.2V, 1.1V] (see )
          2. Table 6-48 Timing Requirements for McBSP1 [1.0V] (see )
          3. Table 6-49 Switching Characteristics for McBSP1 [1.2V, 1.1V] (see )
          4. Table 6-50 Switching Characteristics for McBSP1 [1.0V] (see )
          5. Table 6-51 Timing Requirements for McBSP1 FSR When GSYNC = 1 (see )
    15. 6.15 Serial Peripheral Interface Ports (SPI1)
      1. 6.15.1 SPI Peripheral Registers Description(s)
      2. 6.15.2 SPI Electrical Data/Timing
        1. 6.15.2.1 Serial Peripheral Interface (SPI) Timing
          1. Table 6-53 General Timing Requirements for SPI1 Master Modes
          2. Table 6-54 General Timing Requirements for SPI1 Slave Modes
          3. Table 6-55 Additional SPI1 Master Timings, 4-Pin Enable Option
          4. Table 6-56 Additional SPI1 Master Timings, 4-Pin Chip Select Option
    16. 6.16 Inter-Integrated Circuit Serial Ports (I2C)
      1. 6.16.1 I2C Device-Specific Information
      2. 6.16.2 I2C Peripheral Registers Description(s)
      3. 6.16.3 I2C Electrical Data/Timing
        1. 6.16.3.1 Inter-Integrated Circuit (I2C) Timing
          1. Table 6-62 Timing Requirements for I2C Input
          2. Table 6-63 Switching Characteristics for I2C
    17. 6.17 Universal Asynchronous Receiver/Transmitter (UART)
      1. 6.17.1 UART Peripheral Registers Description(s)
      2. 6.17.2 UART Electrical Data/Timing
        1. Table 6-65 Timing Requirements for UART Receive (see )
        2. Table 6-66 Switching Characteristics Over Recommended Operating Conditions for UARTx Transmit (see )
    18. 6.18 Host-Port Interface (UHPI)
      1. 6.18.1 HPI Device-Specific Information
      2. 6.18.2 HPI Peripheral Register Description(s)
      3. 6.18.3 HPI Electrical Data/Timing
        1. Table 6-68 Timing Requirements for Host-Port Interface [1.2V, 1.1V]
        2. Table 6-69 Switching Characteristics Over Recommended Operating Conditions for Host-Port Interface [1.2V, 1.1V]
        3. Table 6-70 Switching Characteristics Over Recommended Operating Conditions for Host-Port Interface [1.0V]
    19. 6.19 Enhanced Capture (eCAP) Peripheral
      1. Table 6-72 Timing Requirements for Enhanced Capture (eCAP)
      2. Table 6-73 Switching Characteristics Over Recommended Operating Conditions for eCAP
    20. 6.20 Enhanced High-Resolution Pulse-Width Modulator (eHRPWM)
      1. 6.20.1 Enhanced Pulse Width Modulator (eHRPWM) Timing
        1. Table 6-75 Timing Requirements for eHRPWM
        2. Table 6-76 Switching Characteristics Over Recommended Operating Conditions for eHRPWM
      2. 6.20.2 Trip-Zone Input Timing
    21. 6.21 Timers
      1. 6.21.1 Timer Electrical Data/Timing
        1. Table 6-79 Timing Requirements for Timer Input (see )
        2. Table 6-80 Switching Characteristics Over Recommended Operating Conditions for Timer Output
    22. 6.22 Real Time Clock (RTC)
      1. 6.22.1 Clock Source
      2. 6.22.2 Real-Time Clock Register Descriptions
    23. 6.23 General-Purpose Input/Output (GPIO)
      1. 6.23.1 GPIO Register Description(s)
      2. 6.23.2 GPIO Peripheral Input/Output Electrical Data/Timing
        1. Table 6-83 Timing Requirements for GPIO Inputs (see )
        2. Table 6-84 Switching Characteristics Over Recommended Operating Conditions for GPIO Outputs (see )
      3. 6.23.3 GPIO Peripheral External Interrupts Electrical Data/Timing
        1. Table 6-85 Timing Requirements for External Interrupts (see )
    24. 6.24 Emulation Logic
      1. 6.24.1 JTAG Port Description
      2. 6.24.2 Scan Chain Configuration Parameters
      3. 6.24.3 Initial Scan Chain Configuration
      4. 6.24.4 IEEE 1149.1 JTAG
        1. 6.24.4.1 JTAG Peripheral Register Description(s) – JTAG ID Register (DEVIDR0)
        2. 6.24.4.2 JTAG Test-Port Electrical Data/Timing
          1. Table 6-91 Timing Requirements for JTAG Test Port (see )
          2. Table 6-92 Switching Characteristics Over Recommended Operating Conditions for JTAG Test Port (see )
      5. 6.24.5 JTAG 1149.1 Boundary Scan Considerations
  7. 7Device and Documentation Support
    1. 7.1 Device Nomenclature
    2. 7.2 Tools and Software
    3. 7.3 Documentation Support
    4. 7.4 社区资源
    5. 7.5 商标
    6. 7.6 静电放电警告
    7. 7.7 出口管制提示
    8. 7.8 术语表
  8. 8Mechanical Packaging and Orderable Information
    1. 8.1 Thermal Data for ZCE Package
    2. 8.2 Thermal Data for ZWT Package
    3. 8.3 Packaging Information

封装选项

请参考 PDF 数据表获取器件具体的封装图。

机械数据 (封装 | 引脚)
  • ZWT|361
散热焊盘机械数据 (封装 | 引脚)
订购信息

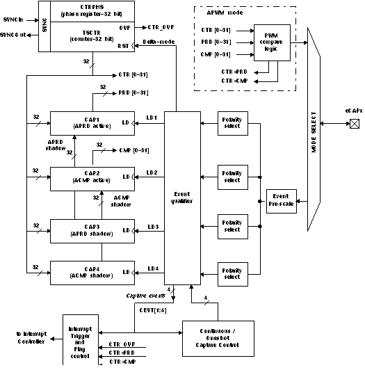
Enhanced Capture (eCAP) Peripheral

The device contains up to three enhanced capture (eCAP) modules. Figure 6-45 shows a functional block diagram of a module.

Uses for ECAP include:

  • Speed measurements of rotating machinery (e.g. toothed sprockets sensed via Hall sensors)
  • Elapsed time measurements between position sensor triggers
  • Period and duty cycle measurements of pulse train signals
  • Decoding current or voltage amplitude derived from duty cycle encoded current/voltage sensors

The ECAP module described in this specification includes the following features:

  • 32 bit time base
  • 4 event time-stamp registers (each 32 bits)
  • Edge polarity selection for up to 4 sequenced time-stamp capture events
  • Interrupt on either of the 4 events
  • Single shot capture of up to 4 event time-stamps
  • Continuous mode capture of time-stamps in a 4 deep circular buffer
  • Absolute time-stamp capture
  • Difference mode time-stamp capture
  • All the above resources are dedicated to a single input pin

The eCAP modules are clocked at the ASYNC3 clock domain rate.

TMS320C6742 fbd_ecap_prs230.gifFigure 6-45 eCAP Functional Block Diagram

Table 6-71 is the list of the ECAP registers.

Table 6-71 ECAPx Configuration Registers

ECAP0
BYTE ADDRESS
ECAP1
BYTE ADDRESS
ECAP2
BYTE ADDRESS
ACRONYM DESCRIPTION
0x01F0 6000 0x01F0 7000 0x01F0 8000 TSCTR Time-Stamp Counter
0x01F0 6004 0x01F0 7004 0x01F0 8004 CTRPHS Counter Phase Offset Value Register
0x01F0 6008 0x01F0 7008 0x01F0 8008 CAP1 Capture 1 Register
0x01F0 600C 0x01F0 700C 0x01F0 800C CAP2 Capture 2 Register
0x01F0 6010 0x01F0 7010 0x01F0 8010 CAP3 Capture 3 Register
0x01F0 6014 0x01F0 7014 0x01F0 8014 CAP4 Capture 4 Register
0x01F0 6028 0x01F0 7028 0x01F0 8028 ECCTL1 Capture Control Register 1
0x01F0 602A 0x01F0 702A 0x01F0 802A ECCTL2 Capture Control Register 2
0x01F0 602C 0x01F0 702C 0x01F0 802C ECEINT Capture Interrupt Enable Register
0x01F0 602E 0x01F0 702E 0x01F0 802E ECFLG Capture Interrupt Flag Register
0x01F0 6030 0x01F0 7030 0x01F0 8030 ECCLR Capture Interrupt Clear Register
0x01F0 6032 0x01F0 7032 0x01F0 8032 ECFRC Capture Interrupt Force Register
0x01F0 605C 0x01F0 705C 0x01F0 805C REVID Revision ID

Table 6-72 shows the eCAP timing requirement and Table 6-73 shows the eCAP switching characteristics.