ZHCSGV6F June   2009  – January 2017 TMS320C6742

PRODUCTION DATA.  

  1. 1器件概述
    1. 1.1 特性
    2. 1.2 应用
    3. 1.3 说明
    4. 1.4 功能方框图
  2. 2Revision History
  3. 3Device Comparison
    1. 3.1 Device Characteristics
    2. 3.2 Device Compatibility
    3. 3.3 DSP Subsystem
      1. 3.3.1 C674x DSP CPU Description
      2. 3.3.2 DSP Memory Mapping
        1. 3.3.2.1 External Memories
        2. 3.3.2.2 DSP Internal Memories
        3. 3.3.2.3 C674x CPU
    4. 3.4 Memory Map Summary
      1. Table 3-4 C6742 Top Level Memory Map
    5. 3.5 Pin Assignments
      1. 3.5.1 Pin Map (Bottom View)
    6. 3.6 Pin Multiplexing Control
    7. 3.7 Terminal Functions
      1. 3.7.1  Device Reset, NMI and JTAG
      2. 3.7.2  High-Frequency Oscillator and PLL
      3. 3.7.3  Real-Time Clock and 32-kHz Oscillator
      4. 3.7.4  DEEPSLEEP Power Control
      5. 3.7.5  External Memory Interface A (EMIFA)
      6. 3.7.6  DDR2/mDDR Controller
      7. 3.7.7  Serial Peripheral Interface Modules (SPI)
      8. 3.7.8  Enhanced Capture/Auxiliary PWM Modules (eCAP0)
      9. 3.7.9  Enhanced Pulse Width Modulators (eHRPWM)
      10. 3.7.10 Boot
      11. 3.7.11 Universal Asynchronous Receiver/Transmitters (UART0)
      12. 3.7.12 Inter-Integrated Circuit Modules(I2C0)
      13. 3.7.13 Timers
      14. 3.7.14 Multichannel Audio Serial Ports (McASP)
      15. 3.7.15 Multichannel Buffered Serial Ports (McBSP)
      16. 3.7.16 Universal Host-Port Interface (UHPI)
      17. 3.7.17 General Purpose Input Output
      18. 3.7.18 Reserved and No Connect
      19. 3.7.19 Supply and Ground
    8. 3.8 Unused Pin Configurations
  4. 4Device Configuration
    1. 4.1 Boot Modes
    2. 4.2 SYSCFG Module
    3. 4.3 Pullup/Pulldown Resistors
  5. 5Specifications
    1. 5.1 Absolute Maximum Ratings Over Operating Junction Temperature Range (Unless Otherwise Noted)
    2. 5.2 Handling Ratings
    3. 5.3 Recommended Operating Conditions
    4. 5.4 Notes on Recommended Power-On Hours (POH)
    5. 5.5 Electrical Characteristics Over Recommended Ranges of Supply Voltage and Operating Junction Temperature (Unless Otherwise Noted)
  6. 6Peripheral Information and Electrical Specifications
    1. 6.1  Parameter Information
      1. 6.1.1 Parameter Information Device-Specific Information
        1. 6.1.1.1 Signal Transition Levels
    2. 6.2  Recommended Clock and Control Signal Transition Behavior
    3. 6.3  Power Supplies
      1. 6.3.1 Power-On Sequence
      2. 6.3.2 Power-Off Sequence
    4. 6.4  Reset
      1. 6.4.1 Power-On Reset (POR)
      2. 6.4.2 Warm Reset
      3. 6.4.3 Reset Electrical Data Timings
    5. 6.5  Crystal Oscillator or External Clock Input
    6. 6.6  Clock PLLs
      1. 6.6.1 PLL Device-Specific Information
      2. 6.6.2 Device Clock Generation
      3. 6.6.3 Dynamic Voltage and Frequency Scaling (DVFS)
    7. 6.7  Interrupts
      1. 6.7.1 DSP Interrupts
    8. 6.8  Power and Sleep Controller (PSC)
      1. 6.8.1 Power Domain and Module Topology
        1. 6.8.1.1 Power Domain States
        2. 6.8.1.2 Module States
    9. 6.9  Enhanced Direct Memory Access Controller (EDMA3)
      1. 6.9.1 EDMA3 Channel Synchronization Events
      2. 6.9.2 EDMA3 Peripheral Register Descriptions
    10. 6.10 External Memory Interface A (EMIFA)
      1. 6.10.1 EMIFA Asynchronous Memory Support
      2. 6.10.2 EMIFA Synchronous DRAM Memory Support
      3. 6.10.3 EMIFA SDRAM Loading Limitations
      4. 6.10.4 EMIFA Connection Examples
      5. 6.10.5 External Memory Interface Register Descriptions
      6. 6.10.6 EMIFA Electrical Data/Timing
        1. Table 6-19 Timing Requirements for EMIFA SDRAM Interface
        2. Table 6-20 Switching Characteristics for EMIFA SDRAM Interface
        3. Table 6-21 Timing Requirements for EMIFA Asynchronous Memory Interface
    11. 6.11 DDR2/mDDR Memory Controller
      1. 6.11.1 DDR2/mDDR Memory Controller Electrical Data/Timing
      2. 6.11.2 DDR2/mDDR Memory Controller Register Description(s)
      3. 6.11.3 DDR2/mDDR Interface
        1. 6.11.3.1  DDR2/mDDR Interface Schematic
        2. 6.11.3.2  Compatible JEDEC DDR2/mDDR Devices
        3. 6.11.3.3  PCB Stackup
        4. 6.11.3.4  Placement
        5. 6.11.3.5  DDR2/mDDR Keep Out Region
        6. 6.11.3.6  Bulk Bypass Capacitors
        7. 6.11.3.7  High-Speed Bypass Capacitors
        8. 6.11.3.8  Net Classes
        9. 6.11.3.9  DDR2/mDDR Signal Termination
        10. 6.11.3.10 VREF Routing
        11. 6.11.3.11 DDR2/mDDR CK and ADDR_CTRL Routing
        12. 6.11.3.12 DDR2/mDDR Boundary Scan Limitations
    12. 6.12 Memory Protection Units
    13. 6.13 Multichannel Audio Serial Port (McASP)
      1. 6.13.1 McASP Peripheral Registers Description(s)
      2. 6.13.2 McASP Electrical Data/Timing
        1. 6.13.2.1 Multichannel Audio Serial Port 0 (McASP0) Timing
          1. Table 6-42 Timing Requirements for McASP0 (1.2V, 1.1V)
          2. Table 6-43 Timing Requirements for McASP0 (1.0V)
          3. Table 6-44 Switching Characteristics for McASP0 (1.2V, 1.1V)
          4. Table 6-45 Switching Characteristics for McASP0 (1.0V)
    14. 6.14 Multichannel Buffered Serial Port (McBSP)
      1. 6.14.1 McBSP Peripheral Register Description(s)
      2. 6.14.2 McBSP Electrical Data/Timing
        1. 6.14.2.1 Multichannel Buffered Serial Port (McBSP) Timing
          1. Table 6-47 Timing Requirements for McBSP1 [1.2V, 1.1V] (see )
          2. Table 6-48 Timing Requirements for McBSP1 [1.0V] (see )
          3. Table 6-49 Switching Characteristics for McBSP1 [1.2V, 1.1V] (see )
          4. Table 6-50 Switching Characteristics for McBSP1 [1.0V] (see )
          5. Table 6-51 Timing Requirements for McBSP1 FSR When GSYNC = 1 (see )
    15. 6.15 Serial Peripheral Interface Ports (SPI1)
      1. 6.15.1 SPI Peripheral Registers Description(s)
      2. 6.15.2 SPI Electrical Data/Timing
        1. 6.15.2.1 Serial Peripheral Interface (SPI) Timing
          1. Table 6-53 General Timing Requirements for SPI1 Master Modes
          2. Table 6-54 General Timing Requirements for SPI1 Slave Modes
          3. Table 6-55 Additional SPI1 Master Timings, 4-Pin Enable Option
          4. Table 6-56 Additional SPI1 Master Timings, 4-Pin Chip Select Option
    16. 6.16 Inter-Integrated Circuit Serial Ports (I2C)
      1. 6.16.1 I2C Device-Specific Information
      2. 6.16.2 I2C Peripheral Registers Description(s)
      3. 6.16.3 I2C Electrical Data/Timing
        1. 6.16.3.1 Inter-Integrated Circuit (I2C) Timing
          1. Table 6-62 Timing Requirements for I2C Input
          2. Table 6-63 Switching Characteristics for I2C
    17. 6.17 Universal Asynchronous Receiver/Transmitter (UART)
      1. 6.17.1 UART Peripheral Registers Description(s)
      2. 6.17.2 UART Electrical Data/Timing
        1. Table 6-65 Timing Requirements for UART Receive (see )
        2. Table 6-66 Switching Characteristics Over Recommended Operating Conditions for UARTx Transmit (see )
    18. 6.18 Host-Port Interface (UHPI)
      1. 6.18.1 HPI Device-Specific Information
      2. 6.18.2 HPI Peripheral Register Description(s)
      3. 6.18.3 HPI Electrical Data/Timing
        1. Table 6-68 Timing Requirements for Host-Port Interface [1.2V, 1.1V]
        2. Table 6-69 Switching Characteristics Over Recommended Operating Conditions for Host-Port Interface [1.2V, 1.1V]
        3. Table 6-70 Switching Characteristics Over Recommended Operating Conditions for Host-Port Interface [1.0V]
    19. 6.19 Enhanced Capture (eCAP) Peripheral
      1. Table 6-72 Timing Requirements for Enhanced Capture (eCAP)
      2. Table 6-73 Switching Characteristics Over Recommended Operating Conditions for eCAP
    20. 6.20 Enhanced High-Resolution Pulse-Width Modulator (eHRPWM)
      1. 6.20.1 Enhanced Pulse Width Modulator (eHRPWM) Timing
        1. Table 6-75 Timing Requirements for eHRPWM
        2. Table 6-76 Switching Characteristics Over Recommended Operating Conditions for eHRPWM
      2. 6.20.2 Trip-Zone Input Timing
    21. 6.21 Timers
      1. 6.21.1 Timer Electrical Data/Timing
        1. Table 6-79 Timing Requirements for Timer Input (see )
        2. Table 6-80 Switching Characteristics Over Recommended Operating Conditions for Timer Output
    22. 6.22 Real Time Clock (RTC)
      1. 6.22.1 Clock Source
      2. 6.22.2 Real-Time Clock Register Descriptions
    23. 6.23 General-Purpose Input/Output (GPIO)
      1. 6.23.1 GPIO Register Description(s)
      2. 6.23.2 GPIO Peripheral Input/Output Electrical Data/Timing
        1. Table 6-83 Timing Requirements for GPIO Inputs (see )
        2. Table 6-84 Switching Characteristics Over Recommended Operating Conditions for GPIO Outputs (see )
      3. 6.23.3 GPIO Peripheral External Interrupts Electrical Data/Timing
        1. Table 6-85 Timing Requirements for External Interrupts (see )
    24. 6.24 Emulation Logic
      1. 6.24.1 JTAG Port Description
      2. 6.24.2 Scan Chain Configuration Parameters
      3. 6.24.3 Initial Scan Chain Configuration
      4. 6.24.4 IEEE 1149.1 JTAG
        1. 6.24.4.1 JTAG Peripheral Register Description(s) – JTAG ID Register (DEVIDR0)
        2. 6.24.4.2 JTAG Test-Port Electrical Data/Timing
          1. Table 6-91 Timing Requirements for JTAG Test Port (see )
          2. Table 6-92 Switching Characteristics Over Recommended Operating Conditions for JTAG Test Port (see )
      5. 6.24.5 JTAG 1149.1 Boundary Scan Considerations
  7. 7Device and Documentation Support
    1. 7.1 Device Nomenclature
    2. 7.2 Tools and Software
    3. 7.3 Documentation Support
    4. 7.4 社区资源
    5. 7.5 商标
    6. 7.6 静电放电警告
    7. 7.7 出口管制提示
    8. 7.8 术语表
  8. 8Mechanical Packaging and Orderable Information
    1. 8.1 Thermal Data for ZCE Package
    2. 8.2 Thermal Data for ZWT Package
    3. 8.3 Packaging Information

封装选项

请参考 PDF 数据表获取器件具体的封装图。

机械数据 (封装 | 引脚)
  • ZWT|361
散热焊盘机械数据 (封装 | 引脚)
订购信息

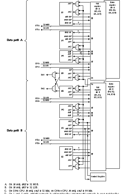
C674x DSP CPU Description

The C674x Central Processing Unit (CPU) consists of eight functional units, two register files, and two data paths as shown in Figure 3-2. The two general-purpose register files (A and B) each contain 32 32-bit registers for a total of 64 registers. The general-purpose registers can be used for data or can be data address pointers. The data types supported include packed 8-bit data, packed 16-bit data, 32-bit data, 40-bit data, and 64-bit data. Values larger than 32 bits, such as 40-bit-long or 64-bit-long values are stored in register pairs, with the 32 LSBs of data placed in an even register and the remaining 8 or 32 MSBs in the next upper register (which is always an odd-numbered register).

The eight functional units (.M1, .L1, .D1, .S1, .M2, .L2, .D2, and .S2) are each capable of executing one instruction every clock cycle. The .M functional units perform all multiply operations. The .S and .L units perform a general set of arithmetic, logical, and branch functions. The .D units primarily load data from memory to the register file and store results from the register file into memory.

The C674x CPU combines the performance of the C64x+ core with the floating-point capabilities of the C67x+ core.

Each C674x .M unit can perform one of the following each clock cycle: one 32 x 32 bit multiply, one 16 x 32 bit multiply, two 16 x 16 bit multiplies, two 16 x 32 bit multiplies, two 16 x 16 bit multiplies with add/subtract capabilities, four 8 x 8 bit multiplies, four 8 x 8 bit multiplies with add operations, and four 16 x 16 multiplies with add/subtract capabilities (including a complex multiply). There is also support for Galois field multiplication for 8-bit and 32-bit data. Many communications algorithms such as FFTs and modems require complex multiplication. The complex multiply (CMPY) instruction takes for 16-bit inputs and produces a 32-bit real and a 32-bit imaginary output. There are also complex multiplies with rounding capability that produces one 32-bit packed output that contain 16-bit real and 16-bit imaginary values. The 32 x 32 bit multiply instructions provide the extended precision necessary for high-precision algorithms on a variety of signed and unsigned 32-bit data types.

The .L or (Arithmetic Logic Unit) now incorporates the ability to do parallel add/subtract operations on a pair of common inputs. Versions of this instruction exist to work on 32-bit data or on pairs of 16-bit data performing dual 16-bit add and subtracts in parallel. There are also saturated forms of these instructions.

The C674x core enhances the .S unit in several ways. On the previous cores, dual 16-bit MIN2 and MAX2 comparisons were only available on the .L units. On the C674x core they are also available on the .S unit which increases the performance of algorithms that do searching and sorting. Finally, to increase data packing and unpacking throughput, the .S unit allows sustained high performance for the quad 8-bit/16-bit and dual 16-bit instructions. Unpack instructions prepare 8-bit data for parallel 16-bit operations. Pack instructions return parallel results to output precision including saturation support.

Other new features include:

  • SPLOOP - A small instruction buffer in the CPU that aids in creation of software pipelining loops where multiple iterations of a loop are executed in parallel. The SPLOOP buffer reduces the code size associated with software pipelining. Furthermore, loops in the SPLOOP buffer are fully interruptible.
  • Compact Instructions - The native instruction size for the C6000 devices is 32 bits. Many common instructions such as MPY, AND, OR, ADD, and SUB can be expressed as 16 bits if the C674x compiler can restrict the code to use certain registers in the register file. This compression is performed by the code generation tools.
  • Instruction Set Enhancement - As noted above, there are new instructions such as 32-bit multiplications, complex multiplications, packing, sorting, bit manipulation, and 32-bit Galois field multiplication.
  • Exceptions Handling - Intended to aid the programmer in isolating bugs. The C674x CPU is able to detect and respond to exceptions, both from internally detected sources (such as illegal op-codes) and from system events (such as a watchdog time expiration).
  • Privilege - Defines user and supervisor modes of operation, allowing the operating system to give a basic level of protection to sensitive resources. Local memory is divided into multiple pages, each with read, write, and execute permissions.
  • Time-Stamp Counter - Primarily targeted for Real-Time Operating System (RTOS) robustness, a free-running time-stamp counter is implemented in the CPU which is not sensitive to system stalls.

For more details on the C674x CPU and its enhancements over the C64x architecture, see the following documents:

  • TMS320C64x/C64x+ DSP CPU and Instruction Set Reference Guide (literature number SPRUFE8)
  • TMS320C64x Technical Overview (literature number SPRU395)

TMS320C6742 dg_cpu_prs271.gifFigure 3-2 TMS320C674x CPU (DSP Core) Data Paths