SPRS841E March   2012  – October 2019 TMS320C6652 , TMS320C6654

PRODUCTION DATA.  

  1. Device Overview
    1. 1.1 Features
    2. 1.2 Applications
    3. 1.3 Description
    4. 1.4 Functional Block Diagram
  2. Revision History
  3. Device Comparison
    1. 3.1 Device Comparison
    2. 3.2 Related Products
  4. Terminal Configuration and Functions
    1. 4.1 Pin Diagram
    2. 4.2 Terminal Functions
  5. Specifications
    1. 5.1 Absolute Maximum Ratings
    2. 5.2 ESD Ratings
    3. 5.3 Recommended Operating Conditions
    4. 5.4 Power Consumption Summary
    5. 5.5 Electrical Characteristics
    6. 5.6 Thermal Resistance Characteristics for [CZH/GZH] Package
    7. 5.7 Timing and Switching Characteristics
      1. 5.7.1  SmartReflex
        1. Table 5-1 SmartReflex 4-Pin VID Interface Switching Characteristics
      2. 5.7.2  Reset Electrical Data / Timing
        1. Table 5-2 Reset Timing Requirements
        2. Table 5-3 Reset Switching Characteristics Over Recommended Operating Conditions
        3. Table 5-4 Boot Configuration Timing Requirements
      3. 5.7.3  Main PLL Stabilization, Lock, and Reset Times
      4. 5.7.4  Main PLL Controller/PCIe Clock Input Electrical Data/Timing
        1. Table 5-6 Main PLL Controller/PCIe Clock Input Timing Requirements
      5. 5.7.5  DDR3 PLL Input Clock Electrical Data/Timing
        1. Table 5-7 DDR3 PLL DDRSYSCLK1(N|P) Timing Requirements
      6. 5.7.6  External Interrupts Electrical Data/Timing
        1. Table 5-8 NMI and Local Reset Timing Requirements
      7. 5.7.7  DDR3 Memory Controller Electrical Data/Timing
      8. 5.7.8  I2C Electrical Data/Timing
        1. 5.7.8.1 Inter-Integrated Circuits (I2C) Timing
          1. Table 5-9  I2C Timing Requirements
          2. Table 5-10 I2C Switching Characteristics
      9. 5.7.9  SPI Peripheral
        1. 5.7.9.1 SPI Timing
          1. Table 5-11 SPI Timing Requirements
          2. Table 5-12 SPI Switching Characteristics
      10. 5.7.10 UART Peripheral
        1. Table 5-13 UART Timing Requirements
        2. Table 5-14 UART Switching Characteristics
      11. 5.7.11 EMIF16 Peripheral
        1. 5.7.11.1 EMIF16 Electrical Data/Timing
          1. Table 5-15 EMIF16 Asynchronous Memory Timing Requirements
      12. 5.7.12 MDIO Timing (C6654 Only)
        1. Table 5-16 MDIO Timing Requirements
        2. Table 5-17 MDIO Switching Characteristics
      13. 5.7.13 Timers Electrical Data/Timing
        1. Table 5-18 Timer Input Timing Requirements
        2. Table 5-19 Timer Output Switching Characteristics
      14. 5.7.14 General-Purpose Input/Output (GPIO)
        1. 5.7.14.1 GPIO Device-Specific Information
        2. 5.7.14.2 GPIO Electrical Data/Timing
          1. Table 5-20 GPIO Input Timing Requirements
          2. Table 5-21 GPIO Output Switching Characteristics
      15. 5.7.15 McBSP Electrical Data/Timing
        1. 5.7.15.1 McBSP Timing
          1. Table 5-22 McBSP Timing Requirements
          2. Table 5-23 McBSP Switching Characteristics
          3. Table 5-24 McBSP Timing Requirements for FSR When GSYNC = 1
      16. 5.7.16 uPP Timing and Switching
        1. Table 5-25 uPP Timing Requirements
        2. Table 5-26 uPP Switching Characteristics
      17. 5.7.17 Trace Electrical Data/Timing
        1. Table 5-27 DSP Trace Switching Characteristics
        2. Table 5-28 STM Trace Switching Characteristics
      18. 5.7.18 JTAG Electrical Data/Timing
        1. Table 5-29 JTAG Test Port Timing Requirements
        2. Table 5-30 JTAG Test Port Switching Characteristics
  6. Detailed Description
    1. 6.1  Recommended Clock and Control Signal Transition Behavior
    2. 6.2  Power Supplies
      1. 6.2.1 Power Supply to Peripheral I/O Mapping
      2. 6.2.2 Power-Supply Sequencing
        1. 6.2.2.1 Core-Before-IO Power Sequencing
        2. 6.2.2.2 IO-Before-Core Power Sequencing
        3. 6.2.2.3 Prolonged Resets
        4. 6.2.2.4 Clocking During Power Sequencing
      3. 6.2.3 Power-Down Sequence
      4. 6.2.4 Power Supply Decoupling and Bulk Capacitors
    3. 6.3  Power Sleep Controller (PSC)
      1. 6.3.1 Power Domains
      2. 6.3.2 Clock Domains
      3. 6.3.3 PSC Register Memory Map
    4. 6.4  Reset Controller
      1. 6.4.1 Power-on Reset
      2. 6.4.2 Hard Reset
      3. 6.4.3 Soft Reset
      4. 6.4.4 Local Reset
      5. 6.4.5 Reset Priority
      6. 6.4.6 Reset Controller Register
    5. 6.5  Main PLL and PLL Controller
      1. 6.5.1 Main PLL Controller Device-Specific Information
        1. 6.5.1.1 Internal Clocks and Maximum Operating Frequencies
        2. 6.5.1.2 Main PLL Controller Operating Modes
      2. 6.5.2 PLL Controller Memory Map
        1. 6.5.2.1 PLL Secondary Control Register (SECCTL)
          1. Table 6-10 PLL Secondary Control Register (SECCTL) Field Descriptions
        2. 6.5.2.2 PLL Controller Divider Register (PLLDIV2, PLLDIV5, PLLDIV8)
          1. Table 6-11 PLL Controller Divider Register (PLLDIVn) Field Descriptions
        3. 6.5.2.3 PLL Controller Clock Align Control Register (ALNCTL)
          1. Table 6-12 PLL Controller Clock Align Control Register (ALNCTL) Field Descriptions
        4. 6.5.2.4 PLLDIV Divider Ratio Change Status Register (DCHANGE)
          1. Table 6-13 PLLDIV Divider Ratio Change Status Register (DCHANGE) Field Descriptions
        5. 6.5.2.5 SYSCLK Status Register (SYSTAT)
          1. Table 6-14 SYSCLK Status Register (SYSTAT) Field Descriptions
        6. 6.5.2.6 Reset Type Status Register (RSTYPE)
          1. Table 6-15 Reset Type Status Register (RSTYPE) Field Descriptions
        7. 6.5.2.7 Reset Control Register (RSTCTRL)
          1. Table 6-16 Reset Control Register (RSTCTRL) Field Descriptions
        8. 6.5.2.8 Reset Configuration Register (RSTCFG)
          1. Table 6-17 Reset Configuration Register (RSTCFG) Field Descriptions
        9. 6.5.2.9 Reset Isolation Register (RSISO)
          1. Table 6-18 Reset Isolation Register (RSISO) Field Descriptions
      3. 6.5.3 Main PLL Control Register
        1. Table 6-19 Main PLL Control Register 0 (MAINPLLCTL0) Field Descriptions
        2. Table 6-20 Main PLL Control Register 1 (MAINPLLCTL1) Field Descriptions
      4. 6.5.4 Main PLL and PLL Controller Initialization Sequence
    6. 6.6  DDR3 PLL
      1. 6.6.1 DDR3 PLL Control Register
        1. Table 6-21 DDR3 PLL Control Register 0 Field Descriptions
        2. Table 6-22 DDR3 PLL Control Register 1 Field Descriptions
      2. 6.6.2 DDR3 PLL Device-Specific Information
      3. 6.6.3 DDR3 PLL Initialization Sequence
    7. 6.7  Enhanced Direct Memory Access (EDMA3) Controller
      1. 6.7.1 EDMA3 Device-Specific Information
      2. 6.7.2 EDMA3 Channel Controller Configuration
      3. 6.7.3 EDMA3 Transfer Controller Configuration
      4. 6.7.4 EDMA3 Channel Synchronization Events
    8. 6.8  Interrupts
      1. 6.8.1 Interrupt Sources and Interrupt Controller
      2. 6.8.2 CIC Registers
        1. 6.8.2.1 CIC0 Register Map
        2. 6.8.2.2 CIC1 Register Map
      3. 6.8.3 Interprocessor Register Map
      4. 6.8.4 NMI and LRESET
    9. 6.9  Memory Protection Unit (MPU)
      1. 6.9.1 MPU Registers
        1. 6.9.1.1 MPU Register Map
        2. 6.9.1.2 Device-Specific MPU Registers
          1. 6.9.1.2.1 Configuration Register (CONFIG)
            1. Table 6-42 Configuration Register (CONFIG) Field Descriptions
      2. 6.9.2 MPU Programmable Range Registers
        1. 6.9.2.1 Programmable Range n Start Address Register (PROGn_MPSAR)
          1. Table 6-43 Programmable Range n Start Address Register (PROGn_MPSAR) Field Descriptions
        2. 6.9.2.2 Programmable Range n End Address Register (PROGn_MPEAR)
          1. Table 6-44 Programmable Range n End Address Register (PROGn_MPEAR) Field Descriptions
        3. 6.9.2.3 Programmable Range n Memory Protection Page Attribute Register (PROGn_MPPA)
          1. Table 6-45 Programmable Range n Memory Protection Page Attribute Register (PROGn_MPPA) Field Descriptions
        4. 6.9.2.4 MPU Registers Reset Values
    10. 6.10 DDR3 Memory Controller
      1. 6.10.1 DDR3 Memory Controller Device-Specific Information
    11. 6.11 I2C Peripheral
      1. 6.11.1 I2C Device-Specific Information
      2. 6.11.2 I2C Peripheral Register Description(s)
    12. 6.12 PCIe Peripheral (C6654 Only)
    13. 6.13 Ethernet Media Access Controller (EMAC) (C6654 Only)
      1. 6.13.1 EMAC Device-Specific Information
      2. 6.13.2 EMAC Peripheral Register Description(s)
      3. 6.13.3 EMAC Electrical Data/Timing (SGMII)
    14. 6.14 Management Data Input/Output (MDIO) (C6654 Only)
      1. 6.14.1 MDIO Peripheral Registers
    15. 6.15 Timers
      1. 6.15.1 Timers Device-Specific Information
    16. 6.16 Semaphore2
    17. 6.17 Multichannel Buffered Serial Port (McBSP)
      1. 6.17.1 McBSP Peripheral Register
    18. 6.18 Universal Parallel Port (uPP)
      1. 6.18.1 uPP Register Descriptions
    19. 6.19 Emulation Features and Capability
      1. 6.19.1 Advanced Event Triggering (AET)
      2. 6.19.2 Trace
      3. 6.19.3 IEEE 1149.1 JTAG
        1. 6.19.3.1 IEEE 1149.1 JTAG Compatibility Statement
    20. 6.20 DSP Core Description
    21. 6.21 Memory Map Summary
    22. 6.22 Boot Sequence
    23. 6.23 Boot Modes Supported and PLL Settings
      1. 6.23.1 Boot Device Field
        1. Table 6-61 Boot Mode Pins: Boot Device Values
      2. 6.23.2 Device Configuration Field
        1. 6.23.2.1 EMIF16 / UART / No Boot Device Configuration
          1. Table 6-62 EMIF16 / UART / No Boot Configuration Field Descriptions
          2. 6.23.2.1.1 No Boot Mode
            1. Table 6-63 No Boot Configuration Field Descriptions
          3. 6.23.2.1.2 UART Boot Mode
            1. Table 6-64 UART Boot Configuration Field Descriptions
          4. 6.23.2.1.3 EMIF16 Boot Mode
            1. Table 6-65 EMIF16 Boot Configuration Field Descriptions
        2. 6.23.2.2 Ethernet (SGMII) Boot Device Configuration (C6654 Only)
          1. Table 6-66 Ethernet (SGMII) Configuration Field Descriptions
        3. 6.23.2.3 NAND Boot Device Configuration
          1. Table 6-67 NAND Configuration Field Descriptions
        4. 6.23.2.4 PCI Boot Device Configuration (C6654 Only)
          1. Table 6-68 PCI Device Configuration Field Descriptions
        5. 6.23.2.5 I2C Boot Device Configuration
          1. 6.23.2.5.1 I2C Master Mode
            1. Table 6-70 I2C Master Mode Device Configuration Field Descriptions
          2. 6.23.2.5.2 I2C Passive Mode
            1. Table 6-71 I2C Passive Mode Device Configuration Field Descriptions
        6. 6.23.2.6 SPI Boot Device Configuration
          1. Table 6-72 SPI Device Configuration Field Descriptions
      3. 6.23.3 Boot Parameter Table
        1. Table 6-75 PLL Configuration Field Description
        2. 6.23.3.1   Sleep / XIP Mode Parameter Table
          1. Table 6-77 EMIF16 XIP Option Field Descriptions
        3. 6.23.3.2   Ethernet Mode Boot Parameter Table (C6654 Only)
          1. Table 6-79 Ethernet Options Field Descriptions
          2. Table 6-80 SGMII Config Field Descriptions
        4. 6.23.3.3   NAND Mode Boot Parameter Table
          1. Table 6-82 NAND Boot Parameter Options Bit Field Descriptions
        5. 6.23.3.4   PCIE Mode Boot Parameter Table
          1. Table 6-84 PCIe Options Field Descriptions
        6. 6.23.3.5   I2C Mode Boot Parameter Table
          1. Table 6-86 Register Description
        7. 6.23.3.6   SPI Mode Boot Parameter Table
          1. Table 6-88 SPI Options Field Description
        8. 6.23.3.7   UART Mode Boot Parameter Table
    24. 6.24 PLL Boot Configuration Settings
    25. 6.25 Second-Level Bootloaders
  7. C66x CorePac
    1. 7.1 Memory Architecture
      1. 7.1.1 L1P Memory
      2. 7.1.2 L1D Memory
      3. 7.1.3 L2 Memory
      4. 7.1.4 MSM Controller
      5. 7.1.5 L3 Memory
    2. 7.2 Memory Protection
    3. 7.3 Bandwidth Management
    4. 7.4 Power-Down Control
    5. 7.5 C66x CorePac Revision
      1. Table 7-2 CorePac Revision ID Register (MM_REVID) Field Descriptions
    6. 7.6 C66x CorePac Register Descriptions
  8. Device Configuration
    1. 8.1 Device Configuration at Device Reset
    2. 8.2 Peripheral Selection After Device Reset
    3. 8.3 Device State Control Registers
      1. 8.3.1  Device Status Register
        1. Table 8-3 Device Status Register Field Descriptions
      2. 8.3.2  Device Configuration Register
        1. Table 8-4 Device Configuration Register Field Descriptions
      3. 8.3.3  JTAG ID (JTAGID) Register Description
        1. Table 8-5 JTAG ID Register Field Descriptions
      4. 8.3.4  Kicker Mechanism (KICK0 and KICK1) Register
      5. 8.3.5  LRESETNMI PIN Status (LRSTNMIPINSTAT) Register
        1. Table 8-6 LRESETNMI PIN Status Register (LRSTNMIPINSTAT) Field Descriptions
      6. 8.3.6  LRESETNMI PIN Status Clear (LRSTNMIPINSTAT_CLR) Register
        1. Table 8-7 LRESETNMI PIN Status Clear Register (LRSTNMIPINSTAT_CLR) Field Descriptions
      7. 8.3.7  Reset Status (RESET_STAT) Register
        1. Table 8-8 Reset Status Register (RESET_STAT) Field Descriptions
      8. 8.3.8  Reset Status Clear (RESET_STAT_CLR) Register
        1. Table 8-9 Reset Status Clear Register (RESET_STAT_CLR) Field Descriptions
      9. 8.3.9  Boot Complete (BOOTCOMPLETE) Register
        1. Table 8-10 Boot Complete Register (BOOTCOMPLETE) Field Descriptions
      10. 8.3.10 Power State Control (PWRSTATECTL) Register
        1. Table 8-11 Power State Control Register (PWRSTATECTL) Field Descriptions
      11. 8.3.11 NMI Event Generation to CorePac (NMIGRx) Register
        1. Table 8-12 NMI Generation Register (NMIGRx) Field Descriptions
      12. 8.3.12 IPC Generation (IPCGRx) Registers
        1. Table 8-13 IPC Generation Registers (IPCGRx) Field Descriptions
      13. 8.3.13 IPC Acknowledgement (IPCARx) Registers
        1. Table 8-14 IPC Acknowledgement Registers (IPCARx) Field Descriptions
      14. 8.3.14 IPC Generation Host (IPCGRH) Register
        1. Table 8-15 IPC Generation Registers (IPCGRH) Field Descriptions
      15. 8.3.15 IPC Acknowledgement Host (IPCARH) Register
        1. Table 8-16 IPC Acknowledgement Register (IPCARH) Field Descriptions
      16. 8.3.16 Timer Input Selection Register (TINPSEL)
        1. Table 8-17 Timer Input Selection Field Description (TINPSEL)
      17. 8.3.17 Timer Output Selection Register (TOUTPSEL)
        1. Table 8-18 Timer Output Selection Field Description (TOUTPSEL)
      18. 8.3.18 Reset Mux (RSTMUXx) Register
        1. Table 8-19 Reset Mux Register Field Descriptions
      19. 8.3.19 Device Speed (DEVSPEED) Register
        1. Table 8-20 Device Speed Register Field Descriptions
      20. 8.3.20 Pin Control 0 (PIN_CONTROL_0) Register
        1. Table 8-21 Pin Control 0 Register Field Descriptions
      21. 8.3.21 Pin Control 1 (PIN_CONTROL_1) Register
        1. Table 8-22 Pin Control 1 Register Field Descriptions
      22. 8.3.22 uPP Clock Source (UPP_CLOCK) Register
        1. Table 8-23 uPP Clock Source Register Field Descriptions
    4. 8.4 Pullup and Pulldown Resistors
  9. System Interconnect
    1. 9.1 Internal Buses and Switch Fabrics
    2. 9.2 Switch Fabric Connections Matrix
    3. 9.3 TeraNet Switch Fabric Connections
    4. 9.4 Bus Priorities
      1. 9.4.1 Packet DMA Priority Allocation (PKTDMA_PRI_ALLOC) Register
        1. Table 9-3 Packet DMA Priority Allocation Register (PKTDMA_PRI_ALLOC) Field Descriptions
      2. 9.4.2 EMAC / uPP Priority Allocation (EMAC_UPP_PRI_ALLOC) Register (C6654 Only)
        1. Table 9-4 EMAC / uPP Priority Allocation Register (EMAC_UPP_PRI_ALLOC) Field Descriptions
  10. 10Device and Documentation Support
    1. 10.1 Device Nomenclature
    2. 10.2 Tools and Software
    3. 10.3 Documentation Support
    4. 10.4 Related Links
    5. 10.5 Support Resources
    6. 10.6 Trademarks
    7. 10.7 Electrostatic Discharge Caution
    8. 10.8 Glossary
  11. 11Mechanical Packaging and Orderable Information
    1. 11.1 Packaging Information

封装选项

请参考 PDF 数据表获取器件具体的封装图。

机械数据 (封装 | 引脚)
  • CZH|625
散热焊盘机械数据 (封装 | 引脚)
订购信息

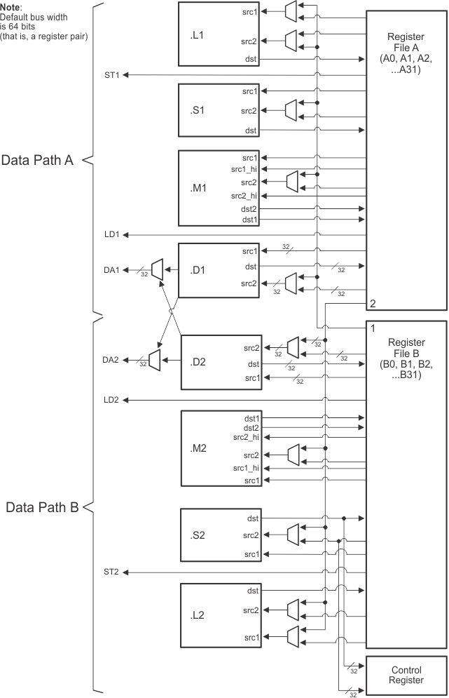
DSP Core Description

The C66x DSP extends the performance of the C64x+ and C674x DSPs through enhancements and new features. Many of the new features target increased performance for vector processing. The C64x+ and C674x DSPs support 2-way SIMD operations for 16-bit data and 4-way SIMD operations for 8-bit data. On the C66x DSP, the vector processing capability is improved by extending the width of the SIMD instructions. C66x DSPs can execute instructions that operate on 128-bit vectors. For example the QMPY32 instruction is able to perform the element-to-element multiplication between two vectors of four 32-bit data each. The C66x DSP also supports SIMD for floating-point operations. Improved vector processing capability (each instruction can process multiple data in parallel) combined with the natural instruction level parallelism of C6000 architecture (for example, execution of up to 8 instructions per cycle) results in a very high level of parallelism that can be exploited by DSP programmers through the use of TI's optimized C/C++ compiler.

The C66x DSP consists of eight functional units, two register files, and two data paths as shown in Figure 6-25. The two general-purpose register files (A and B) each contain 32 32-bit registers for a total of 64 registers. The general-purpose registers can be used for data or can be data address pointers. The data types supported include packed 8-bit data, packed 16-bit data, 32-bit data, 40-bit data, and 64-bit data. Multiplies also support 128-bit data. 40-bit-long or 64-bit-long values are stored in register pairs, with the 32 LSBs of data placed in an even register and the remaining 8 or 32 MSBs in the next upper register (which is always an odd-numbered register). 128-bit data values are stored in register quadruplets, with the 32 LSBs of data placed in a register that is a multiple of 4 and the remaining 96 MSBs in the next 3 upper registers.

The eight functional units (.M1, .L1, .D1, .S1, .M2, .L2, .D2, and .S2) are each capable of executing one instruction every clock cycle. The .M functional units perform all multiply operations. The .S and .L units perform a general set of arithmetic, logical, and branch functions. The .D units primarily load data from memory to the register file and store results from the register file into memory.

Each C66x .M unit can perform one of the following fixed-point operations each clock cycle: four 32 × 32 bit multiplies, sixteen 16 × 16 bit multiplies, four 16 × 32 bit multiplies, four 8 × 8 bit multiplies, four 8 × 8 bit multiplies with add operations, and four 16 × 16 multiplies with add/subtract capabilities. There is also support for Galois field multiplication for 8-bit and 32-bit data. Many communications algorithms such as FFTs and modems require complex multiplication. Each C66x .M unit can perform one 16 × 16 bit complex multiply with or without rounding capabilities, two 16 × 16 bit complex multiplies with rounding capability, and a 32 × 32 bit complex multiply with rounding capability. The C66x can also perform two 16 × 16 bit and one 32 × 32 bit complex multiply instructions that multiply a complex number with a complex conjugate of another number with rounding capability. Communication signal processing also requires an extensive use of matrix operations. Each C66x .M unit is capable of multiplying a [1 × 2] complex vector by a [2 × 2] complex matrix per cycle with or without rounding capability. A version also exists allowing multiplication of the conjugate of a [1 × 2] vector with a [2 × 2] complex matrix.

Each C66x .M unit also includes IEEE floating-point multiplication operations from the C674x DSP, which includes one single-precision multiply each cycle and one double-precision multiply every 4 cycles. There is also a mixed-precision multiply that allows multiplication of a single-precision value by a double-precision value and an operation allowing multiplication of two single-precision numbers resulting in a double-precision number. The C66x DSP improves the performance over the C674x double-precision multiplies by adding a instruction allowing one double-precision multiply per cycle and also reduces the number of delay slots from 10 down to 4. Each C66x .M unit can also perform one the following floating-point operations each clock cycle: one, two, or four single-precision multiplies or a complex single-precision multiply.

The .L and .S units can now support up to 64-bit operands. This allows for new versions of many of the arithmetic, logical, and data packing instructions to allow for more parallel operations per cycle. Additional instructions were added yielding performance enhancements of the floating point addition and subtraction instructions, including the ability to perform one double precision addition or subtraction per cycle. Conversion to/from integer and single-precision values can now be done on both .L and .S units on the C66x. Also, by taking advantage of the larger operands, instructions were also added to double the number of these conversions that can be done. The .L unit also has additional instructions for logical AND and OR instructions, as well as, 90 degree or 270 degree rotation of complex numbers (up to two per cycle). Instructions have also been added that allow for the computing the conjugate of a complex number.

The MFENCE instruction is a new instruction introduced on the C66x DSP. This instruction will create a DSP stall until the completion of all the DSP-triggered memory transactions, including:

  • Cache line fills
  • Writes from L1D to L2 or from the CorePac to MSMC and/or other system endpoints
  • Victim write backs
  • Block or global coherence operations
  • Cache mode changes
  • Outstanding XMC prefetch requests

This is useful as a simple mechanism for programs to wait for these requests to reach their endpoint. It also ensures ordering for writes arriving at a single endpoint through multiple paths, multiprocessor algorithms that depend on ordering, and manual coherence operations.

For more details on the C66x DSP and its enhancements over the C64x+ and C674x architectures, see the following documents:

Figure 6-25 shows the DSP core functional units and data paths.

TMS320C6652 TMS320C6654 DSP_core_data_paths.gifFigure 6-25 DSP Core Data Paths