ZHCSYZ2A September 2025 – November 2025 TLV3214
PRODMIX
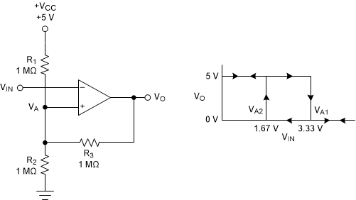
具有迟滞功能的反相比较器需要一个以比较器电源电压 (VCC) 为基准的三电阻器网络,如图 7-3 所示。
图 7-3 采用反相配置且具有迟滞功能的 TLV321x输出为高电平和低电平时的等效电阻器网络如图 7-3 所示。
图 7-4 反相配置电阻器等效网络当 VIN 小于 VA 时,输出电压为高电平(为简单起见,假设 VO 切换至与 VCC 一样高)。三电阻器网络可以表示为 R1 || R3 与 R2 串联,如图 7-4 所示。
下面的方程式 1 定义了从高电平转换到低电平的跳变电压 (VA1)。

当 VIN 大于 VA 时,输出电压较低。在这种情况下,三电阻器网络可以表示为 R2 || R3 与 R1 串联,如方程式 2 所示。
使用方程式 2 定义从低电平转换到高电平的跳变电压 (VA2)。

方程式 3 定义了网络提供的总迟滞。
