ZHCSYQ4C December   1995  – July 2025 TLC27L1 , TLC27L1A

PRODUCTION DATA  

  1.   1
  2. 特性
  3. 应用
  4. 说明
  5. 引脚配置和功能
  6. 规格
    1. 5.1  绝对最大额定值
    2. 5.2  功耗额定值
    3. 5.3  建议运行条件
    4. 5.4  电气特性,C 后缀
    5. 5.5  工作特性,VDD = 5V,C 后缀
    6. 5.6  工作特性,VDD = 10V,C 后缀
    7. 5.7  电气特性,I 后缀
    8. 5.8  工作特性,VDD = 5V,I 后缀
    9. 5.9  工作特性,VDD = 10V,I 后缀
    10. 5.10 典型特性
  7. 参数测量信息
    1. 6.1 单电源与双电源测试电路
    2. 6.2 输入偏置电流
    3. 6.3 低电平输出电压
    4. 6.4 输入偏移电压温度系数
    5. 6.5 全功率响应
    6. 6.6 测试时间
  8. 应用和实施
    1. 7.1 应用信息
      1. 7.1.1 单电源供电
      2. 7.1.2 输入特性
      3. 7.1.3 噪声性能
      4. 7.1.4 反馈
      5. 7.1.5 静电放电保护
      6. 7.1.6 闩锁效应
      7. 7.1.7 输出特性
      8. 7.1.8 典型应用
  9. 器件和文档支持
    1. 8.1 接收文档更新通知
    2. 8.2 支持资源
    3. 8.3 商标
    4. 8.4 静电放电警告
    5. 8.5 术语表
  10. 修订历史记录
  11. 10机械、封装和可订购信息

封装选项

请参考 PDF 数据表获取器件具体的封装图。

机械数据 (封装 | 引脚)
  • D|8
  • P|8
散热焊盘机械数据 (封装 | 引脚)
订购信息

反馈

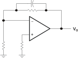
运算放大器电路几乎总是采用反馈设计,而由于反馈是振荡的首要条件,因此需谨慎设计。大多数振荡问题都是由于驱动容性负载并忽略杂散输入电容所致。与反馈电阻器并联的低容值电容器是一种有效的解决方法(请参阅图 7-6)。对该电容器值的优化基于经验。

TLC27L1 TLC27L1A 对输入电容进行补偿图 7-6 对输入电容进行补偿