ZHCSXG4B July   2024  – November 2025 TLA431 , TLA432

PRODUCTION DATA  

  1.   1
  2. 特性
  3. 应用
  4. 说明
  5. 器件比较表
  6. 引脚配置和功能
  7. 规格
    1. 6.1 绝对最大额定值
    2. 6.2 ESD 等级
    3. 6.3 建议运行条件
    4. 6.4 热性能信息
    5. 6.5 电气特性
    6. 6.6 典型特性
  8. 参数测量信息
    1. 7.1 温度系数
    2. 7.2 动态阻抗
  9. 详细说明
    1. 8.1 概述
    2. 8.2 功能方框图
    3. 8.3 特性说明
    4. 8.4 器件功能模式
      1. 8.4.1 闭环
        1. 8.4.1.1 稳定性(闭环)
      2. 8.4.2 开环(比较器)
  10. 应用和实施
    1. 9.1 应用信息
    2. 9.2 典型应用
      1. 9.2.1 并联稳压器/基准
        1. 9.2.1.1 设计要求
        2. 9.2.1.2 详细设计过程
          1. 9.2.1.2.1 可编程输出/阴极电压
          2. 9.2.1.2.2 总精度
          3. 9.2.1.2.3 启动时间
        3. 9.2.1.3 应用曲线
      2. 9.2.2 具有集成基准的比较器
        1. 9.2.2.1 设计要求
        2. 9.2.2.2 详细设计过程
          1. 9.2.2.2.1 基本操作
            1. 9.2.2.2.1.1 过驱
          2. 9.2.2.2.2 输出电压和逻辑输入电平
            1. 9.2.2.2.2.1 输入电阻
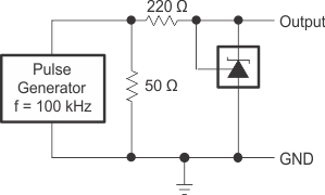
        3. 9.2.2.3 应用曲线
    3. 9.3 系统示例
    4. 9.4 电源相关建议
    5. 9.5 布局
      1. 9.5.1 布局指南
      2. 9.5.2 布局示例
  11. 10器件和文档支持
    1. 10.1 器件命名规则
    2. 10.2 相关链接
    3. 10.3 接收文档更新通知
    4. 10.4 支持资源
    5. 10.5 商标
    6. 10.6 静电放电警告
    7. 10.7 术语表
  12. 11修订历史记录
  13. 12机械、封装和可订购信息

封装选项

机械数据 (封装 | 引脚)
散热焊盘机械数据 (封装 | 引脚)
订购信息

典型特性

高温和低温下的数据仅适用于各种器件在自然通风条件下的推荐工作温度范围内。

TLA431 TLA432 基准电压与自然通风温度之间的关系图 6-1 基准电压与自然通风温度之间的关系
TLA431 TLA432 阴极电流与阴极电压之间的关系图 6-3 阴极电流与阴极电压之间的关系
TLA431 TLA432 小信号电压放大与频率之间的关系图 6-5 小信号电压放大与频率之间的关系
TLA431 TLA432 基准阻抗与频率之间的关系图 6-7 基准阻抗与频率之间的关系
TLA431 TLA432 脉冲响应图 6-9 脉冲响应
TLA431 TLA432 稳定性边界条件图 6-11 稳定性边界条件
TLA431 TLA432 阴极电流与阴极电压之间的关系图 6-2 阴极电流与阴极电压之间的关系
TLA431 TLA432 Δ 基准电压与 Δ 阴极电压之比与自然通风条件下的温度之间的关系图 6-4 Δ 基准电压与 Δ 阴极电压之比与自然通风条件下的温度之间的关系
TLA431 TLA432 电压放大测试电路图 6-6 电压放大测试电路
TLA431 TLA432 基准阻抗测试电路图 6-8 基准阻抗测试电路
TLA431 TLA432 脉冲响应测试电路图 6-10 脉冲响应测试电路
TLA431 TLA432 稳定性边界条件测试电路图 6-12 稳定性边界条件测试电路