ZHCSNJ8A April   2021  – September 2023 TDES960

PRODUCTION DATA  

  1.   1
  2. 特性
  3. 应用
  4. 说明
  5. Revision History
  6. Pin Configuration and Functions
  7. Specifications
    1. 6.1  Absolute Maximum Ratings
    2. 6.2  ESD Ratings
    3. 6.3  Recommended Operating Conditions
    4. 6.4  Thermal Information
    5. 6.5  DC Electrical Characteristics
    6. 6.6  AC Electrical Characteristics
    7. 6.7  CSI-2 Timing Specifications
    8. 6.8  Recommended Timing for the Serial Control Bus
    9. 6.9  Timing Diagrams
    10. 6.10 Typical Characteristics
  8. Detailed Description
    1. 7.1 Overview
      1. 7.1.1 Functional Description
    2. 7.2 Functional Block Diagram
    3. 7.3 Feature Description
    4. 7.4 Device Functional Modes
      1. 7.4.1  CSI-2 Mode
      2. 7.4.2  RAW Mode
      3. 7.4.3  MODE Pin
      4. 7.4.4  REFCLK
      5. 7.4.5  Receiver Port Control
        1. 7.4.5.1 Video Stream Forwarding
      6. 7.4.6  Input Jitter Tolerance
      7. 7.4.7  Adaptive Equalizer
        1. 7.4.7.1 Channel Requirements
        2. 7.4.7.2 Adaptive Equalizer Algorithm
        3. 7.4.7.3 AEQ Settings
          1. 7.4.7.3.1 AEQ Start-Up and Initialization
          2. 7.4.7.3.2 AEQ Range
          3. 7.4.7.3.3 AEQ Timing
          4. 7.4.7.3.4 AEQ Threshold
      8. 7.4.8  Channel Monitor Loop-Through Output Driver
        1. 7.4.8.1 Code Example for CMLOUT V3LINK RX Port 0:
      9. 7.4.9  RX Port Status
        1. 7.4.9.1 RX Parity Status
        2. 7.4.9.2 V3Link Decoder Status
        3. 7.4.9.3 RX Port Input Signal Detection
        4. 7.4.9.4 Line Counter
        5. 7.4.9.5 Line Length
      10. 7.4.10 Sensor Status
      11. 7.4.11 GPIO Support
        1. 7.4.11.1 GPIO Input Control and Status
        2. 7.4.11.2 GPIO Output Pin Control
        3. 7.4.11.3 Forward Channel GPIO
        4. 7.4.11.4 Back Channel GPIO
        5. 7.4.11.5 GPIO Pin Status
        6. 7.4.11.6 Other GPIO Pin Controls
      12. 7.4.12 RAW Mode LV / FV Controls
      13. 7.4.13 CSI-2 Protocol Layer
      14. 7.4.14 CSI-2 Short Packet
      15. 7.4.15 CSI-2 Long Packet
      16. 7.4.16 CSI-2 Data Identifier
      17. 7.4.17 Virtual Channel and Context
      18. 7.4.18 CSI-2 Mode Virtual Channel Mapping
        1. 7.4.18.1 Example 1
        2. 7.4.18.2 Example 2
      19. 7.4.19 CSI-2 Transmitter Frequency
      20. 7.4.20 CSI-2 Output Bandwidth
        1. 7.4.20.1 CSI-2 Output Bandwidth Calculation Example
      21. 7.4.21 CSI-2 Transmitter Status
      22. 7.4.22 Video Buffers
      23. 7.4.23 CSI-2 Line Count and Line Length
      24. 7.4.24 FrameSync Operation
        1. 7.4.24.1 External FrameSync Control
        2. 7.4.24.2 Internally Generated FrameSync
          1. 7.4.24.2.1 Code Example for Internally Generated FrameSync
      25. 7.4.25 CSI-2 Forwarding
        1. 7.4.25.1 Best-Effort Round Robin CSI-2 Forwarding
        2. 7.4.25.2 Synchronized CSI-2 Forwarding
        3. 7.4.25.3 Basic Synchronized CSI-2 Forwarding
          1. 7.4.25.3.1 Code Example for Basic Synchronized CSI-2 Forwarding
        4. 7.4.25.4 Line-Interleaved CSI-2 Forwarding
          1. 7.4.25.4.1 Code Example for Line-Interleaved CSI-2 Forwarding
        5. 7.4.25.5 Line-Concatenated CSI-2 Forwarding
          1. 7.4.25.5.1 Code Example for Line-Concatenated CSI-2 Forwarding
        6. 7.4.25.6 CSI-2 Replicate Mode
        7. 7.4.25.7 CSI-2 Transmitter Output Control
        8. 7.4.25.8 Enabling and Disabling CSI-2 Transmitters
    5. 7.5 Programming
      1. 7.5.1  Serial Control Bus
      2. 7.5.2  Second I2C Port
      3. 7.5.3  I2C Target Operation
      4. 7.5.4  Remote Target Operation
      5. 7.5.5  Remote Target Addressing
      6. 7.5.6  Broadcast Write to Remote Devices
        1. 7.5.6.1 Code Example for Broadcast Write
      7. 7.5.7  I2C Controller Proxy
      8. 7.5.8  I2C Controller Proxy Timing
        1. 7.5.8.1 Code Example for Configuring Fast-Mode Plus I2C Operation
      9. 7.5.9  Interrupt Support
        1. 7.5.9.1 Code Example to Enable Interrupts
        2. 7.5.9.2 V3Link Receive Port Interrupts
        3. 7.5.9.3 Interrupts on Forward Channel GPIO
        4. 7.5.9.4 Interrupts on Change in Sensor Status
        5. 7.5.9.5 Code Example to Readback Interrupts
        6. 7.5.9.6 CSI-2 Transmit Port Interrupts
      10. 7.5.10 Error Handling
        1. 7.5.10.1 Receive Frame Threshold
        2. 7.5.10.2 Port PASS Control
      11. 7.5.11 Timestamp – Video Skew Detection
      12. 7.5.12 Pattern Generation
        1. 7.5.12.1 Reference Color Bar Pattern
        2. 7.5.12.2 Fixed Color Patterns
        3. 7.5.12.3 Pattern Generator Programming
          1. 7.5.12.3.1 Determining Color Bar Size
        4. 7.5.12.4 Code Example for Pattern Generator
      13. 7.5.13 V3Link BIST Mode
        1. 7.5.13.1 BIST Operation
    6. 7.6 Register Maps
      1. 7.6.1 Main Registers
      2. 7.6.2 Indirect Access Registers
        1. 7.6.2.1 PATGEN_And_CSI-2 Registers
  9. Application and Implementation
    1. 8.1 Application Information
      1. 8.1.1 Power Over Coax
    2. 8.2 Typical Application
      1. 8.2.1 Design Requirements
      2. 8.2.2 Detailed Design Procedure
      3. 8.2.3 Application Curves
    3. 8.3 System Examples
    4. 8.4 Power Supply Recommendations
      1. 8.4.1 VDD Power Supply
      2. 8.4.2 Power-Up Sequencing
        1. 8.4.2.1 PDB Pin
        2. 8.4.2.2 System Initialization
    5. 8.5 Layout
      1. 8.5.1 Layout Guidelines
        1. 8.5.1.1 Ground
        2. 8.5.1.2 Routing V3Link Signal Traces and PoC Filter
        3. 8.5.1.3 CSI-2 Guidelines
      2. 8.5.2 Layout Example
  10. Device and Documentation Support
    1. 9.1 Documentation Support
      1. 9.1.1 Related Documentation
    2. 9.2 Receiving Notification of Documentation Updates
    3. 9.3 支持资源
    4. 9.4 Trademarks
    5. 9.5 静电放电警告
    6. 9.6 术语表
  11. 10Mechanical, Packaging, and Orderable Information

封装选项

机械数据 (封装 | 引脚)
散热焊盘机械数据 (封装 | 引脚)
订购信息

Timing Diagrams

GUID-8092713F-916E-44AE-80E7-3D81C3E95B74-low.gifFigure 6-1 LVCMOS Transition Times
GUID-42589499-6979-46BC-A397-0A33FB40CB0C-low.gifFigure 6-2 V3Link Receiver VID, VIN , VCM
GUID-B599E5C3-22F0-4D5F-8B0F-9AFF7515DCBD-low.gifFigure 6-3 Deserializer Data Lock Time
GUID-49D4B396-DEEB-4392-B031-2DC0BBD4209A-low.gifFigure 6-4 I2C Serial Control Bus Timing
GUID-2D6D7854-8343-4C43-9264-5EB057AC0B08-low.gifFigure 6-5 Clock and Data Timing in HS Transmission
GUID-3453D07B-F69E-4E4F-8DAD-971C0B3FB28A-low.gifFigure 6-6 High Speed Data Transmission Burst
GUID-E98E8C00-EC7C-4471-9132-304549ACC7EE-low.gifFigure 6-7 Switching the Clock Lane between Clock Transmission and Low-Power Mode
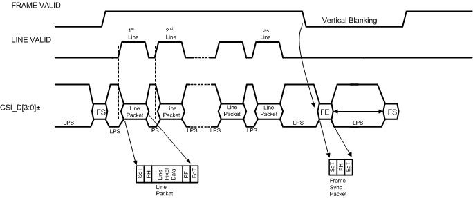
GUID-BAE915E6-02E9-492B-9DF7-C28D4C906CA6-low.gifFigure 6-8 Long Line Packets and Short Frame Sync Packets
GUID-20230420-SS0I-D35V-WGHJ-DMSWHFTZXR77-low.svgFigure 6-9 CSI-2 General Frame Format (Single Rx / VC)
GUID-E6541DC8-65AD-4238-A6D8-7A0238448B92-low.pngFigure 6-10 4 MIPI Data Lane Configuration