ZHCSJJ3E July   2009  – April 2019 TCA9555

PRODUCTION DATA.  

  1. 特性
  2. 应用
  3. 说明
    1.     Device Images
      1.      简化原理图
  4. 修订历史记录
  5. 说明 (续)
  6. Pin Configuration and Functions
    1.     Pin Functions
  7. Specifications
    1. 7.1 Absolute Maximum Ratings
    2. 7.2 ESD Ratings
    3. 7.3 Recommended Operating Conditions
    4. 7.4 Thermal Information
    5. 7.5 Electrical Characteristics
    6. 7.6 I2C Interface Timing Requirements
    7. 7.7 Switching Characteristics
    8. 7.8 Typical Characteristics
  8. Parameter Measurement Information
  9. Detailed Description
    1. 9.1 Overview
    2. 9.2 Functional Block Diagram
    3. 9.3 Feature Description
      1. 9.3.1 5-V Tolerant I/O Ports
      2. 9.3.2 Hardware Address Pins
      3. 9.3.3 Interrupt (INT) Output
    4. 9.4 Device Functional Modes
      1. 9.4.1 Power-On Reset (POR)
      2. 9.4.2 Powered-Up
    5. 9.5 Programming
      1. 9.5.1 I/O Port
      2. 9.5.2 I2C Interface
        1. 9.5.2.1 Bus Transactions
          1. 9.5.2.1.1 Writes
          2. 9.5.2.1.2 Reads
      3. 9.5.3 Device Address
      4. 9.5.4 Control Register and Command Byte
    6. 9.6 Register Maps
      1. 9.6.1 Register Descriptions
  10. 10Application and Implementation
    1. 10.1 Application Information
    2. 10.2 Typical Application
      1. 10.2.1 Design Requirements
      2. 10.2.2 Detailed Design Procedure
        1. 10.2.2.1 Calculating Junction Temperature and Power Dissipation
        2. 10.2.2.2 Minimizing ICC When I/O Is Used to Control LED
        3. 10.2.2.3 Pull-Up Resistor Calculation
      3. 10.2.3 Application Curves
  11. 11Power Supply Recommendations
  12. 12Layout
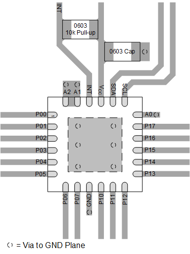
    1. 12.1 Layout Guidelines
    2. 12.2 Layout Example
  13. 13器件和文档支持
    1. 13.1 文档支持
      1. 13.1.1 相关文档
    2. 13.2 接收文档更新通知
    3. 13.3 社区资源
    4. 13.4 商标
    5. 13.5 静电放电警告
    6. 13.6 术语表
  14. 14机械、封装和可订购信息

封装选项

机械数据 (封装 | 引脚)
散热焊盘机械数据 (封装 | 引脚)
订购信息

Layout Example

TCA9555 LayoutRTWTCA9555.gifFigure 43. TCA9555 Layout Example